Оформленное ДЗ (1041565)
Текст из файла
Метелёв А. МТ11-82
Вариант 25.
1. Подключить датчик ДК с выходом «Сухой контакт» к контроллеру с входом «Открытый катод СД». Обеспечить ток через светодиод и на линии связи 10 мА, питание анода светодиода – 5 В.
2. Обеспечить подключение датчика температуры с диапазоном 0..400°С, с токовым выходом 4..20 мА и питанием +12..+42 В к входу АК контроллера 0..10 В. Рассчитать и выбрать нагрузочный резистор. Выводы датчика +V, -V. Рассчитать и построить характеристику Т(I). Сколько градусов приходится на одну дискрету, если преобразование 12-и разрядное.
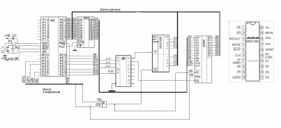
3. Подключить к МК внешнее ОЗУ на 4 кБ и АЦП MAX-166. Дать пример обращения к АЦП.
Ответ 1.. Датчик вида «Сухой контакт» - это пассивный датчик, выполненный в виде нормально открытой или полной (как открытой так и закрытой) контактной группы. Срабатывание такого датчика не зависит от наличия питания. Таким датчикам присуще явление дребезга контактов. С дребезгом можно справляться программно(задавая задержку на антидребезг, не требуется изменения схемы связи) или аппаратно(добавляя в схему RS-триггер, и используя полноую контактную группу). Далее будут представлены схемы подключения датчика вида «Сухой контакт».
Первый вариант – с программым антидребезгом. В этом случае нужно лишь установить в нужный порт МК единицу для активации антидребезга.
340 Ом
Такие резисторы существуют(даже в ЧИП исполнении: http://search.alkon.net/cgi-bin/pdf.pl?pdfname=02892.pdf)
R2 подбирается в зависимости от МК.
Второй вариант – с аппаратным антидребезгом. В этом случаем почти всё аналогично предыдущему, т .е. R1=R3=340 Ом, только используется полная контактная группа, и появляется нуль светодиода.
Важно отметить, что нули от датчика и транзистора оптопары – разные. Нуль датчика и светодиода идут к нулю блока питания датчика, а нуль транзистора оптопары идет к нулю питания ВЯ.
Ответ 2. Как понятно из условния датчик – с токовым выходным сигналом. Следовательно он не чувствителен к напряжению питания. Для питания датчика возьмем самый простой вариант: +24В, как самый распространенный и стандартный. Ниже представлена схема подключения.
Так же из условия ясно, что коммутатор АЦП МК в данном случае воспринимает сигнал напряжения. Для «перевода» тока в напряжение добавляется токовый резистор R1. Он должен быть точным. Его сопротивление вычисляется по формуле:
Где
- диапазон преобразования АЦП ,
– максимальный выходной ток датчика. Резистор из стандартного ряда, но можно взять подстроечный. Для связи используем стандартное решение – витую пару.
Преобразование 12ти разрядное, следовательно на одну дискрету.
Ответ 3.
Программа взаимодействия микроконтроллера с АЦП включает следующую последовательность операций:
1. Запись в регистр обмена: задается входной канал.
2. Запись в верхний регистр фильтра: устанавливаются 4 старших бита слова фильтра, а также устанавливается биполярный/униполярный режим и длина выходного слова.
3. Запись в нижний регистр фильтра: устанавливаются 8 младших битов слова фильтра.
4. Запись в регистр режима: устанавливается коэффициент усиления, инициируется автокалибровка.
5. Опрашивается сигнал, указывающий на наличие в регистре данных нового результата преобразования.
6. Чтение результата из регистра данных.
7. Циклический повтор действий 5 и 6, пока не будет считано заданное число отсчетов.
Характеристики
Тип файла документ
Документы такого типа открываются такими программами, как Microsoft Office Word на компьютерах Windows, Apple Pages на компьютерах Mac, Open Office - бесплатная альтернатива на различных платформах, в том числе Linux. Наиболее простым и современным решением будут Google документы, так как открываются онлайн без скачивания прямо в браузере на любой платформе. Существуют российские качественные аналоги, например от Яндекса.
Будьте внимательны на мобильных устройствах, так как там используются упрощённый функционал даже в официальном приложении от Microsoft, поэтому для просмотра скачивайте PDF-версию. А если нужно редактировать файл, то используйте оригинальный файл.
Файлы такого типа обычно разбиты на страницы, а текст может быть форматированным (жирный, курсив, выбор шрифта, таблицы и т.п.), а также в него можно добавлять изображения. Формат идеально подходит для рефератов, докладов и РПЗ курсовых проектов, которые необходимо распечатать. Кстати перед печатью также сохраняйте файл в PDF, так как принтер может начудить со шрифтами.















