3 (1041564)
Текст из файла
Ответ 3.
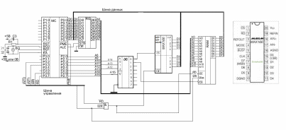
Программа взаимодействия микроконтроллера с АЦП включает следующую последовательность операций:
1. Запись в регистр обмена: задается входной канал.
2. Запись в верхний регистр фильтра: устанавливаются 4 старших бита слова фильтра, а также устанавливается биполярный/униполярный режим и длина выходного слова.
3. Запись в нижний регистр фильтра: устанавливаются 8 младших битов слова фильтра.
4. Запись в регистр режима: устанавливается коэффициент усиления, инициируется автокалибровка.
5. Опрашивается сигнал, указывающий на наличие в регистре данных нового результата преобразования.
6. Чтение результата из регистра данных.
7. Циклический повтор действий 5 и 6, пока не будет считано заданное число отсчетов.
Характеристики
Тип файла документ
Документы такого типа открываются такими программами, как Microsoft Office Word на компьютерах Windows, Apple Pages на компьютерах Mac, Open Office - бесплатная альтернатива на различных платформах, в том числе Linux. Наиболее простым и современным решением будут Google документы, так как открываются онлайн без скачивания прямо в браузере на любой платформе. Существуют российские качественные аналоги, например от Яндекса.
Будьте внимательны на мобильных устройствах, так как там используются упрощённый функционал даже в официальном приложении от Microsoft, поэтому для просмотра скачивайте PDF-версию. А если нужно редактировать файл, то используйте оригинальный файл.
Файлы такого типа обычно разбиты на страницы, а текст может быть форматированным (жирный, курсив, выбор шрифта, таблицы и т.п.), а также в него можно добавлять изображения. Формат идеально подходит для рефератов, докладов и РПЗ курсовых проектов, которые необходимо распечатать. Кстати перед печатью также сохраняйте файл в PDF, так как принтер может начудить со шрифтами.
















