PRISP_temp (1038482)
Текст из файла
РАЗДЕЛ 5. Конструирование приспособлений.
Приспособлениями называют вспомогательные устройства для выполнения операций обработки, сборки и контроля. Стоночные приспособления - 80 - 90 %. Использование станочных приспособлений устраняет разметку, повышает производительность и точность обработки, снижает себестоимость изделий, повышает безопасность работы, улушает условия труда.
Приспособления делятся:
- по целевому назначению:
- станочные для установки заготовок;
- станочные для закрепления инструмента;
- контрольные ( испытания )
- по степени специализации:
- универсальные ( в единичном и м/серийном производстве ): стандартные и переналаживаемые;
- специальные ( к/с и массовое производство )
Основные узлы приспособлений:
- установочные;
- устройства для закрепления;
- устройства для направления инструмента и контроля положения инструмента ;
- вспомогательные устройства;
- корпуса.
Задачами конструктора приспособления являются:
- конкретизация принятой схемы установки;
- выбор установочных элементов приспособления;
- определение зажимной силы ( Q );
- выбор и расчет зажимного устройства;
- выбор направляющих элементов для инструментов ( втулок, установов и так далее );
- общая компоновка приспособления, назначение ТУ на изготовление;
- экономические расчеты.
Рассмотрим типовые схемы установки и применяемые при этом элементы.
а) Установка по плоскости:
При установке по черным базам:
- рифленые - сферические
При установке по чистым базам:
- плоские точечные - плоские пластины
по ГОСТ: D = 6 40 мм Материалы: - сталь У8
d = 4 25 мм - сталь 20 ( 20Х )
Н = 10 76 мм - цемент./ закалк. до HRC 55...60
h = 6 ... 40 мм
R = 4 ... 40 мм
L = 60 ...220 мм
В = 16 ...35 мм
h = 10 ...25 мм
В общем случае опоры располагаются в корпусе приспособления по правилу 6 точек :
при условии неотрывности баз заготовки от опор, она лишена всех 6 степеней свободы.
Регулируемые ( самоустанавливающиеся ) опоры применяются в качестве дополнительных опор, когда есть большой разброс размеров в партии.
Регулируемые опоры применяют и при обработке нежестких заготовок. После установки заготовки на 6 точках она закрепляется силой Q, затем подводится регулируемая опора.
б). Установка на внешнюю цилиндрическую поверхность -
в опорные призмы и самоцентрирующиеся патроны.
Призмы:
( при установке по чистой поверхности) - при установке по черным
базовым поверхностям (ограниченный контакт)
Материал - сталь 45 ( Т/О; HRC = 40 ...45 ), сталь 20 ( цемент.; Т/О; HRC = 56 ... 58 ).
Размеры и основные ТУ на изготовление призм - в ГОСТе 12193 - 86; 12.197-86.
Установка в 3-х к.п. ( самоцентрирующие ): особое значение имеет при установке тонкостенных колец ( происходит их деформация ).
Тогда : Ф = 2 1 + 2 погрешность формы появится после открепления заготовки.
Величина Ф зависит от количества точек приложения силы Q; величины Q и жесткости кольца ( EJ ); она может быть уменьшена:
- путем применения широких кулачков;
- увеличением числа точек приложения силы Q.
в). Установка на внутреннюю цилиндрическую поверхность ( на отверстие ) и перпендикулярно к ее оси плоскости:
- используются три типа устройств:
1 - оправки концевые и центровые ( жесткие );
2 - самоцентрирующие зажимные устройства;
3 - установочные пальцы.
1.Рассмотрим концевые и центровые оправки:
а) конические ( К 1/1500 ... 1/4000 ) - д/чистовых операций (малый Мкр);базовая поверхность по IT 6 ...7
В следствие расклинивающего действия деталь прочно удерживается на оправке; точность центрирования 0,005 ... 0,01 мм. Недостатки - отсутствие фиксации по длине заготовки, поэтому нельзя обр-ть торцы заготовки; используют в массовых и единичных производствах.
б) оправки для установки заготовки с гарантированным натягом:
Точность центрирования: 0,005 ... 0,01 мм. По длине упор в бурт.
в) оправки с гарантированным зазором :
точность центрирования: 0,02 ... 0,03 мм; по длине упор в бутик;
Проворачивание предупреждается затяжной гайкой( или наличием шпонки ).
Оправки изготавливают из стали 20Х ( цементация + закалка ) ; шлифуют до 0,63 ; центров. гнезда с фасками или под нутрениями.
2. Самоцентрирующие зажимные устройства.
а) консольная разжимная оправка с прорезями на рабочей шейке
Точность центрирования 0,02 ... 0,04мм. Используют для отверстия детали, изготовленные по IT 9... 12
б) оправка с разжимными сухарями
Применяется для базовых поверхностей с предварительной обработкой.Точность центрирования : 0,1 0,05 мм.
в) оправка с тарельчатыми пружинами :
t = 0,5 ... 1,25 ;
Точность центрирования :0,01 ... 0,02 мм.
Материал пружины :
с
таль 60С2А ( HRC 40...45 ).Применяется для точных баз и
финишной обработки.
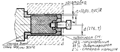
г) оправки с гидропластом :
Для точнообработанных баз; ( 7 ... 8 IT );точность центрирования : 0,005 ... 0,01 мм
Гарантиров. зазор для установки заготовки: 0,01 ... 0,03 мм.
Гидропласт СМ : 20 % - полихлорвинил;78 % - дибутилфтолаг;20 % - стеарат кальция.
Для точнообработанных баз; ( 7 ... 8 IT ).
Точность центрирования : 0,005 ... 0,01 мм
Гарантиров. зазор для установки заготовки: 0,01 ... 0,03 мм.
Гидропласт СМ : 20 % - полихлорвинил;
78 % - дибутилфтолаг;
20 % - стеарат кальция.
д) центровая упругая оправка
Базовая поверхность должна быть обработана не ниже IT 7.
Точность центрирования : 0,003 ... 0,005 мм.
3. Установочные пальцы. - ГОСТ 12209 - 86 - 12211 - 86
Материал:
d 16 мм d 16 мм
сталь У7 сталь 20Х
HRC 50 55.
Погрешность базирования характеризуется смещением на диаметральном зазоре :
П
Для уменьшения “покачивания” вместо цилиндрического
пальца применяют ромбический палец диаметра d :
И ромбический и цилиндрический пальцы
выполняются одного размера d.
Схема обеспечивает обработку с пяти сторон.
Отверстия обрабатывают по IT 7.
Базовая плоскость обработана чисто;1 + 2 величина зазора между отверстием и пальцем ( d1 )
Погрешность базирования для данной схемы:
- при параллельном смещении:
n = S max = S max цил.+ S max ромб. ;
2
- при угловом повороте:
= max цил.+ max ромб. / L,
где max цил./ромб. - максимальный зазор при установке на цил./ромб. пальцы
-
Установка на центровые гнезда - применяется для тел вращения ( = 60; 90 )
б) плавающие
Т
в) вращающиеся.
ипы центров :а) жесткие
При установке по усеченным конусам: Qa
- при чистовой обработке Рифления врезаются в заготовку и передают круговой момент.
д) Установка по зубчатым поверхностям
применяется при обработке базовой поверхности и торца зубчатого колеса ( после термообработки ); установка в специальные патроны ( клиновые или мембранные ).
2. Закрепление заготовок и зажимные устройства приспособлений.
Назначение : в обеспечении надежного контакта заготовки с установочными элементами и
предупреждении ее смещения и вибраций в процессе обработки.
В ряде случаев зажимные устройства (З.У.) выполняют функцию центрирующе-зажимных устройств ( патроны, оправки, цанги и т.д. )
При обработке на заготовку действуют силы:
- резания;
- объемные силы ( центробежные, инерционные, масса заготовки );
- второстепенные ( силы трения инструмента о стенки отверстия ).
Типовые зажимные устройства.
В риспособлениях применяют следующие типы элементарных зажимных устройств : винтовые, эксцентриковые, рычажные, клиновые, реечно-рычажные с замками.
Эти устройства могут применяться в различных сочетаниях, образуя более сложные системы.
работает на растяжение
Винт с гайкой М=Q rср tg(+) + f (D3-d3) 0,22dQ
Работает 3 (D2-d2)
на сжатие
Винт с нажимным сферическим окончанием: М=Qrср tg(+) 0,1dQ
f - коэффициент трения, D - диаметр опорной поверхности гайки.
где: М- момент на винте, Q - необходимая сила закрепления, rср - средний радиус резьбы, - угол подъема резьбы
- угол трения
В
Эксцентриковый зажим
M = Q R sin+ + esin(+)
e - эксцентриситет эксцентрика.
e = гар + запаса + H + Q/ ;
- жесткость эксцентрикого устройства.
2
r - радиус цапфы :
r = Q ; b - ширина цапфы;
2 b см
R = e - 0,12 r = 8
sin
интовой рычажный прижим
N = Q ( 1 + 2)1/2
Рычажный зажимной элемент
N = ( 1 + 2f1 + 0,96 ) при 2 1
2 - 2f2 - 0,4
- радиус круга трения цапфы : = rf
f - коэффициент трения в цапфе
Нзаготовки
Клиновой зажимный элемент
N = Q tg (+) заготовка
Характеристики
Тип файла документ
Документы такого типа открываются такими программами, как Microsoft Office Word на компьютерах Windows, Apple Pages на компьютерах Mac, Open Office - бесплатная альтернатива на различных платформах, в том числе Linux. Наиболее простым и современным решением будут Google документы, так как открываются онлайн без скачивания прямо в браузере на любой платформе. Существуют российские качественные аналоги, например от Яндекса.
Будьте внимательны на мобильных устройствах, так как там используются упрощённый функционал даже в официальном приложении от Microsoft, поэтому для просмотра скачивайте PDF-версию. А если нужно редактировать файл, то используйте оригинальный файл.
Файлы такого типа обычно разбиты на страницы, а текст может быть форматированным (жирный, курсив, выбор шрифта, таблицы и т.п.), а также в него можно добавлять изображения. Формат идеально подходит для рефератов, докладов и РПЗ курсовых проектов, которые необходимо распечатать. Кстати перед печатью также сохраняйте файл в PDF, так как принтер может начудить со шрифтами.
















