Датчики_НОВ (1031985), страница 3
Текст из файла (страница 3)
т. (095)795-0723 Ф. (095)795-0721
Сходные внешние параметры имеет датчик 7MF1563 фирмы_Siemens.
Данные в файле serie_z.pdf
Представительство по датчикам в Москве т. 737-24-86.
Поставщик ПРОСОФТ
Наш офис в Москве менее чем в 100 метрах от метро Беляево по адресу Профсоюзная улица, дом 108. Связаться с нами можно по шестиканальному телефону (095) 234-06-36 или факсу 234-06-40. Наш почтовый адрес - Россия, 117313 Москва, а/я 81
Поставщик СВР т. 232-37-51, 235-35-96. Дороже, чем «Прософт»
Фесто
ООО "Фесто-РФ"
Схема проезда Москва, 117607, Мичуринский проспект, 49
Тел. (095) 737 3485, Факс (095) 737 3483 festo@festo.ru
По вопросам технических характеристик и применения пневмоэлементов ФЕСТО, пожалуйста, обращайтесь по тел./факс (095) 737-3361 к Шкрабову Борису Семеновичу
Толстых Алексею Владимировичу
Преобразователи. ПЭ-преобразователи.
П
невмоэлектронный преобразователь
Тип PEN -M5 Стоимость 4032 руб.
Пневмоэлектронный преобразователь можно использовать для преобразования
-
Сигналов давления
-
сигналов разности давлений
-
вакуум-сигналов
в электрические выходные сигналы.
Переключатель защищен от переполюсования.
Винтом для настройки давления переключения изменяется предварительное натяжение пружины, прижимающей металлический сильфон к опорной поверхности. В этом случае он находится в активном диапазоне высокочастотного управляющего поля бесконтактного датчика. При смещении металлического сильфона (под воздействием давления) бесконтактный датчик регистрирует и усиливает возникающее при этом изменение. Выходной сигнал может управлять всеми цифровыми переключающими схемами и реле. Светодиод указывает коммутационное состояние.
Типы преобразователей
1) Реле давления
На вход Pi подается давление 0,25...8 bar. Регулировочным винтом можно производить настройку требуемого значения давления. При превышении значения установленного давления появляется электрический сигнал.
2) Реле вакуума
На вход Рг подается вакуум. Давление переключения регулируется в диапазоне -0,2...-0,8 bar.
3) Реле давления (разности давлений)
В режиме реле разности давлений на входы Pi и Рг подаются пневматические сигналы в диапазоне -0,95...8 bar. Необходимая величина срабатывания определяется силой натяжения пружины с помощью регулировочного винта.
Внимание! Для срабатывания реле давление на входе Pi должно быть больше, чем на входе Рг. Гистерезис составляет 0,25 bar при отпущенной пружине.
Пример.
На вход Рг подается давление 2 bar. Преобразователь сработает при достижении на входе Pi давления 2,25 bar. На вход Pi подается давление 2 bar. Преобразователь сработает при уменьшении на входе Pi давления до 1,75 bar.
Рамы для блочного монтажа 2п см. на листе 5.2/30-1.
Принадлежности для крепления винтами на монтажной раме 2 уголка, обозначение заказа 11571 NRW-9/1.5-B 2 винта с цилиндрической головкой М4 х 12 DIN 84, Обозначение заказа 204021
P1 = для реле давления
Р2 = для реле вакуума
P1, Р2 = для реле разности давлений
| Обозначение заказа Ms для заказа/Тип | 8625 PEN-M 5 |
| Рабочая среда | Отфильтрованный сжатый воздух с/без обогащения маслом |
| Тип конструкции | Металлический сильфон и бесконтактный датчик |
| Тип крепления | 2 сквозных отверстия в корпусе или на монтажной раме 2п |
| Присоединение пневматическое | M5 |
| Электрическое | 3-жильный залитый кабель 3 m (3 х 0,34 mm ) |
| Диапазон давления Реле давления | 0,25...8 bar (вход Pi) |
| Реле вакуума | -0,20.. .-0,8 bar (вход Рг) |
| Реле давления | |
| (разность) | -0,95.. .8 bar гистерезис max 0,25 bar (вход Pi>Pz) |
| Напряжение постоянного тока | 24V 'Щ. (остаточная пульсация max 10 %), остаточное напряжение при RL^ 55 il ? 0,01 V |
| Коммутационный ток тах | 400 mA (PNP-выход) |
| Сопротивление нагрузки min | 470 Ом |
| Частота переключении | max 70 Hz |
| Степень защиты по DIN 40050 | IP 67 |
| Температура окружающей среды | -20 ... +60 °С |
| Материалы | Корпус: GD-Zn, сталь; уплотнения: пербунан |
| Масса | 0,240 kg |
Датчики температуры на вход-выход холодной воды, вход и выход горячей воды – две согласованные пары датчиков (медных термосопротивлений)
ТСМУ-205(длина) со штуцером, диапазон температур, класс 0.25.
Изготовители термодатчиков сопротивления
-
Филиал ПГ " Метран" в г. Москве:129085, г. Москва, ул.Мира,95 Телефон/факс: (095) 215-80-40 Директор: Маричев Леонид Иванович тел.(095) 217-25-95 Электронная почта – metran-moscow@mtu-net.ru
-
НПК "Эталон" 347574 Ростовская обл., г. Волгодонск, ул. Ленина 60,
а
/я 1371. т. (86392) 77960, ф. (86392) 67587. Схема соединений.
Датчики для контроля расхода горячей и холодной воды на 5м3/час и 50м3/час
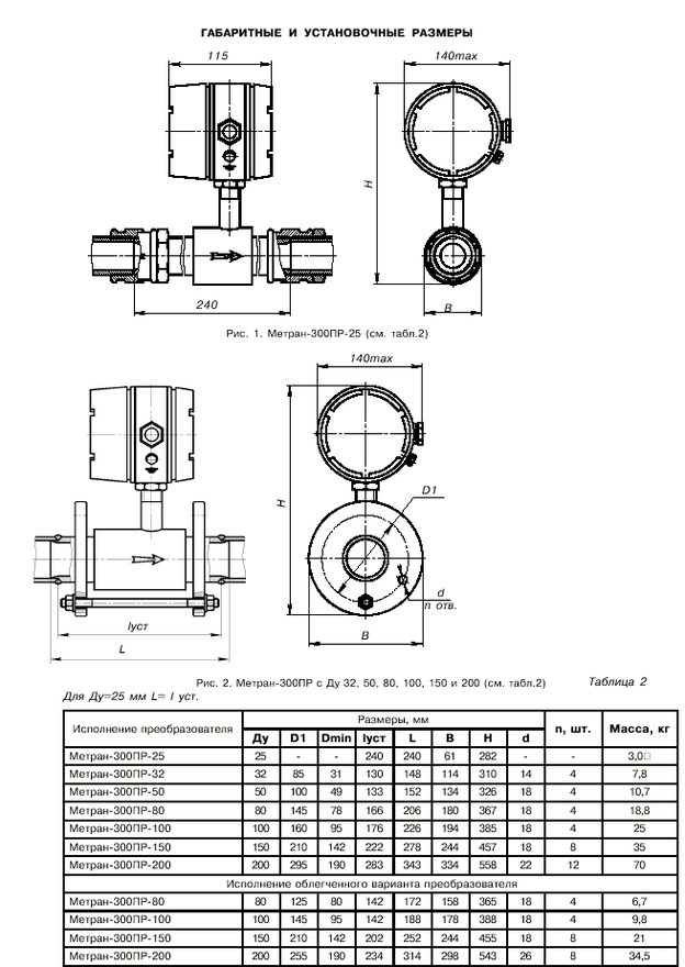
Метран 300ПР
Метран-300ПР-25-0,001-02-ОП-ТО-ТУ 4213-026-12580824-96
Метран-300ПР-80-0,01-02-ОП-ПДП-ТО- ТУ 4213-026-12580824-96
Разработчик расходомеров для тех. конс. Аристов Павел Анатольевич, т. 217-23-48. По последнему письму в Метран стоимость Метран300ПР –5000 - 6000р., что приемлемо.
Метран-300ПР-25-0,001-02-ОП-ТО-ТУ 4213-026-12580824-96
Метран-300ПР-80-0,01-02-ОП-ПДП-ТО- ТУ 4213-026-12580824-96















