Датчики_НОВ (1031985), страница 2
Текст из файла (страница 2)
Сигнализатор уровня СУ200 заменяет два прибора РОС101.
Состав прибора: Два емкостных датчика и вторичный преобразователь.
Емкостной принцип действия: Отсутствие подвижных механических частей, простота монтажа и обслуживания.
Модификация прибора с одним реле во вторичном блоке и двумя датчиками - СУ 200А предназначена для поддержания уровня между нижним и верхним пределами, заданными этими датчиками Структура условного обозначения
СУ2 х х И - * У,С / * У,С
1 2 3 4 5 7 6 7
1 - Базовое обозначение серии. 2 - Конструкция ЧЭ датчиков: 1 - стержневой, 2 - гибкий, 3 - тросовый, 5 - трубчатый, 6 - плоский.
3 - Основной материал ЧЭ датчиков: 1 - сталь без покрытия, 2 - сталь оцинкованная, 3 - нержавеющая сталь 12Х18Н10Т, 4 - сталь, защищенная полиэтиленом или поливинилхлоридом, 5 - сталь, защищенная фторопластом, 0 - в случае отсутствия ЧЭ.
4 - "И" - вид взрывозащиты "искробезопасная электрическая цепь". Без обозначения - обычное исполнение.
5, 6 - длины ЧЭ 1-го и 2-го датчиков соответственно в м.
7 - Усиленное (У) или среднее (С) исполнение датчиков (в двух местах). У нормального исполнения буква отсутствует.
ВНИМАНИЕ !!!
Датчики изготавливаются с присоединительными элементами - указывается при заказе:
1) типа "штуцер" с резьбой: - М 27х1,5 - исполнение С; - М 20х1,5 нормальное исполнение; - G 1 1/2 - исполнение У.
2) типа "фланец с выступом исполнения 2" по ГОСТ 12815-80: - Ду 50 мм на Ру 1,6 МПа; - Ду 100 мм на Ру 1,6 МПа; - Ду 100 мм на Ру 2,5 МПа.
В противном случае присоединительный элемент выполняется по усмотрению изготовителя. Возможно изготовление присоединительного элемента по техническим требованиям заказчика.
Технические данные
| Порог срабатывания*: для электропроводных сред: для диэлектрических сред: - при горизонтальном монтаже: - при вертикальном монтаже: | не более 10 мм не более поперечного размера ЧЭ 120 мм при L < 8 м или 0,015L при L > 8 м |
| Зона возврата (дифференциал): - при горизонтальном монтаже - при вертикальном монтаже | не более поперечного размера ЧЭ 80 мм при L < 8 м или 0,01L при L > 8 м |
| Выходной релейный сигнал: Электрическая нагрузка, не более: - на переменном токе - на постоянном токе | 2,5 А, 250 В, 100 ВА 2,5 А, 30 В, 100 Вт |
| Максимальные значения параметров искробезопасных электрических цепей - ток короткого замыкания – напряжение холостого хода – индуктивность – емкость – сопротивление | 18 В 1 мГн 0,5 мкФ 35 mA 25 Ом |
| Питающая сеть | 220 В, 50 Гц |
| Допускаемые отклонения напряжения питания | - 15 %, + 10 % |
| Потребляемая мощность, не более | 10 ВА |
| Параметры окружающего воздуха при эксплуатации: - температура – относительная влажность |
|
| Виброустойчивость: - диапазон частот – ускорение | 50 .. 80 Гц до 9,8 м/с2 |
| Степень защиты, обеспечиваемая оболочками (ГОСТ 14254-96): - датчиков – вторичного преобразователя | IP54 IP54 |
В
нешние цепи - линии к датчикам, сигнализации и питания - выполняются обычным (неэкранированным) кабелем с сечением жил до 1,5 мм2 и наружным диаметром до 14 мм. Заземление корпуса вторичного преобразователя осуществляется с помощью винта М5.
Подробнее на сайте http://www.kontakt1.ryazan.ru
ООО "КОНТАКТ-1"
РОССИЯ, 390010, г. Рязань, проезд Шабулина, 18
Тел./факс: (0912) 21-42-18, 27-63-51; Тел.: (0912) 53-21-23
E-mail: market@kontakt1.ryazan.ru Интернет: http://www.kontakt1.ryazan.ru
УНИВЕРСАЛЬНЫЙ СИГНАЛИЗАТОР УРОВНЯ
"КОМПАКТ СУ500"
Назначение:
Контроль предельных уровней сыпучих и жидких сред в бункерах, резервуарах, трубопроводах, дозаторах, самотеках и т.п. Рабочими средами могут быть: цемент, песок, зерно, мука, комбикорм, сухое молоко, стиральный порошок, полимерные гранулы, вода, масло, водно-масляные эмульсии, растворы кислот и щелочей и другие подобные среды.
Кроме того, прибор может использоваться в качестве бесконтактного датчика наличия и положения металлических и неметаллических предметов и частей механизмов таких как: расфасованные и штучные продукты питания, бобышки на валах механизмов, спицы колес, каретки и т. п.
Приборы серии "Компакт СУ 500" прошли в 1995 г. квалификационные испытания на Ростовской МИС.
В течение 1995 - 1999 годов приборы успешно эксплуатируются на десятках предприятиях пищевой и химической промышленности, стройиндустрии и машиностроения. Опыт эксплуатации показывает, что они успешно заменяют аналогичные приборы известных зарубежных фирм: Endress+Hauser, OMRON, TURK и др., имея при этом цены в 1,5- 2раза ниже цен зарубежных аналогов.
Принцип действия
Основан на увеличении электрической емкости чувствительного элемента при наличии в чувствительной зоне прибора контролируемой среды или предметов, что приводит к изменению коммутационного состояния электронного ключа на выходе.
Достоинства
-
оригинальная конструкция чувствительного элемента устраняющая влияние отложений и налипаний на боковой поверхности прибора позволила исключить ложные срабатывания прибора при длительной эксплуатации с налипающими и влажными средами контроля.
-
высокая чувствительность прибора в сочетании с температурной и долговременной стабильностью параметров позволили увеличить гарантированный диапазон настройки бесконтактного срабатывания на металлические предметы от 0 до 30 мм.
-
состояние выходного ключа в зависимости от контакта со средой устанавливается встроенной перемычкой.
-
мощный высоковольтный выходной каскад (СУ502) позволяет коммутировать нагрузку (соленоиды, контрольные лампы, сирены, пускатели и т. п.) без промежуточных реле.
-
защитный стакан позволяет сохранять герметичность резервуара при профилактическом демонтаже прибора, а также предохраняет прибор от абразивного воздействия среды.
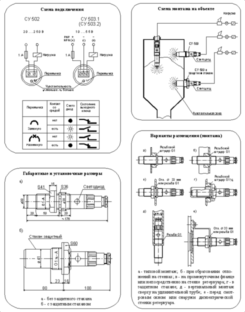
Варианты исполнения
СУ 502 - для непосредственного включения (отключения) универсальной нагрузки переменного и постоянного тока: от миниатюрных ламп накаливания до ламп 75 Bт 220 В, от герконовых реле до магнитных пускателей 4-й величины. Включение двухпроводное последовательно с нагрузкой, полярность не имеет значения.
СУ 503.1 - для систем автоматики с питанием от источника постоянного тока с напряжением 10 … 55В. Максимальный ток нагрузки 0.3А. Защита от переполюсовки питания и от перегрузки. Выходной каскад PNP.
СУ 503.2 - полная аналогия СУ 503.1, но с противоположной полярностью питания. Выход - NPN.
Сигнализаторы уровня серии СУ 500 всех исполнений комплектуются защитными стаканами по заказу потребителя.
Технические данные
| СУ502 | СУ503 | |
| Подключение к внешним цепям | двухпроводное | трехпроводное |
| Напряжение питания | 20... 250 В постоянного или переменного тока | 10...55 В постоянного тока |
| Ток потребления, не более | 0,005 А в состоянии "отключено" | 0,01 А |
| Ток через нагрузку в состоянии "включено" максимальный кратковременный (до 50 мс) максимальный длительный минимальный длительный | 1,5 А 0.3А 0,01 А | 1.5А 0,3 А 0,001 А |
| Ток через нагрузку в состоянии "отключено" (ток холостого хода) | 0,005 А | - |
| Остаточное напряжение в состоянии "отключено" (при токе нагрузке 0,3 А), не более | 10 В | 2 В |
| Выходной ключ | неполярный | СУ503.1 – PNP; CУ503.2 - NPN |
| Задержка срабатывания и возврата, не более | 0,2 с | |
| Воздействие боковой нагрузки со стороны среды | < 4 кН | |
| Рабочее положение в пространстве | любое | |
| Температура в объекте контроля и окружающего воздуха | от -35 до +50 С | |
| Давление в объекте контроля | < 0,6 МПа | |
| Степень защиты корпуса по ГОСТ 14254-80 | IP54 | |
С
редний срок службы, не менее 14 лет. Гарантийный срок эксплуатации 2 года
Датчик уровня конденсата – датчика: по два в двух баках
Электромеханический датчик Crydom.Выход – сухой контакт 240В, 0.6 А. Поставщик Платан. http://www.platan.ru/
Москва, ул. Ивана Франко, д.40, корп.1, стр.2. схема проезда
т
ел./факс: 73-75-999(многоканальный). E-mail: platan@aha.ru.
Датчики давления в камеру, конденсор, приемный бак (контейнер)
Разъем DIN 43650 Стандартное исполнение
Х
ороший датчик DMP331 111 – 1001 – 1 – 5 –1 – 8 – 1 – 000
100 кПа 0,5% М20х1,5 Уплотнение Витон
4-20мА двухпроводная
Стоимость по сведениям фирмы около 160 долл.
Датчики DMP поставляет фирма Геолинк.
ООО "Геолинк" Москва, Варшавское шоссе, д.39а















