Приложение 3 (1022022)
Текст из файла
Пример 1
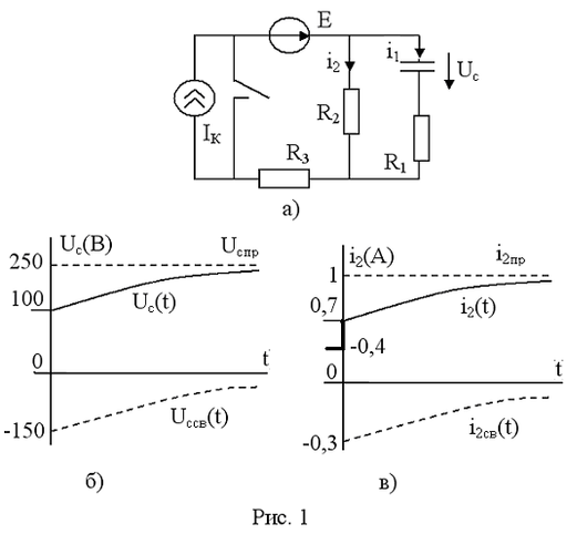
Дано: в цепи рис.1,а R1 = R2= R3 = 250 Ом,
С=0,4
Ф; Е = const = 200 B; Ik = const =1 А.
Определить: Uc (t) и i2 (t) после размыкания ключа в момент t = 0.
Решение
-
До коммутации (ключ замкнут).
В установившемся режиме под действием постоянного источника э.д.с. ток через конденсатор не течет, поэтому
i1 (0_) = 0; i2 (0_) = i3 (0_) = E/(R1+R3);
3.Характеристическое уравнение записываем по комплексному входному сопротивлению относительно емкостной ветви послекоммутационной цепи (с учетом бесконечно большого внутреннего сопротивления источника тока):
позволяет записать в общем виде свободные составляющие искомых функций:
Uc св(t) = Aept = Ae-5000t B,
i2 св (t) = Bept = Be-5000t A.
4. Расчет постоянных А и B
U
c (t) = Uспр + Uc св = 250 + Aept
i2(t) = i2пр + i2 св = 1 + Bept .
Для первого мгновения после коммутации:
U
c (0+) = 250 +А,
i2 (0+) = 1 + В.
Начальные значения Uc (0+) и i2 (0+) находим из физических соображений, учитывая 2ой закон коммутации
Uc (0+) = Uc (0-) = 100 В
и законы Кирхгофа для t = 0+:
i2 (0+) + i1 (0+) = Ik,
Решаем эти уравнения относительно i2 (0+),
Итак, для постоянных имеем уравнения:
U
c (0+) = 250 +А = Uc (0-) =100;
i2 (0+) = 1+ В = 0,7.
Искомые зависимости:
Uc (t) = 250 – 150 e-5000t B.
i2 (t) = 1 – 0,3 e-5000t A.
Их графики построены на рис.1,б и рис.1,в.
Пример 2
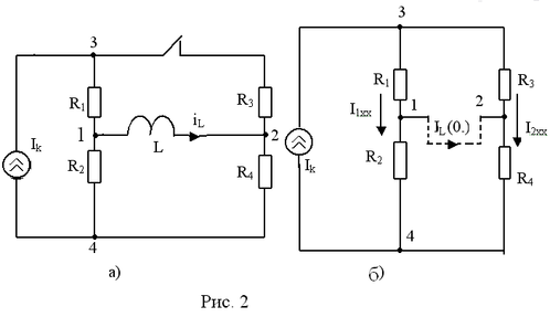
Дано: в цепи рис.2,а R1= R2= R4= 30 Ом; R3 = 60 Ом; Ik = 15А, L=0,06 Гн.
Определить: iL(t) после размыкания ключа в момент t = 0.
Решение
1. Расчет установившегося режима до коммутации (ключ замкнут)
Так как Ik = const, докоммутационные токи постояны, индуктивность эквивалентна короткозамыкающей перемычке (рис.2,б) с током iL (0-).
Для расчета iL (0-) воспользуемся методом эквивалентного генератора, рассматривая индуктивную ветвь как нагрузку активного 2х-полюсника с внешними зажимами “1” и “2” (рис.2,б).
При обрыве индуктивной ветви на рис.2,б (R1,R2) и (R3,R4) попарно последовательны, токи I1xx и I2xx находим по формуле разброса:
I2xx = Ik – I1xx = 6(A).
Пусть
, тогда для режима холостого хода цепи рис.2,б
Входное сопротивление активного 2х-полюсника относительно зажимов “1” и “2” записываем, учитывая бесконечно большое внутреннее сопротивление источника тока (обрываем ветвь с Ik):
Ток в индуктивной ветви рис.2,б
2. Расчет принужденного режима (нового установившегося; ключ разомкнут)
При t
справедлива схема рис. 3,а. Так как R2 = R4, то в цепи рис. 3,а iLпр = i2пр = iк/2 =7,5 А.
3. Характеристическое уравнение (по комплексному входному сопротивлению относительно индуктивной ветви схемы рис.2,а при разомкнутом ключе) имеет вид:
При одном корне общий вид свободной составляющей индуктивного тока
iL св(t) = Aept = Ae-1000t.
4. Расчет постоянной А
iL (t) = iL пр + iL св = 7,5 + Aept ;
iL (0+) = 7,5 + А = iL (0-) = 2,5 А (по 1му закону коммутации).
Следовательно, А = –5, тогда искомая зависимость равна
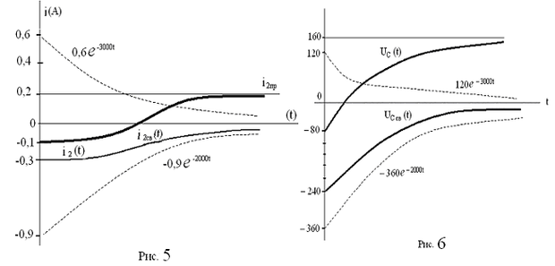
iL (t) = 7,5 – 5e-1000t A.
График функции iL (t) приведен на рис.3,б.
Характеристики
Тип файла документ
Документы такого типа открываются такими программами, как Microsoft Office Word на компьютерах Windows, Apple Pages на компьютерах Mac, Open Office - бесплатная альтернатива на различных платформах, в том числе Linux. Наиболее простым и современным решением будут Google документы, так как открываются онлайн без скачивания прямо в браузере на любой платформе. Существуют российские качественные аналоги, например от Яндекса.
Будьте внимательны на мобильных устройствах, так как там используются упрощённый функционал даже в официальном приложении от Microsoft, поэтому для просмотра скачивайте PDF-версию. А если нужно редактировать файл, то используйте оригинальный файл.
Файлы такого типа обычно разбиты на страницы, а текст может быть форматированным (жирный, курсив, выбор шрифта, таблицы и т.п.), а также в него можно добавлять изображения. Формат идеально подходит для рефератов, докладов и РПЗ курсовых проектов, которые необходимо распечатать. Кстати перед печатью также сохраняйте файл в PDF, так как принтер может начудить со шрифтами.
,















