Описания работ N 2,4,6 (1021967), страница 3
Текст из файла (страница 3)
1.Фазный коэффициент трансформации Кф равен отношению числа витков обмотки ВН к числу витков обмотки НН и приближенно равен отношению номинальных фазных напряжений обмоток (т.е. напряжений в режиме холостого хода):
где Nв - число витков обмотки ВН;
Nн - число витков обмотки НН;
Uвфн - номинальное фазное напряжение обмотки ВН;
Uнфн - номинальное фазное напряжение обмотки НН.
2. Линейный коэффициент трансформации Кл приближенно равен отношению номинального линейного напряжения обмотки ВН к номинальному линейному напряжению обмотки НН:
где Uвл - линейное напряжение обмотки ВН;
Uнл - линейное напряжение обмотки НН.
Фазный коэффициент трансформации определяется числами витков обмоток, а линейный коэффициент зависит от способа соединения обмоток.
Анализ явлений, происходящих в трехфазных трансформаторах в режимах холостого хода, нагрузки и короткого замыкания, производится теми же методами, что и для однофазных трансформаторов. При симметричной нагрузке анализ, расчет и построение векторной диаграммы выполняется для одной фазы трансформатора аналогично однофазному трансформатору. Полная мощность трансформатора рассчитывается по формуле
где индекс "2" соответствует вторичной обмотке.
При практическом использовании трехфазных трансформаторов необходимо учитывать не только величину вторичного напряжения, но и его сдвиг по фазе относительно первичного напряжения. Эта величина зависит как от способа соединения обмоток, так и от того, в каком порядке соединены зажимы фаз обмоток (например, при соединеннии в звезду можно соединить вместе либо начала фаз а, в, с, либо их концы - х, у, z). Для однозначной характеристики соединений вводится понятие - группа соединения обмоток. Всего существует 12 групп соединения обмоток для трехфазных трансформаторов, 2 - для однофазных.
Обозначение групп соединения обмоток основано на сопоставлении относительного положения одноименных векторов высшего и низшего линейных напряжений с положением минутной и часовой стрелок на циферблате часов. При этом минутная стрелка мыслится установленной на цифре "12" часов. С ней совмещается вектор линейного высшего напряжения, а вектор линейного низшего напряжения, расположенный под определенным углом к высшему линейному напряжению на векторной диаграмме, задает положение часовой стрелки. Время, которое показывают эти условные часы, и является номером группы соединения обмоток.
На рис.8 показаны три различные схемы включения трансформаторов, соответствующие им векторные диаграммы в режиме холостого хода и показан способ определения групп соединения обмоток. При построении векторных диаграмм учитывается, что одноименные напряжения в обмотках ВН и НН одинаково направлены на соответствующих векторных диаграммах, а последовательность построения векторов зависит от способа соединения обмоток (т.е. следует посмотреть какие концы обмоток соединяются вместе).
Согласно ГОСТ установлены две стандартные группы соединения трехфазных трансформаторов: Y/Y- - 12, Y/ - 11 для однофазных трансформаторов - одна группа - 12. Группе 11 соответствует два способа соединения: звезда/треугольник и звезда с выведенной нулевой точкой/треугольник (Y/ и Y-/).
4.2Порядок выполнения работы.
1. Ознакомиться с конструкцией трансформатора, с устройством стенда и приборами. Записать паспортные данные трансформатора.
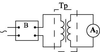
Опыт 1 «Исследование однофазного трансформатора в режиме холостого хода»
Рис. 6.3 Электрическая схема опыта «Исследование однофазного трансформатора в режиме холостого хода»
Провести опыт холостого хода для одной фазы трехфазного трансформатора:
-
схема опыта показана на Рис. 6 .3 (рис.3), где в качестве однофазного трансформатора используется одна фаза трехфазного трансформатора;
-
пределы измерений приборов устанавливать в соответствии с номинальными данными трансформатора и условиями проведения опыта холостого хода;
-
снять показания приборов в режиме, соответствующем опыту холостого хода и записать их вТаблица 6 .5;
-
рассчитать параметры режима холостого хода и изобразить схему замещения.
Таблица 6.5
| Измеряемые величины | Вычисленные величины | ||||||
| U1o=Uн, В | Io1, A | Po, Вт | U2o, B | K | Z12, Ом | R12, Ом | X12, Ом |
Опыт 2 «Исследование однофазного трансформатора в режиме «короткого замыкания»
Рис. 6.4 Схема опыта «Исследование однофазного трансформатора в режиме «короткого замыкания»
Провести опыт короткого замыкания для одной фазы трехфазного трансформатора:
-
схема опыта показана на Рис. 6 .4 рис.4;
-
пределы измерений приборов установить в соответствии с условиями опыта короткого замыкания и с номинальными данными трансформатора;
-
напряжение короткого замыкания U1к установить с помощью ЛАТРа путем плавного увеличения напряжения от нуля!
-
показания приборов, соответствующие режиму короткого замыкания, занести в Таблица 6 .6;
-
рассчитать параметры режима короткого замыкания и изобразить схему замещения.
Таблица 6.6
| Измеренные величины | Вычисленные величины | |||||||||
| U1k, B | I1=I1н,А | Рк, Вт | I2=I2н, А | Zk, Ом | Rk, Ом | Xk, Ом | Uk, % | Uka, % | Ukp, % | |
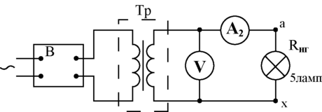
Опыт 3 «Исследование однофазного трансформатора под нагрузкой»
Рис. 6.5 Схема опыта «Исследование однофазного трансформатора под нагрузкой»
4. Провести опыт нагрузки для одной фазы трехфазного трансформатора:
-
схема опыта показана на рис.4;
-
в качестве нагрузки использовать ламповый реостат (т.е. параллельно соединенные от двух до семи ламп);
-
снять показания приборов для пяти нагрузочных режимов, начиная с режима холостого хода, напряжение на первичной обмотке - номинальное. Ток нагрузки увеличивать путем увеличения количества параллельно включенных ламп;
-
записать в Таблица 6 .7.
Таблица 6.7
| Измеренные величины | Вычисленные величины | ||||||
| № | U1, B | I1, A | P1, Вт | U2, B | I2, A | P2, Вт | , % |
| 1. | |||||||
| 2. | |||||||
| 3. | |||||||
| 4. | |||||||
| 5. | |||||||
-
вычислить необходиные величины, используя зависимости:
-
в единой системе координат построить графики U2=f1(I2), I1=f2(I2), = f3(I2) в линейном масштабе, начиная от нуля;
-
разобрать схему.
5. Исследовать различные схемы включения трехфазного трансформатора:
а) собрать схему в соответствии с рис.9а;
б) измерить:
- фазные напряжения первичной обмотки Uвф1, Uвф2, Uвф3;
- линейные напряжения первичной обмотки UАВ, UВС, UСА;
- фазные напряжения вторичной обмотки Uнф1, Uнф2, Uнф3;
- линейные напряжения вторичной обмотки Uав, Uвс, Uса;
- результаты измерений записать в таблицу 4.
в) собрать схему рис.9б;
г) повторить измерения в соответствии с п.5.б;
д) собрать схему рис.9в;
е) повторить измерения в соответствии с п.5.б;
ж) предъявить данные на проверку;
з) разобрать схему и убрать рабочее место;
и) рассчитать коэффициенты трансформации Кф и Кл для этих схем включения;
к) построить векторные диаграммы для исследованных схем включения в бланке отчета по лабораторной работе и определить группы соединения обмоток, соответствующие исследованным схемам;
л) определить, как следует соединить первичные и вторичные обмотки трехфазного трансформатора, чтобы получить следующие соотношения высшего и низшего линейных напряжений (числа витков равны Nв=400, Nн=40):
Uл1/Uл2 : а) 220 В / 13 В;
б) 220 В / 22 В;
в) 220 В / 38 В;
и записать в бланке отчета.
На схемах показано включение вольтметров для измерений напряжений:
V1 - линейного UАВ; V3 - линейного Uав; V2 - фазного Uвф1; V4 - фазного Uнф1.
Таблица 6.8
| Схема рис. 9а | Схема рис. 9б | Схема рис. 9в | |
| Uвф1 | |||
| Uвф2 | |||
| Uвф3 | |||
| UАВ | |||
| UВС | |||
| UСА | |||
| Uнф1 | |||
| Uнф2 | |||
| Uнф3 | |||
| Uав | |||
| Uвс | |||
| Uса | |||
| Кф | |||
| Кл |
19
















