ЛР 2. Методические указания.Моделирование сборочной единицы. (1016889), страница 4
Текст из файла (страница 4)
8. Нажмите кнопку Да в ответ на запрос системы относительно копирования данных из основной надписи чертежа.
9. Аналогично подключите к спецификации все другие составные части Сборки.
10. Введите раздел Документация. Выделите первую строчку спецификации и нажмите на кнопку Добавить раздел на странице Спецификация. В окне Выберите раздел и тип объекта выделите Документация и нажмите Создать. В спецификации появится указанный раздел и новый (пустой) объект спецификации в режиме редактирования. Подключите к объекту ассоциативный сборочный чертеж Приспособления. Откройте вкладку Документы на Панели Свойств. Нажмите кнопку Добавить документ. В диалоге открытия файлов укажите ассоциативный сборочный чертеж и нажмите Открыть. Нажмите кнопку Да в ответ на запрос системы относительно копирования данных из основной надписи чертежа. В окне Добавить документ не ставьте флажок Передавать изменения в документ. В графе наименование замените название Приспособление на Сборочный чертеж. Нажмите кнопку Создать объект на Панели свойств.
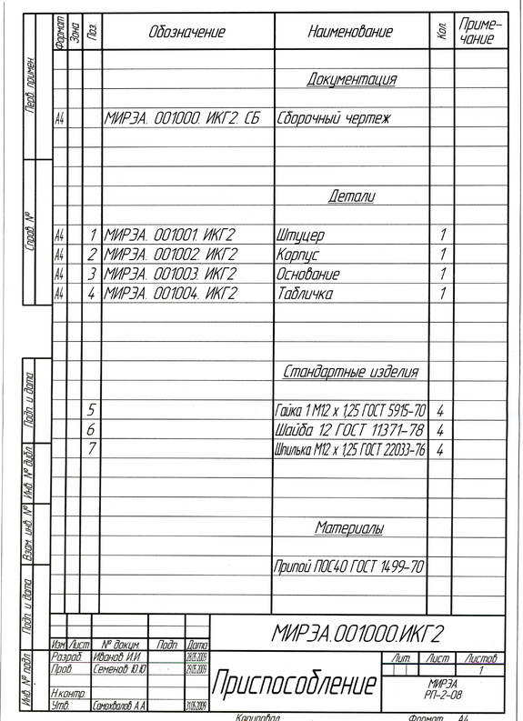
11. Перейдите в режим Разметка страниц и завершите заполнение основной надписи. Спецификация готова (рис.30).
Рис.30. Спецификация изделия Приспособление.
















