6CAD-CAE-19 МСЭ (1014138), страница 2
Текст из файла (страница 2)
После определения числа уровней задачи и способа разбиения на каждом уровне, т.е. построения иерархии всех составляющих подконструкций, можно переходить к следующему этапу расчета. Для всех базисных конечных элементов по известным геометрическим и физическим параметрам и вариантам нагружения, задаваемым в качестве исходных данных, составляются матрицы жесткости и векторы узловых усилий.
Группу базисных конечных элементов (объекты первого уровня) посредством узловых точек собирают вместе - образуются самостоятельные объекты второго уровня - подструктуры. Поскольку сборка осуществляется в строгом соответствии с иерархией подконструкций, подструктуры представляют собой модели вполне определенных подконструкций.
Жесткостные свойства подструктуры описываются в зависимости от значений перемещений во всех узловых точках матрицей жесткости подструктуры. Для ее сборки, кроме составляющих матриц жесткостей и векторов узловых усилий базисных конечных элементов, необходимо иметь информацию о способе соединения конечных элементов между собой. Перед сборкой следующего уровня в целях уменьшения порядка составляющих матриц строятся сокращенные модели подструктур - суперэлементы.
Существование таких сокращенных моделей связано с наличием у подструктур внутренних узловых точек, не используемых для соединения подструктур между собой в сборке следующего уровня. В связи с этим суперэлемент обладает только той частью свойств подструктуры, которая необходима для адекватного описания взаимодействия рассматриваемой подструктуры со смежными частями. Получив для всех подструктур второго уровня соответствующие суперэлементы, из них точно также, как и из базисных конечных элементов, собирают подструктуры третьего уровня и т.д. по всем уровням задачи, пока не будет построена модель, соответствующая полной конструкции.
Алгебраически эта модель представляется системой уравнений равновесия, матрицей коэффициентов и вектором правых частей, которой является матрица жесткости и вектор узловых усилий подструктуры самого верхнего уровня. В результате решения этой системы уравнений находят значение функции перемещения во всех узловых точках подструктуры.
В процессе решения накладываются кинематические и силовые граничные условия. Кинематические граничные условия реализуются в виде связей, накладываемых на узловые перемещения и ограничивающих свободу перемещений модели в пространстве. При этом совокупность кинематических связей должна полностью исключать смещение модели, как жесткого целого. Силовые граничные условия отражают внешние нагружения конструкции. Тем или иным способом эти нагружения приводятся к эквивалентным узловым нагрузкам, которые в алгебраической модели образуют векторы узловых усилий.
Как силовые, так и кинематические условия могут накладываться на подконструкции любого уровня (при условии, что узловая точка, к которой приводятся граничные условия, не была исключена на предыдущих уровнях.
Распределенные и сосредоточенные неузловые нагрузки, как отмечалось, приводятся к узловым. При этом необходимо иметь информацию о геометрических и физических параметрах модели. Поскольку такая информация в явном виде имеется только на уровне базисных конечных элементов, естественно ограничиться введением распределенных и неузловых нагрузок только на этом уровне. Сосредоточенные узловые усилия задаются на любом уровне. Введенные на некотором уровне узловые усилия в зависимости от условий задачи можно суммировать с уже имеющимися значениями правых частей, либо образовывать из них вектор нового варианта нагружения.
Порядок полученной на самом верхнем уровне сборки системы уравнений равновесия, зависящий от числа уровней и способа построения иерархии, может быть весьма небольшим. Системы уравнений МСЭ в отличие от систем МКЭ характеризуется меньшим порядком и большей заполненностью матриц. Кроме того, матрица коэффициентов остается симметричной, положительно определенной. Диагональные коэффициенты матрицы преобладают над побочными.
Решение упомянутой системы уравнений определяет перемещение в узловых точках подструктуры верхнего уровня. Далее последовательно вычисляют значения перемещений во всех узловых точках, исключенных из рассмотрения в процессе уровневой сборки. Отметим, что узловые перемещения любой подструктуры, включая подструктуру верхнего уровня, в силу проведенных построений являются узловыми для составляющих суперэлементов, или, что тоже самое, граничными узловыми перемещениями для подструктур предыдущего уровня. При известных значениях граничных узловых перемещений и заданной внешней нагрузке каждую подструктуру можно рассчитывать отдельно.
В результате решения таких небольших задач находят значения перемещений во внутренних узловых точках. Поскольку при многоуровневой формулировке задачи подструктуры с найденными узловыми перемещениями объединяют в себе несколько подструктур предыдущего уровня, то и для них (составляющих подструктур) аналогичным образом определяют внутренние узловые перемещения и т.д.
После полного прохода по всей иерархии с верхнего уровня, который соответствует исходной конструкции, до подструктур, составленных из базовых конечных элементов, получают значения перемещений во всех узловых точках. Воспользовавшись теперь заданной аппроксимацией перемещения на подобластях базовых конечных элементов, можно с помощью соотношений теории упругости найти компоненты напряженного и деформированного состояния в любой точке.
На этом заканчивается решение задачи.
Проиллюстрируем схему применения МСЭ на простом примере расчета сварного соединения.
Пример. Требуется найти распределение напряжений в поперечном сечении сварного соединения.В этом случае можно ограничиться решением плоской задачи. Благодаря симметрии конструкции сварного узла, внешней нагрузки и условий опирания относительно вертикальной плоскости, можно сформулировать задачу для одной половины конструкции. При этом действие отброшенной части заменяется дополнительными граничными условиями, называемыми условиями заделки по симметрии.
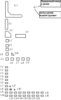
Принимая во внимание сделанные допущения, будем рассчитывать половину плоской модели таврового соединения. Перемещения, перпендикулярные к оси симметрии отсутствуют, что следует из условия заделки по симметрии. В результате разбиения на 4 уровня расчетная модель представляется тридцатью базисными конечными элементами прямоугольной и треугольной формы, которые имеют достаточно малые размеры для получения удовлетворительного решения. Уровни подконструкций нумеруются в обратном, по отношению к уровням разбиения, порядке.
На каждом уровне подконструкциям присваиваются порядковые номера.
Подконструкциям первого уровня соответствуют базисные конечные элементы плоского напряженного состояния с линейным изменением функции перемещений вдоль границ элементов. Будем использовать прямоугольные конечные элементы с четырьмя, а треугольные с тремя узловыми точками, расположенными в узлах. В качестве узловых неизвестных примем два перемещения в направлении осей ОХ и OY. После отыскания матриц жесткостей базисных конечных элементов 1.1-1.30 и вектора узловых усилий, эквивалентного внешней распределенной нагрузке, для конечного элемента 1.1, выполним сборку подструктур второго уровня. В матрицы жесткости подструктур 2.1-2.5 и 2.9 введем кинематические условия, исключающие неизвестные узловые перемещения, в направлении которых положены жесткие связи. Затем для подструктур второго уровня построим суперэлементы, обладающие свободой перемещения только в граничных узлах. Из суперэлементов второго уровня собираем подструктуры третьего уровня и т.д.
| Номер уровня разбиения | | Номер уровня подконструкции |
|
| 4 | |
|
3 II | ||
|
2 III | ||
| V | 1 |
Разрешающая система уравнений, описывающая равновесие полной конструкции на четвертом уровне, имеет порядок, равный 9. После определения значений перемещений в узлах на верхнем уровне последовательно находим полные векторы узловых неизвестных для подструктур предыдущих уровней. С этой целью следуя по иерархии подструктур и суперэлементов в направлении сверху вниз, на каждом уровне решаем задачи о равновесии подструктур при заданных перемещениях границ. При достижении уровня базисных конечных элементов для каждого из них вычисляем компоненты плоского напряженного состояния.
Полная схема сборки приведена далее на рисунке.
|
| Суперэлементы | |
| | ||
| Уровень № 3 | ||
| |
| |
| Уровень № 1 |
7.3. Концепция типовых объектов в МСЭ
Реальные конструкции, как правило, обладают симметрией и регулярностью, т.е. в своем составе имеют одинаковые, несколько раз повторяющиеся части. При расчете таких конструкций будут встречаться одинаковые конструкции, а следовательно, одинаковые подструктуры и суперэлементы. В таком случае из группы одинаковых подконструкций достаточно описать только одну, сформировать типовую подструктуру и суперэлемент. Очевиден выигрыш, связанный как с сокращением входных данных, так и с уменьшением общего объема вычислений.
В связи с этим в МСЭ вводится серия приемов - концепция типовых объектов.
Согласно этой концепции подструктуры можно объединять в один тип, если имеются совпадающие описания геометрических, физических и топологических свойств.
Внешние нагрузки, приложенные к подструктурам, могут отличаться. Для подструктур, принадлежащих к одному типу, достаточно построить только одну типовую подструктуру. С этой целью при одной матрице жесткости формируется несколько векторов узловых усилий, соответствующих отличным друг от друга нагрузкам, приложенным к подструктурам одного типа. Из типовой подструктуры может быть получено несколько типовых суперэлементов, различающихся количеством граничных узловых точек.
На этапе сборки матрица жесткости типового суперэлемента используется многократно, причем каждый раз из общего набора векторов узловых усилий выбирается один, соответствующий заданной внешней нагрузке. На последнем этапе алгоритма, при отыскании полных векторов перемещений подструктуры, объединенные в один тип, будут иметь различные значения векторов граничных перемещений.
Поясним сказанное на примере расчета балки-стенки прямоугольной формы, загруженной линейно-распределенной нагрузкой (см. рис. а).
Выполним разбиение так, чтобы подструктуры можно было объединить в один тип (б) и построим типовую подструктуру, состоящую из одной матрицы жесткости и трех векторов узловых усилий первой, второй и третьей подструктуры (в). Исключая из типовой структуры внутренние узлы, формируем типовой суперэлемент (г). При сборке полной модели три раза используем матрицу жесткости типового суперэлементами по одному разу - каждый из векторов узловых усилий (д). На последнем этапе расчета для определения перемещений во внутренних узлах типовую подструктуру рассчитываем для трех вариантов заданных граничных перемещений, отвечающих первой, второй и третьей подструктуре (е).
Применим концепцию типовых объектов для построения иерархии типовых подструктур и суперэлементов сварного узла. Первому уровню иерархии соответствует три базисных конечных элементов, причем прямоугольный конечный элемент 1.1 может иметь ненулевой или нулевой вектор узловых усилий. При сборке второго уровня этот вектор участвует только один раз в верхнем конечном элементе подструктуры 2.1. На втором уровне непосредственно собираются три подструктуры 2.1, 2.2 и 2.3, а четвертая подструктура 2.4 получена из 2.3 после ведения кинематических условий.
Для подструктуры 2.1 формируются три суперэлемента 2.1а, 2.1б, 2.1в, а для подструктуры 2.3 - два суперэлемента 2.3а и 2.3б, отличающиеся друг от друга числом и порядком расположения граничных узловых точек.
Из семи суперэлементов второго уровня собираются три подструктуры третьего уровня. Здесь суперэлемент 2.1.а в подструктуре 3.1 встречается также три раза, а его вектор узловых усилий использован один раз.
Из сопоставления схемы сборки с учетом и без учета концепции типовых объектов следует, что наибольший выигрыш получается на низших уровнях иерархии, где степень повторяемости типовых элементов выше.
В расчетах реальных объектов матрицы жесткости подструктур верхних уровней, как правило, имеют большие размеры, поэтому и выигрыш от использования подобной концепции будет существенным даже при малом числе повторений.
Иерархическая схема сборки модели сварного узла при использовании концепции типовых объектов
| Подструктуры | Суперэлементы | |
| Уровень № 4 |
| |
| Уровень № 3 |
| |
| | ||
| Уровень № 1 |
Если вернуться к проблемам алгоритмизации метода суперэлементов, то надо сказать, что сложность этих проблем применительно к МСЭ многократно возрастает. Это происходит, во-первых, вследствие резкого увеличения объемов и усложнения характера взаимодействия многочисленных массивов данных в процессе решения задачи, во-вторых, из-за появления процедур вообще отсутствовавших в обычном алгоритме МКЭ.
Обратившись к изложенной ранее схеме расчета по МСЭ, отметим, что не все этапы расчета обеспечены машинными программами. Так, в ряде случаев процедуры последовательного разбиения конструкции, анализа регулярности и формирования иерархии подструктур могут выполняться вручную, например, когда отсутствуют или недостаточно эффективны средства автоматической подготовки данных, которые как раз и обеспечивают соответствующие шаги алгоритма.
Как уже говорилось, возникновение метода суперэлементов было связано с ограниченностью ресурсов вычислительной техники. Конечноэлементная модель просто не умещалась полностью в оперативной памяти компьютера. Поэтому предварительное исключение неизвестных было необходимо. В настоящее время эта причина во многом устранена, благодаря технологическому прорыву 90-х годов в области вычислительной техники. Задачи с 70-ью тысячами узлов примерно 4*10Э неизвестных) сейчас решаются на персональном компьютере с оперативной памятью 512 МБ.
Подконструкции всех уровней
I
Подструктуры
Уровень № 4
Уровень № 2
Уролвень № 2















