rpd000007660 (1011191), страница 5
Текст из файла (страница 5)
| ВАРИАНТ 10 | ОТВЕТЫ | ||||
| 1 | В цепи синусоидального переменного тока с напряжением u = 127∙sin(314∙t +900) определить частоту подводимого напряжения. | 1. 40 Гц | |||
| 2. 1000 Гц | |||||
| 3. 400 Гц | |||||
| 4. 50 Гц | |||||
| 5. Другое | |||||
| 2 | В цепи синусоидального переменного тока напряжением U = 220 В и R = XC = XL = 44 Ом определить показание ваттметра. | 1. 3000 Вт | |||
| 2. 2200 Вт | |||||
| 3. 1100 Вт | |||||
| 4. 1200 Вт | |||||
| 5. Другое | |||||
| 3 | Определить индуктивное сопротивление обмотки электродвигателя, если полное сопротивление его обмотки 0,5 Ом, а активное 0,4 Ом. | 1. 0,2 Ом | |||
| 2. 1 Ом | |||||
| 3. 2,4 Ом | |||||
| 4. 0,3 Ом | |||||
| 5. Другое | |||||
| 4 | Какой из треугольников мощностей или сопротивлений соответствует данной схеме: | 1. 1 | |||
| 2. 2 | |||||
| 3. 3 | |||||
| 4. 4 | |||||
| 5. Другое | |||||
| 5 | Указать векторную диаграмму для схемы при XL > XC: | 1. 1 | |||
| 2. 2 | |||||
| 3. 3 | |||||
| 4. 4 | |||||
| 5. Другое | |||||
| ВАРИАНТ 11 | ОТВЕТЫ | ||
| 1 | Определить величину емкостного сопротивления конденсатора, включенного в цепь синусоидального переменного тока частотой 50 Гц, если C = 45,5 мкФ. | 1. 82 Ом | |
| 2. 54 Ом | |||
| 3. 60 Ом | |||
| 4. 70 Ом | |||
| 5. Другое | |||
| 2 | Определить активную мощность, отдаваемую генератором однофазного переменного тока в сеть, если вольтметр электромагнитной системы на щите генератора показал 220 В, амперметр электромагнитной системы показал 10 А, фазометр показал cos φ = 0,8. | 1. 2,1 кВт | |
| 2. 1,76 кВт | |||
| 3. 2,32 кВт | |||
| 4. 0,96 кВт | |||
| 5. Другое | |||
| 3 | В цепи синусоидального переменного тока с Uab = 50 В, Ubd = 40 В, XL = XC. Определить Uad.
| 1. 10 В | |
| 2. 25 В | |||
| 3. 30 В | |||
| 4. 90 В | |||
| 5. Другое | |||
| 4 | В цепи синусоидального переменного тока напряжение и ток изменяются по законам: u = 200∙sin(314∙t + 900) i = 20∙sin(314∙t + 300) Определить активную мощность цепи. | 1. 500 Вт | |
| 2. 1000 Вт | |||
| 3. 400 Вт | |||
| 4. 600 Вт | |||
| 5. Другое | |||
| 5 | Указать на векторной диаграмме вектор тока I в неразветвленном участке цепи при параллельном соединении катушки индуктивности и конденсатора. | 1. 1 | |
| 2. 2 | |||
| 3. 3 | |||
| 4. 4 | |||
| 5. Другое | |||
| ВАРИАНТ 13 | ОТВЕТЫ | |||||
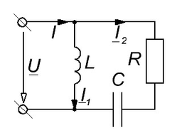
| 1 | Определить показания приборов, если: U = 100 В; R = 10 Ом; XC = 10 Ом. | 1. | ||||
| 2. | ||||||
| 3. | ||||||
| 4. | ||||||
| 5. Другое | ||||||
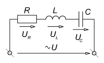
| 2 | Определить напряжение UL, если: UR =30 В, UC = 20 В, U = 50 В. | 1. 50 В | ||||
| 2. 60 В | ||||||
| 3. 30 В | ||||||
| 4. 20 В | ||||||
| 5. Другое | ||||||
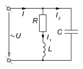
| 3 | Определить активную мощность цепи, если: I = 5 А, I1= 3 А, I2= 4 А, R = 20 Ом. | 1. 1000 Вт | ||||
| 2. 500 Вт | ||||||
| 3. 750 Вт | ||||||
| 4. 1500 Вт | ||||||
| 5. Другое | ||||||
| 4 | Какая из диаграмм справедлива для цепи: | 1. 1 | ||||
| 2. 2 | ||||||
| 3. 3 | ||||||
| 4. 4 | ||||||
| 5. Другое | ||||||
| 5 | Определить реактивную мощность цепи, если: i = 2,82 sin (314 t + 500); u = 28,2 sin (314 t + 800). | 1. 10 вар | ||||
| 2. 15 вар | ||||||
| 3. 20 вар | ||||||
| 4. 50 вар | ||||||
| 5. Другое | ||||||
| ВАРИАНТ 14 | ОТВЕТЫ | |||
| 1 | Определить период синусоидального переменного тока, если частота равна 50 Гц. | 1. 0,01 с | ||
| 2. 0,02 с | ||||
| 3. 0,03 с | ||||
| 4. 0,04 с | ||||
| 5. Другое | ||||
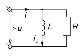
| 2 | Определить величину тока в катушке индуктивности, если к ней подведено синусоидальное переменное напряжение U = 100 В, RK = 60 Ом, XLK = 80 Ом. | 1. 1 А | ||
| 2. 2 А | ||||
| 3. 3 А | ||||
| 4. 4 А | ||||
| 5. Другое | ||||
| 3 | Определить активную мощность однофазного переменного тока, если вольтметр электромагнитной системы показал 120 В, амперметр электромагнитной системы 3 А, фазометр 0,6. | 1. 360 Вт | ||
| 2. 144 Вт | ||||
| 3. 198 Вт | ||||
| 4. 216 Вт | ||||
| 5. Другое | ||||
| 4 | В электрической цепи U = 10 В, UC = 4 В, UR = 6 В. Определить UL при XL > XC. | 1. 4 В | ||
| 2. 6 В | ||||
| 3. 10 В | ||||
| 4. 12 В | ||||
| 5. Другое | ||||
| 5 | Указать на векторной диаграмме активную составляющую тока в катушке индуктивности при параллельном соединении катушки с идеальным конденсатором. | 1. 1 | ||
| 2. 2 | ||||
| 3. 3 | ||||
| 4. 4 | ||||
| 5. 5 | ||||
















