rpd000007660 (1011191), страница 4
Текст из файла (страница 4)
| ВАРИАНТ 5 | ОТВЕТЫ | ||
| 1 | Какое значение напряжения измеряет вольтметр электродинамической системы? 1 – мгновенное; 2 – действующее; 3 – среднее; 4 – амплитудное. | 1. 1 | |
| 2. 2 | |||
| 3. 3 | |||
| 4. 4 | |||
| 5. Другое | |||
| 2 | Определить действующее значение напряжения, изменяющееся по закону: u = 282 sin (314 t + 600) | 1. 160 В | |
| 2. 200 В | |||
| 3. 140 В | |||
| 4. 282 В | |||
| 5. Другое | |||
| 3 | В цепь синусоидального переменного тока с напряжением 120 В включены последовательно индуктивная катушка с R = 60 Ом и XL = 30 Ом и идеальный конденсатор с XС = 30 Ом. Определить ток в цепи. | 1. 1 А | |
| 2. 6 А | |||
| 3. 2 А | |||
| 4. 3 А | |||
| 5. Другое | |||
| 4 | Определить ток I, если: U = 60 В; XL = 30 Ом; XС = 40 Ом. | 1. 1 А | |
| 2. 0,5 А | |||
| 3. 1,5 А | |||
| 4. 2 А | |||
| 5. Другое | |||
| 5 | Какая из векторных диаграмм соответствует электрической цепи из последовательно соединенных резистора R, идеальных индуктивной катушки L и конденсатора С, если R = XL = XС. | 1. 1 | |
| 2. 2 | |||
| 3. 3 | |||
| 4. 4 | |||
| 5. Другое | |||
| ВАРИАНТ 6 | ОТВЕТЫ | ||
| 1 | Определить частоту синусоидального переменного тока, если его период равен 25×10-4 с. | 1. 400 Гц | |
| 2. 50 Гц | |||
| 3. 100 Гц | |||
| 4. 200 Гц | |||
| 5. Другое | |||
| 2 | Определить напряжение сети, которое необходимо приложить к зажимам катушки индуктивности, чтобы создать в ней ток 2 А, если RK = 30 Ом, XL = 40 Ом. | 1. 80 В | |
| 2. 120 В | |||
| 3. 60 В | |||
| 4. 100 В | |||
| 5. Другое | |||
| 3 | Определить активную и реактивную мощность цепи, если: i = 4 sin (ω t – 450) u = 100 sin (ω t – 450) | 1. P = 0 Вт Q = 200 вар | |
| 2. P = 100 Вт Q = 200 вар | |||
| 3. P = 200 Вт Q = 0 вар | |||
| 4. P = 200 Вт Q = 200 вар | |||
| 5. Другое | |||
| 4 | Указать формулу полной проводимости при параллельном соединении индуктивности L, емкости C и резистора R: | 1. 1 | |
| 2. 2 | |||
| 3. 3 | |||
| 4. 4 | |||
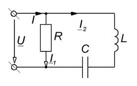
| 5 | Определить показания электромагнитных амперметров А1 и А2, если к цепи подведено напряжение U = 60 В, R1 = 10 Ом R2 = 6 Ом XL = 8 Ом | 1. I1 = 6 А I2 = 4,3 А | |
| 2. I1 = 6 А I2 = 6 А | |||
| 3. I1 = 10 А I2 = 6 А | |||
| 4. I1 = 10 А I2 = 4,3 А | |||
| 5. Другое | |||
| ВАРИАНТ 7 | ОТВЕТЫ | ||||
| 1 | В цепи синусоидального переменного тока с U = 120 В, R = XL = XC = 60 Ом. Определить показание ваттметра. | 1. 240 Вт | |||
| 2. 100 Вт | |||||
| 3. 400 Вт | |||||
| 4. 160 Вт | |||||
| 5. Другое | |||||
| 2 | Указать временную диаграмму тока, начальная фаза которого ψi = +450. | 1. 1 | |||
| 2. 2 | |||||
| 3. 3 | |||||
| 4. 4 | |||||
| 5. Другое | |||||
| 3 | В цепи синусоидального переменного тока с Uab = 90 В, R = 5 Ом, XL = XC = 1 Ом. Определить UС. | 1. 14 В | |||
| 2. 18 В | |||||
| 3. 12,8 В | |||||
| 4. 16 В | |||||
| 5. Другое | |||||
| 4 | В цепи синусоидального переменного тока напряжение и ток изменяются по законам: u = 120∙sin(1256∙t +1200) i = 5∙sin(1256∙t +600) Определить активную мощность цепи. | 1. 120 Вт | |||
| 2. 150 Вт | |||||
| 3. 180 Вт | |||||
| 4. 100 Вт | |||||
| 5. Другое | |||||
| 5 | Какая векторная диаграмма верна для схемы при XL > XC : | 1. 1 | |||
| 2. 2 | |||||
| 3. 3 | |||||
| 4. 4 | |||||
| 5. Другое | |||||
| ВАРИАНТ 8 | ОТВЕТЫ | |
| 1 | Какой характер нагрузки имеет цепь переменного тока, у которой ток и напряжение записаны в виде: I = I∙ej20 [A], U = U∙ej80 [B]. 1 – активно-индуктивный; 2 – индуктивный; 3 – активно-емкостной; 4 – емкостной. | 1. 1 |
| 2. 2 | ||
| 3. 3 | ||
| 4. 4 | ||
| 5. Другое | ||
| 2 | Определить полное сопротивление цепи переменного тока, если резистор и конденсатор включены последовательно и XC = R = 10 Ом. | 1. 10,4 Ом |
| 2. 20,8 Ом | ||
| 3. 5,9 Ом | ||
| 4. 14,1 Ом | ||
| 5. Другое | ||
| 3 | Определить амплитудное значение напряжения, если u = Um∙sin(ω∙t + π/6) и в момент t = 0 напряжение u(0) = 60 В. | 1. 60 В |
| 2. 120 В | ||
| 3. 30 В | ||
| 4. 100 В | ||
| 5. Другое | ||
| 4 | Указать правильное аналитическое выражение для токов i1, i2, i3:
| 1. |
| 2. | ||
| 3. | ||
| 4. | ||
| 5. Другое | ||
| 5 | Определить напряжение на катушке с активным сопротивлением 3 Ом и индуктивным 4 Ом, если комплекс тока равен: I = (2 + j∙3) [А]. | 1. 5 В |
| 2. 13 В | ||
| 3. 18 В | ||
| 4. 25 В | ||
| 5. Другое |
| ВАРИАНТ 9 | ОТВЕТЫ | ||
| 1 | Определить подводимое напряжение, если при последовательном соединении катушки и конденсатора в цеп ток 0,5 А, а R = XC = XL = = 20 Ом. | 1. 8 В | |
| 2. 12 В | |||
| 3. 24 В | |||
| 4. 10 В | |||
| 5. Другое | |||
| 2 | Формула для расчета индуктивной проводимости катушки, содержащей R и XL: | 1. 1 | |
| 2. 2 | |||
| 3. 3 | |||
| 4. 4 | |||
| 5. Другое | |||
| 3 | Определить величину подводимого напряжения при последовательном соединении катушки и конденсатора, если: UR = UC = UL =150 В. | 1. 50 В | |
| 2. 100 В | |||
| 3. 150 В | |||
| 4. 75 В | |||
| 5. Другое | |||
| 4 | Указать вектор напряжения на активном сопротивлении катушки при последовательном соединении катушки и конденсатора. | 1. 1 | |
| 2. 2 | |||
| 3. 3 | |||
| 4. 4 | |||
| 5. Другое | |||
| 5 | Характер нагрузки какой из цепей указан неправильно, если R = XC = = XL | 1. 1 | |
| 2. 2 | |||
| 3. 3 | |||
| 4. 4 | |||
| 5. Другое | |||
















