Белов - БЖД (1006305), страница 48
Текст из файла (страница 48)
Конструкция и материал ограждающих устройств определяются особенностями оборудования и технологического процесса в целом. Ограждения выполняют в виде сварных и литых кожухов, решеток, сеток на жестком каркасе, а также в виде жестких сплошных щитов (щитков, экранов). Размеры ячеек в сетчатом и решетчатом ограждении определятся в соответствии с ГОСТ 12.2.062–81*. В качестве материала ограждений используют металлы, пластмассы, дерево. При необходимости наблюдения за рабочей зоной кроме сеток и решеток применяют сплошные оградительные устройства из прозрачных материалов (оргстекла, триплекса и т. д.).
Чтобы выдерживать нагрузки от отлетающих при обработке частиц и случайные воздействия обслуживающего персонала, ограждения должны быть достаточно прочными и хорошо крепиться к фундаменту или частям машины. При расчете на прочность ограждений машин и агрегатов для обработки металлов и дерева необходимо учитывать возможность вылета и удара об ограждение обрабатываемых заготовок.
Расчет ограждений ведется по специальным методикам [5.2].
5.3. СРЕДСТВА АВТОМАТИЧЕСКОГО КОНТРОЛЯ И СИГНАЛИЗАЦИИ
Наличие контрольно-измерительных приборов – одно из условий безопасной и надежной работы оборудования. Это приборы для измерения давления, температур, статических и динамических нагрузок, концентраций паров и газов и др. Эффективность их использования повышается при объединении их с системами сигнализации, как это имеет место в газосигнализаторах, срабатывающих при определенных уровнях концентрации паров, газов, пыли в воздухе.
Устройства автоматического контроля и сигнализации подразделяют: по назначению – на информационные, предупреждающие, аварийные и ответные; по способу срабатывания – на автоматические и полуавтоматические; по характеру сигнала – на звуковые, световые, цветовые, знаковые и комбинированные; по характеру подачи сигнала – на постоянные и пульсирующие.
Информативную сигнализацию используют для согласования действий работающих, в частности крановщиков и стропальщиков. Такую же сигнализацию применяют в шумных производствах, где нарушена речевая связь. Подвидом информативной сигнализации являются всякого рода схемы, указатели, надписи. Как правило, надписи делают непосредственно на оборудовании либо в зоне его обслуживания на специальных табло.
Устройства предупредительной сигнализации предназначены для предупреждения об опасности. Чаще всего в них используют световые и звуковые сигналы, поступающие от различных приборов, регистрирующих ход технологического процесса, в том числе уровень опасных и вредных факторов. Большое применение находит предупредительная сигнализация, опережающая включение оборудования или подачу высокого напряжения. К предупредительной сигнализации относятся указатели и плакаты: «Не включать –работают люди», «Не входить», «Не открывать – высокое напряжение» и др.
Указатели желательно выполнять в виде световых табло с переменной по времени (мигающей) подсветкой.
Подвидом предупредительной сигнализации является сигнальная окраска. Травмоопасные элементы оборудования выделяют чередующимися (под углом 45° к горизонтали) полосами желтого и черного цвета. На станках в красный цвет окрашивают обратные стороны дверец, ниш для электрооборудования, а также поверхности схода стружки.
Знаки безопасности установлены ГОСТ 12.4.026–76*. Они могут быть запрещающими, предупреждающими, предписывающими и указательными и отличаются друг от друга формой и цветом. В производственном оборудовании и в цехах применяют предупредительные знаки, представляющие собой желтый треугольник с черной полосой по периметру, внутри которого располагается какой-либо символ (черного цвета). Например, при электрической опасности –это молния, при опасности травмирования перемещаемым грузом – груз, при опасности скольжения – падающий человек, при прочих опасностях – восклицательный знак.
Запрещающий знак – круг красного цвета с белой каймой по периметру и черным изображением внутри. Предписывающие знаки представляют собой синий круг с белой каймой по периметру и белым изображением в центре, указательные –синий прямоугольник.
Предупреждающий знак радиационной опасности имеет символ и кайму красного цвета. Указательные знаки средств пожаротушения имеют символ красного цвета на белом фоне, остальные черного.
5.4. ЗАЩИТА ОТ ОПАСНОСТЕЙ АВТОМАТИЗИРОВАННОГО И РОБОТИЗИРОВАННОГО ПРОИЗВОДСТВА
Она обеспечивается прежде всего технологией проведения работ. Для периодической смены инструмента, регулировки и подналадки станков с ЧПУ и автоматов, их смазывания и чистки, а также для мелкого ремонта в цикле работы автоматической линии должно быть предусмотрено специальное время. Все перечисленные работы должны выполняться на обесточенном оборудовании. Требования безопаснос
Ри. 5.10. Схема защитного заземления в сети с изолированной нейтралью
1 – трансформатор, 2 – сеть, 3 – корпус токоприемника, 4–обмотка электродвигателя, 5–заземлитель. 6– сопротивление заземления нейтрали (условно)
ти к промышленным работам и робототехническим комплексам установлены ГОСТ 12.2.072–82.Контроль за обеспечением оборудования средствами защиты от механического травмирования и за их исправностью возложен на службу главного механика предприятий и на механиков подразделений.
5.5. СРЕДСТВА ЭЛЕКТРОБЕЗОПАСНОСТИ
П
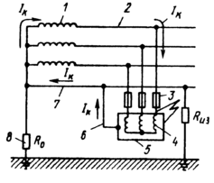
Рис. 5.11. Схема зануления в трехфазной четырехпроводной сети с заземленной нейтралью
1 – трансформатор, 2 – сеть, 3 – предохранитель, 4 – обмотка электродвигателя, 5–корпус электродвигателя, 6–зануляющий проводник, 7–нулевой защитный проводник, 8–сопротивление заземления нейтрали
овышение электробезопасности в установках достигается применением систем защитного заземления, зануления, защитного отключения и других средств и методов защиты, в том числе знаков безопасности и предупредительных плакатов и надписей. В системах местного освещения, в ручном электрофицированном инструменте и в некоторых других случаях применяют пониженное напряжение.Требования к устройству защитного заземления и зануления электрооборудования определены ПУЭ*, в соответствии с которыми они должны устраиваться при номинальном напряжении 380 В и выше переменного и 440 В и выше постоянного тока. В условиях работ в помещениях с повышенной опасностью и особо опасных они должны выполняться в установках с напряжением питания > 42 В переменного и > 110 В постоянного тока. Защитному заземлению или занулению подлежат металлические части электроустановок, доступные для прикосновения человека, которые могут оказаться под напряжением в результате повреждения изоляции.
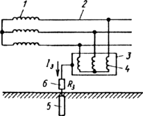
Защитное заземление представляет собой преднамеренное электрическое соединение металлических частей электроустановок с землей или ее эквивалентом (водопроводными трубами и т п ). Схема защитного заземления представлена на рис. 5.10.
При пробое изоляции токоведущих частей на корпус, изолированный от земли, он оказывается под фазовым напряжением Uф. В этом случае ток, проходящий через человека,
I4=Ucp/(R4+Rсиз)
где R4 – сопротивление тела человека; Rсиз – сопротивление средств индивидуальной защиты; при их отсутствии Rсиз = 0.
При наличии заземления вследствие отекания тока на землю напряжение прикосновения уменьшается и, следовательно, ток, проходящий через человека, оказывается меньше, чем в незаземленной установке. Чтобы напряжение на заземленном корпусе оборудования было минимальным, ограничивают сопротивление заземления. В установках 380/220 В она должна быть не более 4 Ом, в установках 220/127 В–не более 8 Ом. Если мощность источника питания не превышает 100 кВА, сопротивление заземления может быть в пределах 10 Oм.
В качестве заземляющих устройств электроустановок в первую очередь должны быть использованы естественные заземлители Возможно применение железобетонных фундаментов промышленных зданий и сооружений При отсутствии естественных заземлителей допускается применение переносных заземлителей, например, ввинчиваемых в землю стальных труб, стержней, уголков. После заглубления в землю они должны иметь концы длиной 100…200 мм над поверхностью земли, к которым привариваются соединительные проводники. Категорически запрещается использовать в качестве заземлителей трубопроводы с горючими жидкостями и газами
Зануление состоит в преднамеренном соединении металлических нетоковедущих частей оборудования, которые могут оказаться под напряжением вследствие пробоя изоляции, с нулевым защитным проводником (рис. 5.11). При замыкании любой фазы на корпус образуется контур короткого замыкания, характеризуемый силой тока весьма большой величины, достаточной для «выбивания» предохранителей в фазных питающих проводах. Таким образом электроустановка обесточивается. Предусматривается повторное заземление нулевого проводника на случай обрыва нулевого провода на участке, близком к нейтрали. По этому заземлению ток стекает на землю, откуда попадает в заземление нейтрали, по нему во все фазные провода, включая имеющий пробитую изоляцию, далее на корпус. Таким образом образуется контур короткого замыкания.
З
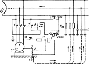
Рис 512 Принципиальная схема устройства защитного отключения:
1–реле максимального тока, 2–трансформатор тока. 3–проводник, 4–заземлитсль; 5– электродвигатель. 6–пускатель, 7–блок-контакты. 8–сердечник. 9–катушка пускателя; 10, 12, 13 – кнопки, 11 – вспомогательное сопротивление
ащитное отключение электроустановок обеспечивается путем введения устройства, автоматически отключающего оборудование – потребитель тока при возникновении опасности поражения током. Схемы отключающих автоматических устройств весьма разнообразны. Во всех случаях система срабатывает на превышение какого-либо параметра в электрических цепях технологического оборудования (силы тока, напряжения, сопротивления изоляции). На рис. 5.12 представлена схема защитного отключения с использованием реле максимального тока.Повышение электробезопасности достигается также путем применения изолирующих, ограждающих, предохранительных и сигнализирующих средств защиты.
Изолирующие электрозащитные средства делятся на основные и дополнительные. Основные изолирующие электрозащитные средства способны длительное время выдерживать рабочее напряжение электроустановки, и поэтому ими разрешается касаться токоведущих частей, находящихся под напряжением, и работать на этих частях. К таким средствам относятся: в электроустановках напряжением до 1000 В – диэлектрические резиновые перчатки, инструмент с изолирующими рукоятками и указатели напряжения до 1000 В (ранее назывались токоискателями); в электроустановках напряжением выше 1000 В – изолирующие штанги, изолирующие и электроизмерительные клещи, а также указатели напряжения выше 1000 В.
Дополнительные изолирующие электрозащитные средства обладают недостаточной электрической прочностью и поэтому не могут самостоятельно защищать человека от поражения током. Их назначение – усилить защитное действие основных изолирующих средств, вместе с которыми они должны применяться. К дополнительным изолирующим средствам относятся: в электроустановках напряжением до 1000 В –диэлектрические галоши, коврики и изолирующие подставки; в электроустановках напряжением выше 1000 В –диэлектрические перчатки, боты, коврики, изолирующие подставки.
Ограждающие средства защиты предназначены для временного ограждения токоведущих частей (временные переносные ограждения, щиты, ограждения-клетки, изолирующие накладки, изолирующие колпаки).
Сигнализирующие средства включают запрещающие и предупреждающие знаки безопасности, а также плакаты: запрещающие, предостерегающие, разрешающие, напоминающие. Чаще всего используется предупреждающий знак «Проход запрещен».
Предохранительные средства защиты предназначены для индивидуальной защиты работающего от световых, тепловых и механических воздействий. К ним относят: защитные очки, противогазы, специальные рукавицы и т. п.
5.6. СРЕДСТВА ЗАЩИТЫ ОТ СТАТИЧЕСКОГО ЭЛЕКТРИЧЕСТВА
Величина потенциалов зарядов искусственного статического электричества на ременных передачах и лентах конвейеров может достигать 40 кВ, при механической обработке пластмасс и дерева до 30 кВ, при распылении красок до 12 кВ. При соответствующих условиях происходит пробой воздушной прослойки, сопровождающийся искровым разрядом (пробивное сопротивление абсолютно сухого воздуха составляет 3000 кВ/м), что может инициировать взрыв или пожар.
Основные мероприятия, применяемые для защиты от статического электричества производственного происхождения, включают методы, исключающие или уменьшающие интенсивность генерации зарядов, и методы, устраняющие образующиеся заряды. Интенсивность генерации зарядов можно уменьшить соответствующим подбором пар трения или смешиванием материалов таким образом, что в результате трения один из смешанных материалов наводит заряд одного знака, а другой –другого. В настоящее время создан комбинированный материал из найлона и дакрона, обеспечивающий защиту от статического электричества по этому принципу.
Изменением технологического режима обработки материалов также можно добиться снижения количества генерируемых зарядов (уменьшение скоростей обработки, скоростей транспортирования и слива диэлектрических жидкостей, уменьшение сил трения).
При заполнении сыпучими веществами или жидкостями диэлектриками резервуаров на входе в них применяют релаксационные емкости, чаще всего в виде заземленного участка трубопровода увеличенного диаметра, обеспечивающего стекание всего заряда статического электричества на землю.















