Курсовая ТОЭ 18б вар (1004899)
Текст из файла
48
Курсовая работа
по электротехнике
Вариант №18б
Студент: Штыркин В.В.
Группа: РТ4-51
Преподаватель: Тарасенко И.А.
2016г.
Содержание
Описание схемы……………………………………………………………………….…………..5
1. Расчет источника гармонических колебаний 7
1.1.Определение всех токов, показаний вольтметра и амперметра электромагнитной системы……………… 7
1.2.Расчет баланса мощностей. 9
1.3.Мгновенные значения тока и напряжения первичной обмотки трансформатора Т1 и их волновая диаграмма. 10
1.4.Расчет ИГК методом эквивалентного источника относительно первичной обмотки трансформатора. 12
1.5.Определение индуктивностей и взаимных индуктивностей. 13
2. Расчет четырехполюсника 15
2.1. Расчет токов и напряжений четырехполюсника методом входного сопротивления 15
2.2. Мгновенные значения токов и напряжений 18
2.3. Определение реактивного сопротивления. 19
2.4. Определение передаточных функций
,
21
2.5. Определение и построение амплитудно- и фазочастотной характеристик. 22
2.6. Построение годографа комплексной передаточной функции 23
3. Расчет установившихся значений токов и напряжений в электрических цепях при несинусоидальном воздействии 24
3.1. Расчет законов изменения тока
и напряжения
частотным методом 24
3.2. Построение графиков
,
,
,
26
3.3. Определение действующих значений несинусоидальных токов и напряжений, полной мощности, а также активной мощности, потребляемую четырехполюсником. 29
3.4. Замена несинусоидальных кривых
,
эквивалентными синусоидами 30
4. Расчет переходных процессов классическим методом 32
4.1. Определение и построение переходной и импульсной характеристики цепи для входного тока и выходного напряжения 32
4.2. Расчет и построение графиков изменения тока
и напряжения
четырехполюсника 36
4.3. Расчет и построение графиков напряжения на выходе
, а также токи на входе
и в индуктивности в квазиустановившемся режиме на интервале
методом припасовывания 40
ВЫВОДЫ 46
Список литературы, использованной в работе 48
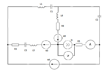
Описание схемы:
Рис 1.а Структурная схема электрической цепи
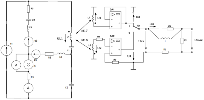
| Рис. 1.б Общая функциональная схема |
Схема источника гармонических колебаний состоит из источника ЭДС и тока одинаковой частоты и пассивных элементов разного характера, соединенных определенным образом (см. рис. 1.б).
Роль первичной обмотки линейного трансформатора (ТР) выполняет индуктивность L1, входящая в состав источника. При этом последовательно с индуктивностью не включен источник тока и ток в этой ветви не равен нулю.
Напряжение
вторичной обмотки
ТР подается на вход повторителя, собранного на операционном усилителе (ОУ) DA1. Ориентировочные параметры такого усилителя следующие
МОм,
Ом,
,
МГц, где
– коэффициент усиления по напряжению, а
– верхняя рабочая частота. Для работы ОУ к нему необходимо подвести напряжение питания
В. В приведенных ниже расчетах характеристики ОУ идеализированы. При этом считается, что входная проводимость и выходное сопротивление равны нулю, а коэффициент усиления имеет бесконечно большое значение. Выходное напряжение повторителя
, мощность входного сигнала равна нулю, а мощность выходного может принимать любое значение в зависимости от нагрузки.
Напряжение
со вторичной обмотки
ТР подается на инвертирующий вход компаратора – порогового элемента, преобразующего гармоническое (синусоидальное) колебание в разнополярные импульсы прямоугольной формы:
В при
,
В при
. Компаратор собран на ОУ DA2 с разомкнутой отрицательной обратной связью (ООС). В цепи без ООС коэффициент усиления ОУ оказывается чрезвычайно большим и синусоидальный сигнал преобразуется в прямоугольный. Следует обратить внимание, что напряжение
и
находятся в противофазе. Токи во вторичных обмотках ТР для идеальных ОУ
равны нулю, поэтому нагрузка трансформатора никакого влияния на активный двухполюсник не оказывает. Переключатель Кл позволяет переключать заданную схему четырехполюсника либо к выходу повторителя, либо к выходу компаратора. Переключение из одного положения в другое происходит мгновенно. В исходном (начальном) состоянии переключатель Кл находится в положении 1 (см. рис. 1.б). Изменение положения переключателя вызывает в схеме четырехполюсника изменение режима работы и возникновение переходного процесса.
1.Расчет источника гармонических колебаний
1.1 . Определение всех токов, показаний вольтметра и амперметра электромагнитной системы.
Исходная схема источника гармонических колебаний (ИГК) и данные к курсовой работе.
Дано:
Перевод исходных данных в комплексную форму:
Соответствующая эквивалентная схема:
Воспользуемся методом контурных токов (МКТ):
Определим показание амперметра:
Амперметр измеряет действующее значение
:
Определим показание вольтметра:
1.2. Составить и рассчитать баланс мощностей.
Полная комплексная мощность источников должна быть равна полной комплексной мощности потребителей:
Получаем, что
=
. Следовательно, расчет токов, произведенный по МКТ, был правилен, так как это было подтверждено составлением уравнения баланса мощностей.
1.3. Записать мгновенные значения тока и напряжения первичной обмотки трансформатора Т1 и построить их волновую диаграмму.
За первичную обмотку выберем катушку №1:
. Следовательно, комплексной амплитуде тока:
соответствует мгновенное значение:
.
Комплексному значению напряжения:
соответствует мгновенное значение:
.
Рис. 1.3а Ток на первичной обмотке трансформатора
Рис. 1.3б Напряжение на первичной обмотке трансформатора
1.4. Представить исходную схему ИГК относительно первичной обмотки трансформатора эквивалентным источником (напряжения или тока). Определить его параметры и значение тока в первичной обмотке трансформатора. Сравнить значение тока со значением, полученным в пункте 1.1.
и
найдем методом контурных токов:
1.5. Определить значения Мpq, Мpn, Lp, Lq ТР из условия, что индуктивность первичной обмотки Ln известна, U1=5 В, U2=10 В, а коэффициент магнитной связи обмоток К следует выбрать самостоятельно из указанного диапазона: 0,5<K<0,95
1) Определим действующее значение взаимной индуктивности
, необходимой для получения на вторичной обмотке напряжения
:
Действующее значение:
, действующее значение тока
. Следовательно:
.
Мгновенное значение:
Коэффициент магнитной связи примем равным
. Определим значение индуктивности
:
2) Определим действующее значение взаимной индуктивности
, необходимой для получения на вторичной обмотке напряжения
:
Действующее значение:
, действующее значение тока
. Следовательно:
.
Мгновенное значение:
Коэффициент магнитной связи примем равным
. Определим значение индуктивности
:
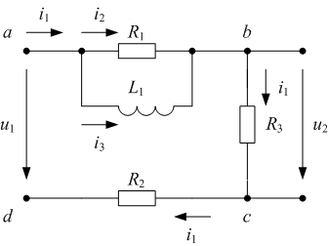
2. Расчет четырехполюсника
2.1. Расчет токов и напряжений четырехполюсника методом входного сопротивления
Рис.2.1
Ток в неразветвленной части схемы определяется формулой:
где
- комплексное входное сопротивление схемы.
Подставляя в (2) соответствующие значения из (1), (3),получим:
Ток
рассчитывается по формуле:
Ток
рассчитывается по формуле:
Рис. 2.1а Векторная диаграмма токов
Ток в неразветвленной части схемы равен геометрической сумме токов:
Рассчитаем падения напряжения на элементах схемы:
Рис. 2.1б Векторная диаграмма напряжений
Геометрическая сумма напряжений
,
,
равна входному напряжению
:
2.2. Мгновенные значения токов и напряжений
Мгновенное значение напряжения
задано по условию задания:
Действующее значение напряжения
рассчитывается по формуле:
Комплексное значение тока
(в тригонометрической форме) определяется формулой (4):
Для определения мгновенного значения тока
представим (14) в показательной форме:
где
Характеристики
Тип файла документ
Документы такого типа открываются такими программами, как Microsoft Office Word на компьютерах Windows, Apple Pages на компьютерах Mac, Open Office - бесплатная альтернатива на различных платформах, в том числе Linux. Наиболее простым и современным решением будут Google документы, так как открываются онлайн без скачивания прямо в браузере на любой платформе. Существуют российские качественные аналоги, например от Яндекса.
Будьте внимательны на мобильных устройствах, так как там используются упрощённый функционал даже в официальном приложении от Microsoft, поэтому для просмотра скачивайте PDF-версию. А если нужно редактировать файл, то используйте оригинальный файл.
Файлы такого типа обычно разбиты на страницы, а текст может быть форматированным (жирный, курсив, выбор шрифта, таблицы и т.п.), а также в него можно добавлять изображения. Формат идеально подходит для рефератов, докладов и РПЗ курсовых проектов, которые необходимо распечатать. Кстати перед печатью также сохраняйте файл в PDF, так как принтер может начудить со шрифтами.
















