Курсовая ТОЭ 18б вар (1004899), страница 2
Текст из файла (страница 2)
Комплексное значение выходного напряжения
(в тригонометрической форме) определяется формулой (9):
Для определения мгновенного значения напряжения
представим (4) в показательной форме:
где
Мгновенное значение выходного напряжения
:
Сдвиг фаз между выходным и входным напряжением:
Отношение действующих значений:
2.3. Определение реактивного сопротивления.
Для того, чтобы
и
совпадали по фазе, подключим к выходным зажимам конденсатор
(рис.2.3).
Рис.2.3
В этом случае комплексное входное сопротивление схемы определяется формулой:
После преобразования получим:
где
Для того, чтобы
и
совпадали по фазе,
должно быть чисто активным, т.е.
. Решая уравнение
Подставляя (6), (7) в (5), получим:
Значит, для того чтобы входной ток и напряжение совпали по фазе можно подсоединить к выходным клеммам емкость
, реактивное сопротивление которой равно 49 или 98 Ом.
Входной ток:
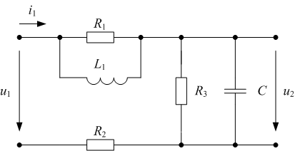
2.4. Определение передаточных функций
,
Уравнение четырехполюсника в операторной форме (при нулевых начальных условиях) описывается имеет вид:
Т.к.
то
Откуда передаточная функция четырехполюсника в операторной форме имеет вид:
Комплексная передаточная функция получается передаточной функции четырехполюсника в операторной форме путем формальной замены
:
2.5. Определение и построение амплитудно и фазочастотной характеристик.
Амплитудно-частотная характеристика (АЧХ)– это зависимость модуля комплексной передаточной функции от частоты:
Рис. 2.5(а) Амплитудно-частотная характеристика
На частоте входного напряжения
рад/с
.
Фазочастотная характеристика (ФЧХ)– это зависимость аргумента комплексной передаточной функции от частоты:
Рис. 2.5(б) Фазочастотная характеристика
На частоте входного напряжения
рад/с
.
Действующее значение выходного напряжения определяется с помощью модуля частотной характеристики по формуле:
Фазовый сдвиг выходного напряжения определяется с помощью аргумента частотной характеристики по формуле:
2.6. Построение годографа комплексной передаточной функции
Рис. 2.6 Годограф передаточной функции напряжения
3. Расчет установившихся значений токов и напряжений в электрических цепях при несинусоидальном воздействии
3.1. Расчет законов изменения тока
и напряжения
частотным методом
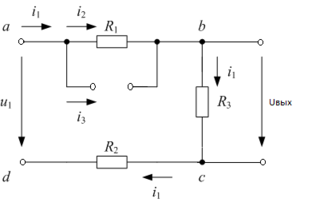
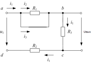
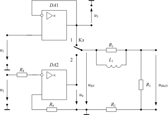
На рис.3.1 приведена схема, которая иллюстрирует условие задания.
Рис.3.1
Представим входное напряжение в виде ряда Фурье:
Отсюда:
Действующее значение напряжения на гармониках:
Просуммируем полученные значения токов на разных гармониках:
Найдем напряжение на гармониках:
;
Просуммируем полученные значения напряжений на разных гармониках:
3.2. Построение графиков
,
,
,
.
Рис.3.2а Прямоугольные импульсы
Рис.3.2б Входное напряжение
Рис.3.2в Входной ток
Рис.3.2г Выходное напряжение
Определим действующие значения несинусоидальных сигналов:
Определим реактивную мощность:
Найдём коэффициенты искажений по току и напряжению:
3.4. Заменить несинусоидальные кривые
,
эквивалентными синусоидальными.
Найдем разность фаз между входными напряжением и током:
Получим выражение эквивалентных синусоид для
и
:
4. Расчет переходных процессов классическим методом.
4.1. Определить и построить переходную и импульсную характеристики цепи для входного тока и выходного напряжения. Показать связь этих характеристик с передаточными функциями, АЧХ.
Определим независимые начальные условия (ННУ):
Характеристическое уравнение цепи (четырехполюсника) имеет вид:
Это уравнение имеет один вещественный корень:
Искомое решение имеет вид:
где
- постоянная интегрирования.
Постоянная интегрирования
находится из начальных условий для тока в катушке:
или
Определим вынужденные составляющие при t=
:
Определим зависимые начальные условия (t=0+):
Определим переходные и импульсные характеристики схемы.
Рис.4.1.(а) Переходная характеристика по току
Рис.4.1(б) Импульсная характеристика по току
Рис.4.1(в) Переходная характеристика по напряжению
Рис.4.1(г) Импульсная характеристика по напряжению
4.2. Рассчитать и построить графики изменения тока
и напряжения
четырехполюсника при подключении его к клеммам с напряжением
, в момент
с учетом запаса энергии в элементах цепи от предыдущего режима работы на интервале
, где
- период изменения напряжения
.
Определим время коммутации
из заданного ННУ:
Соответственно:
- это запас энергии в катушке от предыдущего режима работы.
1)Примем начало отсчета
за ноль.
Из пункта 4.1 известно, что p=-250
Тогда ищем решение в виде:
Определим вынужденные составляющие:
Тогда:
2) Рассчитать переходный процесс при переключении
с положительного импульса на отрицательный.
Тогда:
Рис.4.2(а)
Рис.4.2(б)
4.3. Расчет и построение графиков напряжения на выходе
, а также токи на входе
и в индуктивности в квазиустановившемся режиме на интервале
методом припасовывания
Переходной процесс разбивается на два временных интервала: первый -
, второй -
. Момент времени
соответствует
, момент времени
соответствует
,
Запишем систему уравнений состояния схемы:
Определим изменение токов и напряжений на границе первой коммутации. На основании законов коммутации
и, следовательно,
. Второй индекс в индексации означает его принадлежность к интервалу.
Вычтем из уравнений (113) для
уравнения для
:
Обозначим полученные разности:
;
;
.
Запишем систему уравнений в разностях для первой коммутации:
Из нее определим разности токов и напряжений – зависимые начальные значения разностей токов и напряжений при первой коммутации:
Найдем таким же образом изменение токов и напряжений на границе второй коммутации
:
Обозначим полученные разности:
;
;
.
Запишем систему уравнений в разностях для второй коммутации:
Из нее определим разности токов и напряжений – зависимые начальные значения разностей токов и напряжений при второй коммутации:
Запишем решение для тока
на соответствующих интервалах. Первый интервал
:
,
Проведем сопряжение решений для тока
используя значения полученных ранее разностей:
Решая систему относительно
,
, получим:
,
.
Окончательное решение для токов
,
:
Входной ток
определяется по формуле:
На рис.4.3(а) приведен график функции
на интервале
.
Рис.4.3(а)
Выходное напряжение
определяется по формуле:
На рис.4.3(б) приведен график функции
на интервале
.
Рис.4.3(б)
На рис.4.3(в) приведен график функции
на интервале
Рис.4.3(в)
ВЫВОДЫ
В курсовой работе была исследована электрическая цепь, состоящую из активного двухполюсника - источника гармонических колебаний (ИГК), линейного трансформатора, компаратора, повторителя напряжения, переключателя и четырёхполюсника.
В первой части работы был проведен расчет ИГК по известным начальным данным. Расчет проводился двумя методами: 1) методом контурных токов, благодаря которому удалось найти все неизвестные токи, а также показания приборов, 2) методом эквивалентного источника напряжения, благодаря которому удалось найти ток в первичной обмотке трансформатора. Токи, найденные по первому и второму методу, получились равными, что подтверждает правильность проведенного расчета. Однако, метод эквивалентного источника целесообразно применять в тех случаях, когда необходимо найти один конкретный ток, в то время, как метод контурных токов удобней использовать при полном расчёте схемы цепи. Расчет баланса мощностей для схемы позволил проверить правильность поведенных расчетов по определению напряжений и токов на элементах схемы.
Во второй части работы был проведен расчет четырёхполюсника методом входного сопротивления. Построены векторные диаграммы токов и напряжений четырехполюсника, которые подтверждает правильность проведенного расчета. Затем был проведен анализ резонансного режима четырехполюсника, который показал, что для резонанса необходимо равенство величин реактивных сопротивлений катушки индуктивности и ёмкости (в нашем случае добиться резонанса в цепи можно включением дополнительного реактивного элемента, что приводит к росту входного тока и уменьшению входного сопротивления). Далее был применен операторный метод расчета передаточной функции по напряжению, также мы нашли АЧХ и ФЧХ и построили годограф.















