12А_Аналоговые регуляторы (1002264), страница 2
Текст из файла (страница 2)
У интегрального регулятора перемещение up регулирующего органа (РО) пропорционально интегралу ошибки рассогласования е (t) - эффект накопления (или скорость перемещения пропорциональна е (t) ):
tp
up (t) = - KИ e (t) dt + uо , (dup (t) / dt = - KИ е (t),
o
где KИ - коэффициент пропорциональности - параметр настройки И-регулятора, uо - регулирующее воздействие при исходном положении РО. Знак минус показывает, что воздействие направлено на уменьшение отклонения регулируемого параметра.
Мембранный И-регулятор давления работает без внешней энергии. Регулируемым параметром является давление cреды e(t), которое передается по трубке (1) на мембрану (2) и на шток (3). В другом направлении на шток действует усилие противовеса (5) через рычаг (4). Если оба воздействия уравновешиваются, то золотник остается неподвижным (усилие уравновешивания задается положением противовеса на рычаге). При изменении давления нарушается равновесие. Увеличение давления в основной трубе обусловливает опускание штока, при этом клапан (6) закрывает отверстие между трубами. Уменьшение давления в основной трубе (7) влечет за собой поднятие штока. Перемещение штока будет происходить до тех пор, пока не наступит новый баланс сил. Перемещение u(t) пропорционально накопившейся за период времени tp ошибке e(t). В момент прекращения работы АР регулирующий орган может занимать любое положение.
т
рубка (1) (1)
м
ембрана (2)
ш
ток (3)
рычаг (4)
противовес (5)
к
лапан (6)
в
пускная основная труба (7)
т
руба
Рис. Мембранный И-регулятор давления.
| Рис. ПИ – регулятор газопроводной магистрали. |
| 1, - регулирующий орган, - регулирующий вентиль на входе в газопроводную магистраль; |
| 2,- усилительное устройство, - рычаг; |
| 3, - задатчик, - груз на штоке, выделен красным цветом. |
| 4-1, - датчик давления с демпфирующим устройством, - рассмотренный выше цилиндр с поршнем и дроссельной шайбой. |
| На выходе магистрали установлен вентиль 5, с помощью которого можно менять нагрузку, - выходной поток газа. |
| Задачей регулирования является поддержание заданного значения величины давления газа в магистрали независимо от величины выходного потока. |
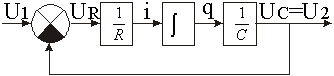
Динамические процессы в элементарной RC-цепи.
Рис. Схема RC-цепи.
Падение напряжения на сопротивлении R (UR) равно разности между входным напряжением U1 и выходным напряжения U2 , т.е. UR = U1 - U2. Напряжение UR определяет ток: i = UR/ R. Заряд емкости:
q = ∫ i(t) dt
Напряжение на конденсаторе U2 определяется его зарядом q: U2 = q/C. Таким образом, можно выделить внутреннюю обратную связь, определяющую зависимость тока i(t) не только от входного напряжения U1 , но и от напряжения U2 , до которого зарядилась ёмкость под действием тока i (t).
Рис. Структурная модель RC – цепи
Электромашина постоянного тока взаимно трансформирует электрическую и механическую (поворота ротора на угол α) виды энергии: U(t) = k (d / dt), где k - статический коэффициент усиления. Для двигателя выход – угол поворота α (t), а вход – напряжение U(t).
Уравнение переходного процесса
T dU(t) / dt + U(t) = k (d(t) / dt).
T U(p) p + U(p) = k (p) p , U(p) ( T p + 1 ) = k (р) p.
U(p) = k p α(p). Передаточная характеристика ДПТ:
W(p) = α(p) / U(p) kд / ((T p + 1 ),
где T - постоянная времени двигателя.
В случае требования минимальной постоянной времени T (T→0) передаточная функция будет безинерционного электродвигателя
W(p) = α(p)/U(p) = 1/ (kд p) – имеет вид интегрирующего устройства.
Рис. ПИ регулятор нагревателя. В цепи обратной связи – термопара.
Дифференциальный регулятор используется при управлении скоростью перемещения или вращения. Тахогенератор - это электромашина, угол поворота или скорость вращения вала (вход) которой индуцируют в обмотках пропорциональное напряжение U (выход).
Uу ЭМ
i
+
МЭ Я u
-
Рис. Схема тахогенератора постоянного тока (обозначения возбуждения : ЭМ - электромагнитное, МЭ - магнитоэлектрическое).
Входные параметры: - угол поворота ротора, - скорость вращения (=d/dt).
Уравнение переходного процесса
T dU(t) / dt + u(t) = kт (d(t) / dt).
T U(p) p + U(p) = k (p) p , U(p) ( T p + 1 ) = k (р) p.
Передаточная функция тахогенератора:
W(p) = U(p) / (p) = kт p / ( T p + 1 ) .
Если входным параметров является угол поворота вала , то тахогенератор представляет собой инерционное (реальное) дифференцирующее звено.
U
Rнагр = oo
(d/dt - скорость)
Рис. Выходная характеристика тахометра.
В случае требования минимальной постоянной времени T (T→0) передаточная функция будет W(p) = kт p.
Тахогенератор - идеальное (безинерционное) дифференцирующее звено.
Tахогенератор является преобразователем (датчиком) угла поворота в напряжение. Он часто в этом качестве устанавливается в цепи отрицательной обратной связи.
Двигатель постоянного тока (ДПТ) имеет ту же структуру, что и генератор. Они обратимы. Входом является напряжение U.
Прогр. Uу Устр-во e(t) Усилитель u(t) Тиристорный ДПТ у(t)
устр-во сравнения U отс. блок Uвыпр
Uт Тахогенератор
Рис. Структурная схема регулятора электропривода.
Схема управления предназначена для обеспечения скорости вращения механизма объекта управления (ОУ), пропорциональной эталонному напряжению Uу, постоянному или заданному программным устройством. Для этого напряжение эталонного источника в устройстве сравнения сопоставляется с напряжением тахогенератора. Их разность подается на усилитель, к которому подключен электродвигатель. Чем больше скорость вала, тем меньше разность напряжений. На вход усилителя подается меньшее напряжение, следовательно, меньшим будет напряжение возбуждения электродвигателя. Скорость вращения вала уменьшится.
Регуляторы на основе операционных усилителей. Операционный усилитель (ОУ) модифицируется с помощью RC-цепи. Соотношение сопротивлений резисторов определяет коэффициент усиления регулятора с передаточной функцией
W(p) = Uвых (p) / Uвх (p) = R0 (p) / R1 (p),
R1 (p) и R0 (p) -операторные полные сопротивления обратной связи и входной цепи.
Для П - регулятора : R1 (p) = R1 , R0 (p) = R0 , W(p) = К = R0 / R1 .
И- и Д-регуляторы получают введением в схему интегрирующих и дифференцирующих цепочек (таблица).
Часто ОУ используется разностный регулятор (дифференциальный, не дифференцирующий) и имеет выходную характеристику:
Uвых = R2 / R1 (Uвх1 - Uвх2)
R2
U1 R1
Uвых R1=R3, R2=R4
U2 R3
R4
Рис. Схема разностного (дифференциального) регулятора.
Параметры элементов регуляторов. Таблица.
| Тип регулятора | Передаточная функция регулятора | Схема регулятора | Параметры регулятора |
| П-регулятор | W = Kp |
|
|
| И-регулятор | W= 1/pτ |
|
|
| Д-регулятор (дифферен-цирующий) | W= τ p |
|
|
| ПИ-регулятор |
|
|
|
На основе операционного усилителя можно построить регулятор предельного контроля с релейной характеристикой. Управляемым является конструктивный элемент (привод) из сплава с памятью формы (СПФ). Он помещается цепь обратной связи (R2). При определенном токе в результате нагревания происходит фазовый переход «мартенсит – аустенит». В итоге конструктивный элемент из СПФ удлиняется.
Рис. Схема регулятора предельного контроля с конструктивным элементов (приводом) из СПФ.
Операционный усилитель (ОУ) может быть использован для быстрого отключения привода станка при поломке инструмента. При этом на неинвертирующий вход ОУ управляющего регулятора подается напряжение, соответствующее повышенному, но еще не катастрофическому уровню нагрузки. Как только сигнал инвертирующего входа достигает заданного уровня, могут реализоваться операции:
- изменение условий технологического процесса,
- замены инструмента,
- остановки привода станка.















