05А_Цифровые ВУ (1002257)
Текст из файла
Цифровые ВУ.
Цифровые ВУ делятся на аппаратные (с электронными компонентами: транзисторы, микросхемы) и микропроцессорные.
Аппаратные ВУ.
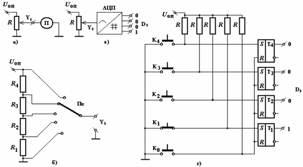
Положение потенциометра может устанавливаться как механически (двигателем через редуктор, кулачком, рычагом), так и от цифровых устройств.
Рис. Аналоговые и цифровые постоянные задающие устройства: (а) – аналоговый потенциометрический, (б) – цифровой потенциометрический, (в) – дискретный потенциометрический, (г) – цифровой 4-разрядный. R – потенциометр, Пк – переключатель, П – измерительный прибор, АЦП – аналого – цифровой преобразователь, Т1 – Т4 – триггеры, К0 – К4 – кнопки ввода сигнала, Uоп – опорное напряжение.
Процессорные вычислительные устройства.
В цифровых регуляторах используются программируемые логические контроллеры (ПЛК), микро-ЭВМ, многомашинные ВУ (в том числе локальные сети (ЛС)).
Структура. Программируемые логические контроллеры (ПЛК) обладают простой архитектурой. Основной задачей технологических ПЛК является принятие логических решений типа “да - нет”. Этот режим реализуется непосредственным подключением исполнительных устройств и датчиков. В состоянии «Да» (логическая «1») каждому исполнительному устройству подается определенное заранее напряжение (логическая «1»), необходимое для его функционирования. Сигнал от датчика, превышающий определенное заранее напряжение, воспринимается ПЛК как состояние «Да» («1»).
Микро-ЭВМ предназначена для исполнения и логических и арифметических операций для более сложных и объемных задач. Подключение исполнительных устройств и датчиков производится через интерфейс без заранее установленных величин. Диапазон определения величины входного сигнала ограничивается возможностями интерфейса. Величины выходных сигналов рассчитываются в соответствии с программой.
Регулятор с микро-ЭВМ в качестве ВУ состоит из
- микропроцессора (МП),
- устройства сопряжения, содержащее ЦАП и АЦП,
- каналов ввода-вывода (УВВ).
Компаратор АЦП УВВ1 МП
e(t)
Ген-р такт. Ген-р импул. УВВ2 ЦАП å Масш . u(t)
импульсов синхронизации усил.
Рис. Функциональная схема микропроцессорного регулятора.
Генератор тактовых импульсов формирует последовательность импульсов для работы цифровой части АЦП. Генератор импульсов синхронизации, являясь делителем на 32 частоты повторения тактирующих импульсов, обеспечивает синхронизацию АЦП и управляет записью выходной информации микропроцессора во входные регистры ЦАП. Компаратор формирует логический сигнал (амплитудой не менее 10В) остановки преобразования в АЦП. Сумматоры суммируют выходные токи ЦАП. Масштабирующий усилитель обеспечивает необходимый уровень выходных сигналов цифрового регулятора. Организация обмена данными микропроцессора и устройства сопряжения осуществляется с помощью 2-х программируемых устройств ввода-вывода (УВВ).
ПЛК не предназначен для проведения арифметических операций с большим числом данных как микро-ЭВМ. Ограничение функций дает возможность принимать решения в режиме реального времени. (Ликвидация избыточности универсальных микропроцессоров увеличивает быстродействие.) ПЛК анализирует данные с датчиков, контролирующих технологический процесс, формирует логические решения и передает выходные данные в виде управляющих сигналов на органы управления оборудованием. ПЛК обычно оснащается периферийными устройствами для сбора данных и передачи отчетов, реже клавиатурой или дисплеем. Программатор подключается к ПЛК на время программирования.
ПЛК работают по фиксированным рабочим программам, размещенным в ПЗУ, а не в ОЗУ.
Управление с помощью ПЛК может быть
- с обратной связью,
- в жестком режиме: без обратной связи, по сигналам таймеров.
ПЛК в регуляторе с обратной связью принимает от датчиков сигналы об окончании выполнения текущей команды, является сигналом исполнения следующей команды. Это цикловое управление. В отсутствии внешних датчиков окончание действия одной команды и ввод следующей определяется внутренним таймером в соответствии с программой.
Основные действия ПЛК:
- сканирование логических входов,
- оценка запрограммированных логических соотношений (решение логических уравнений),
- определения состояния выходов.
Программа функций электроавтоматики набирается последовательно на программаторе и записывается в память. Программа состоит из набора команд, позволяющих решить логическое уравнение по каждому выходу в функции нескольких входов.
Конструктивно ПЛК применяются в виде автономно встраиваемых в оборудование блоков управления. ПЛК может располагаться как в стойке с ЧПУ, так и непосредственно в корпусе станка. В последнем случае ПЛК должен иметь соответствующую конструкцию: жесткий корпус, защиту от перегрева и паразитных токов и т.д..
По сравнению с ПЛК микро-ЭВМ выполняет арифметические операции, требующие существенно больший объем памяти. Увеличение функций влечет за собой усложнение ВУ.
Микро-ЭВМ содержит микропроцессор, устройства памяти (кроме ПЗУ - ОЗУ), блоки сопряжения с устройствами ввода-вывода и устройство ввода-вывода. Для связи с другими ЭВМ с исполнительными механизмами и периферийным оборудованием используются интерфейсные блоки, ПЛК.
Если у ПЛК основной функцией является динамическое управление, то у микро-ЭВМ - алгоритмическое.
Программирование микро-ЭВМ выполняется на языках как низкого, так и высокого уровня. Управляющие микро-ЭВМ в отличие от ЭВМ, ориентированных на пользователя - исследователя или проектировщика, не имеют широкого спектра блоков сопряжения с внешними устройствами, такими как принтеры, графопостроители. Контроллеры широко используются в микро-ЭВМ, выполняя функции ввода-вывода, связи с дисплеем или накопителями на гибких дисках, прямого доступа к памяти, синхронизации и т.п.. Использование ПЛК для управления внешними устройствами разгружает центральный процессор микро-ЭВМ, они могут работать параллельно.
Алгоритмическая модель регулятора температуры в диапазоне от ТН до ТВ.
Реализация стабилизирующего управления температурой в указанных пределах. Через фиксированные моменты времени tc считывается показание датчика температуры и сравнивается с нижним и верхним пределами. В результате вырабатывается управляющее
воздействие.
T
0
TВ0
ТН0
t
U
U=1
U
=0 tc t
Рис. Диаграмма показаний датчика (Т0) и управляющего
воздействия регулятора температуры.
Читать показания датчика температуры Т0
Да
T < TН ? Включить нагрев
Нет
Да
T > TВ ? Выключить нагрев
Нет
Ждать tc
Рис. Алгоритм цикла регулирования температуры в заданных пределах от ТН до ТВ.
Алгоритм рассчитан на один датчик температуры, аналоговый выходной сигнал которого преобразуется в код. Для этой операции необходима микро-ЭВМ.
Для реализации той же задачи с помощью ПЛК требуется 2 датчика: на верхнюю (Дв) и нижнюю (Дн) температуры.
Дн Дв
( Н )
Н
Состояния датчиков:
Дн = 1 T < Tн , Дв = 1 T < Tв
Дн = 0 T > Tн , Дв = 0 T > Tв.
Удобной иконографической моделью является таблица. Компактное представление данных позволяет быстрее принять решение, преобразовать лингвистические данные в принятые значения для состояния входов и выход в начале работы и проконтролировать выполнение всех условий – по ее завершении.
Автоматная таблица.
| Входы | Выходы | ||
| Дн | Дв | Н | Н |
| 0 | 0 | 0 | 0 |
| 1 | 1 | 1 | 1 |
| 0 | 1 | 1 | 1 |
Рис. Схема микропроцессорного регулятора атомно- силового микроскопа (АСМ).
Характеристики
Тип файла документ
Документы такого типа открываются такими программами, как Microsoft Office Word на компьютерах Windows, Apple Pages на компьютерах Mac, Open Office - бесплатная альтернатива на различных платформах, в том числе Linux. Наиболее простым и современным решением будут Google документы, так как открываются онлайн без скачивания прямо в браузере на любой платформе. Существуют российские качественные аналоги, например от Яндекса.
Будьте внимательны на мобильных устройствах, так как там используются упрощённый функционал даже в официальном приложении от Microsoft, поэтому для просмотра скачивайте PDF-версию. А если нужно редактировать файл, то используйте оригинальный файл.
Файлы такого типа обычно разбиты на страницы, а текст может быть форматированным (жирный, курсив, выбор шрифта, таблицы и т.п.), а также в него можно добавлять изображения. Формат идеально подходит для рефератов, докладов и РПЗ курсовых проектов, которые необходимо распечатать. Кстати перед печатью также сохраняйте файл в PDF, так как принтер может начудить со шрифтами.















