Вопрос есть в коллекциях
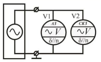
Выберите правильные формулы для расчёта погрешности косвенного измерения мощности, выделяемой на резисторе P= UvxIA: (Rv = 00).
![]()

- δп=+-("δvп) +['δAnl)
- δn =- ("δv,nl") +l'δAn)
- δn =- ("δvnl) -['δAnl)
- δ=6v+6A
- δ=δν-δΑ
meimei1337


studizboss











Косвенно измерить амплитуду Uа, сигнала















Best BMSTU Archive
































