Ответ на вопрос №336357: Синусоидальное напряжение измеряется двумя вольтметрами Как будут отличаться результаты измерений? U1>U2 U1=U2 U1<U2 Синусоидальное напряжение измеряется двумя вольтметрами Как будут - Ответ на вопрос №336357Синусоидальное напряжение измеряется двумя вольтметрами Как будут - Ответ на вопрос №336357
2025-04-172025-04-17СтудИзба
Синусоидальное напряжение измеряется двумя вольтметрами Как будут - Ответ на вопрос №336357
Вопрос
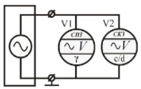
Синусоидальное напряжение измеряется двумя вольтметрамиКак будут отличаться результаты измерений?

- U1>U2
- U1=U2
- U1<U2