Дано: R1 = 3 Ом, R2 = 6 Ом, R3 = 6 Ом, R4 = 6 Ом, - Ответ на вопрос по электротехнике №12890
-42%
Вопрос
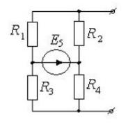
Дано: R1 = 3 Ом, R2 = 6 Ом, R3 = 6 Ом, R4 = 6 Ом, Е5 = 40 В. Определить сопротивление генератора, эквивалентного заданному активному двухполюснику.
- Rэ = 5 Ом
- Rэ = 21 Ом
- Rэ = 108/21 Ом
- Rэ = 6 Ом
Ответ

Хочешь зарабатывать на СтудИзбе больше 10к рублей в месяц? Научу бесплатно!
Начать зарабатывать
Начать зарабатывать
zzyxel

















