Фундаменты
Фундаменты
По способу возведения фундаменты делят на монолитные и сборные.
Под колонны каркасного здания устраивают, как правило, столбчатые фундаменты с подколонниками стаканного типа, а стены опирают на фундаментные балки. Ленточные и сплошные фундаменты предусматривают редко, как правило, на слабых, просадочных грунтах и при больших ударных нагрузках на грунт технологического оборудования.
Унифицированные монолитные железобетонные фундаменты имеют ступенчатую форму с подколонником стаканного типа для заделки колонн (рис.2).
![]() | |||
![]() | |||
Рекомендуемые материалы
разрез подколонника
Рис.2. Общий вид монолитного фундамента ступенчатой формы с подколонником стаканного типа под крайнюю колонну
Сборные фундаменты экономичнее монолитных, но на них больше расходуется стали. Более легкими и экономичными по расходу стали, являются сборные фундаменты ребристой или пустотной конструкции.
При близком расположении уровня грунтовых вод (УГВ) и при слабых грунтах устраивают свайные фундаменты. Наиболее распространены железобетонные сваи круглого и квадратного сечений. По верху сваи связывают монолитным или сборным железобетонным ростверком, который служит одновременно подколонником.
Подколонник устанавливают на плиту по слою цементно-песчаного раствора. При действии на фундамент изгибающего момента соединение подколонника с плитой усиливают сваркой закладных элементов, а места сварки заделывают бетоном.
Ступени плиты всех фундаментов имеют единую унифицированную высоту 300 мм или 450 мм.
В верхней части подколонника устроен стакан для установки в него колонны. Дно стакана располагают на 50 мм ниже проектной отметки низа колонны для того, чтобы компенсировать подливкой раствора неточности в размерах и заложении фундаментов.
Колонны с фундаментом соединяют различными способами. В основном с помощью бетона. Для обеспечения жесткого закрепления колонны в стакане фундамента на боковых поверхностях железобетонной колонны устраивают горизонтальные бороздки. Зазор между гранями колонны и стенками стакана поверху составляет 75 мм, а по низу стакана 50 мм (рис.2).
Обрез фундамента под железобетонные колонны располагают на отметке -0.15 м, под стальные колонны – на отметках -0.7 м или -1.0 м.
Фундаменты под смежные колонны в температурных швах делаются общими, независимо от числа колонн в узле. Для каждой сборной железобетонной колонны в этом случае устраивают отдельный стакан (рис.3).
![]() |
Рис. 3. Монолитные фундаменты железобетонных
колонн в местах устройства деформационных швов
В фундаментах под стальные колонны подколонник делают сплошным (без стакана) с анкерными болтами (рис.4).
![]() |
а) б)
Рис. 4. Монолитные фундаменты под стальные колонны:
а) колонны постоянного сечения;
б) колонны двухветвевые (сквозного сечения)
Стены каркасных зданий опирают на фундаментные балки, укладываемые между подколонниками фундаментов на бетонные столбики необходимой высоты, бетонируемые на уступах фундаментов (рис. 2). Фундаментные балки имеют тавровое или трапецеидальное поперечное сечение (рис.5). Номинальная длина их составляет 6 и 12 м. Конструктивная длина фундаментных балок выбирается в зависимости от ширины подколонника и местоположения балок. Верхняя грань балок располагается на 30 мм ниже уровня чистого пола.
а) б)
![]() |
Рис. 5. Сечения фундаментных балок:
а) для шага колонн 6 м;
б) для шага колонн 12 м
Фундаментные балки устанавливают на подливку из цементно-песчаного раствора толщиной 20 мм. Этим раствором заполняют зазоры между торцами балок и стенками подколонников. По балкам для гидроизоляции стен укладывают 1-2 слоя рулонного водонепроницаемого материала на мастике. Во избежание деформации балок вследствие пучения грунтов снизу и с боков балок предусматривают подсыпку из шлака, песка или кирпичного щебня (рис.6).
![]() |
Рис. 6. Деталь цоколя одноэтажного промышленного здания
Железобетонные колонны
Колонны в системе каркаса воспринимают вертикальные и горизонтальные постоянные и временные нагрузки. Для массового индустриального строительства разработаны типовые конструкции сборных железобетонных колонн для зданий с опорными мостовыми кранами и для бескрановых зданий.
Железобетонные колонны для зданий с мостовыми кранами имеют консоли для опирания подкрановых балок. Для бескрановых зданий применяют колонны без консолей.
По расположению в системе здания колонны делят на крайние (расположенные у наружных продольных стен), средние и торцовые (расположенные у наружных поперечных (торцовых) стен).
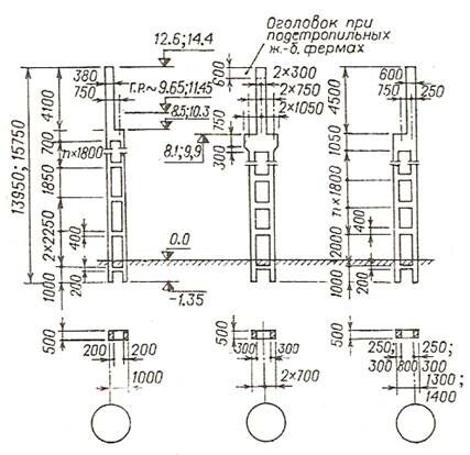
Для бескрановых зданий высотой от 3 до 14.4 м разработаны колонны постоянного сечения (рис. 7). Размеры сечения колонн зависят от нагрузки и длины колонн, их шага и расположения (в крайних или средних рядах) и могут быть квадратными (300х300, 400х400 мм) или прямоугольными (от 500х400 до 800х400 мм). В фундаменты их заглубляют на 750 - 850 мм.
![]() |
Рис. 7. Типы железобетонных колонн для бескрановых зданий
Для зданий с опорными мостовыми кранами легкого, среднего и тяжелого режимов работы и грузоподъемностью до 300кН разработаны колонны переменного сечения высотой от 8.4 до 14.4 м (рис.8), а для зданий с кранами грузоподъемностью до 500кН – двухветвевые колонны высотой от 10.8 до 18 м (рис.9).
Размеры колонн переменного сечения в подкрановой части составляют от 400х600 до 400х900 мм, в надкрановой – 400х280 и 400х600 мм. Колонны двухветвевые имеют размеры в подкрановой части 500х1400 и 500х1900, а отдельных ветвей – 500х200 и 500х300 мм.

Рис. 8. Типы сплошных железобетонных колонн для зданий с
мостовыми опорными кранами
![]() |
Рис. 9. Типы двухветвевых железобетонных колонн для зданий
с мостовыми опорными кранами
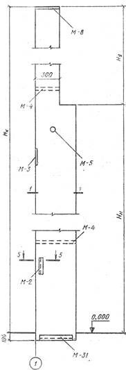
В зданиях с тремя и более кранами в пролете для безопасности персонала, обслуживающего краны и подкрановые пути, предусматривают сквозные проходные галереи вдоль подкрановых путей в уровне верха подкрановых балок размером 0.4х2.2 м (рис.10).
![]() |
Рис. 10. Двухветвевые железобетонные колонны
с проходами в уровне крановых путей
В железобетонных колоннах имеются стальные закладные элементы для крепления стропильных конструкций, подкрановых балок, стеновых панелей (в крайних колоннах) и вертикальных связей (в связевых колоннах). В местах опирания стропильных конструкций и подкрановых балок через стальные листы пропущены анкерные болты.
В зданиях с подстропильными конструкциями длину колонн принимают на 600 мм меньше (см рис. 8,9,10).
Колонны фахверков
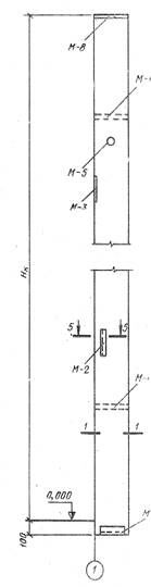
Помимо основных колонн в зданиях предусматривают фахверковые колонны, устанавливаемые в торцах зданий и между основными колоннами крайних продольных рядов при шаге 12 м и длине стеновых панелей 6 м. Предназначены они для восприятия ветровых усилий и массы стен.
Фахверковые колонны шарнирно крепят к фундаменту сваркой закладных деталей колонны и опорного листа, установленного поверху фундамента строго по осям (узел 2, рис.11). Колонны фахверка крепят к конструкциям покрытия с помощью листового шарнира (узел 1, рис.11). Такое соединение обеспечивает передачу ветровых нагрузок на каркас здания и устраняет вертикальные воздействия покрытия на колонны фахверка.
Унифицированные железобетонные колонны для торцового фахверка двух типов (I и II) применяются в случаях, приведенных в таблице 1. В остальных случаях применяют стальные колонны фахверков. Конструкции колонн приведены на рис. 11.
Таблица 1
| Высота Н, м | Вид железобетонных несущих конструкций покрытия | |
| балки | фермы | |
| 3 – 4,2 | I | - |
| 4,8 – 6 | II | |
| 7,2 – 9,6 | II |
Колонны типа I имеют постоянное поперечное сечение по высоте (h = 300 мм), что позволяет размещать их верхнюю часть в зазоре между торцовой стеной и пристенной балкой покрытия и крепить их к верхнему поясу балки с помощью листового шарнира (узел 1, рис. 11).
Колонны типа II имеют переменное сечение по высоте (Нв и Нн, рис. 11) . Верхняя часть колонны (Нв) имеет такое же сечение, как и колонны типа I (h=300мм) и крепится к верхнему поясу стропильной балки аналогично колоннам типа I (узел 1, рис.11).
Железобетонные подкрановые балки
Подкрановые балки с уложенными по ним рельсами образуют пути движения мостовых кранов и, прочно соединенные с колоннами, придают каркасу здания дополнительную пространственную жесткость.
Железобетонные подкрановые балки имеют тавровое (при шаге колонн 6 м) и двутавровое (при шаге колонн 12 м) сечения с утолщением стенок на опорах. Развитая в ширину полка балок обеспечивает усиление сжатой зоны, воспринимает поперечные горизонтальные крановые нагрузки и упрощает крепление крановых рельсов. Размеры балок зависят от величины пролета и грузоподъемности крана (рис.12) .
Железобетонные подкрановые балки применяются в зданиях с опорными мостовыми кранами грузоподъемностью до 300 кН, с шагом основных колонн 6 и 12 м. По месту расположения в здании балки делят на торцовые, рядовые и у температурных швов.
![]() |
Тип I Тип II
![]() | ![]() | ||
![]() |
Рис. 11. Конструкции колонн фахверков
Крепление подкрановых балок к консолям колонн осуществляется на анкерных болтах, пропущенных через опорный лист, приваренный к закладной пластине консоли. Верхний пояс балки крепят к колонне с помощью вертикального листа, приваренного к закладным деталям. Рельсы с подкрановыми балками соединяют стальными лапками, расположенными через 750 мм. Для снижения шума от кранов и уменьшения динамических нагрузок на балки под рельсы укладывают упругие прокладки. Во избежание ударов мостовых кранов о колонны торцового фахверка на концах подкрановых путей устраивают стальные упоры, снабженные амортизаторами – буферами из деревянного бруса (рис. 13).

а б
аа
![]() |
в
Рис. 12. Железобетонные подкрановые балки:
а – Q = 100кН; L ≤ 24м; а = 6м; Н = 8,4м;
б – Q ≤ 300кН; L ≤ 30м; а = 6м; Н = 9.6-18м;
в – Q ≤ 300кН; L ≤ 30м; а = 12м; Н = 9.6-18м;
"11 Понятие инвестиционного портфеля" - тут тоже много полезного для Вас.
а б
бббббббб
Рис. 13. Крепление подкрановых балок к колоннам:
а – рядовая балка; б – торцевая балка




































