Газоанализаторы
2.8.10 Газоанализаторы
Введение
Основными агрегатами, участвующими в выработке электрической энергии на тепловых и атомных станциях, являются реактор, турбина и генератор. В процессе круглосуточной работы генератора, в нем выделяется громадное количество тепловой энергии, следовательно, происходит нагрев ротора и обмоток статора генератора, что приводит к необходимости их охлаждения.
Охлаждение обмоток статора - водяное и производится дистиллированной водой, электрическая проводимость которой контролируется соленоидом.
Охлаждать постоянно вращающийся ротор дистиллированной водой конструктивно сложно и, следовательно, дорого. Это обстоятельство и приводит к тому, что охлаждать ротор генератора проще и экономически выгоднее производить газом. Встает вопрос: каким газом?
Как известно воздух (атмосфера) составляет в себе совокупность газов: N2 (азот) ~ 79%, О2 (кислород) ~ 21%, остальные газы, такие как - Н2 (водород), СО2 (углекислый газ), СО (окись углерода), углеводороды (СН4; С2; Н2), Н2S (сероводород) и т.д. составляют порядок 0,1%.
Из всех перечисленных газов самым большим коэффициентом теплопроводности обладает водород Н2.
Коэффициент его теплопроводности примерно в 7 раз выше коэффициента теплопроводности воздуха. Вот почему для охлаждения генераторов используют водород. Чем большей чистоты (100% Н2), тем лучше. Водорода для охлаждения по объему нужно в 7 раз меньше, чем воздуха, что также выгоднее с экономической точки зрения (меньше затрат электроэнергии на его перекачку).
Но водород обладает (с точки зрения использования его для охлаждения) одним отрицательным свойством - он взрывоопасен в смеси с воздухом от 2,5% до 95%.
Рекомендуемые материалы
Это обстоятельство и приводит к тому, что необходимо производить контроль чистоты водорода. Получают водород в специальных установках, называемых электролизерами.
В них, под действием большого электрического тока, происходит разложение воды на водород и кислород
![]() |
2Н2О ® 2Н2 + О2 (33)
Кислород, после электролизеров сбрасывается в атмосферу, а водород по трубопроводам к генераторам.
Контроль чистоты и наличия водорода производится приборами, именуемыми “газоанализаторы”.
Назначение
Газоанализаторы серии ТП5501 (в дальнейшем газоанализаторы) являются промышленными стационарными автоматическими показывающими и самопишущими газоанализаторами и предназначены для непрерывного измерения объемного содержания газов и регистрации результата измерения. В зависимости от вида газа, газоанализаторы выпускаются различных модификаций.
Так, для измерения объемного содержания СО2 (углекислого газа) выпускаются газоанализаторы модификации ТП2220, азота (N2) - модификации и ТП4102, метана (СН4) в смеси с воздухом - модификации ТП2301.
Для определения объемного содержания Н2 (водорода) в бинарных и многокомпонентных газовых смесях на станции применяются с 1 по 3 блок газоанализаторы смеси АТ0012, с 4 по 6 блок газоанализаторы серии ТП1120 и ТП1116.
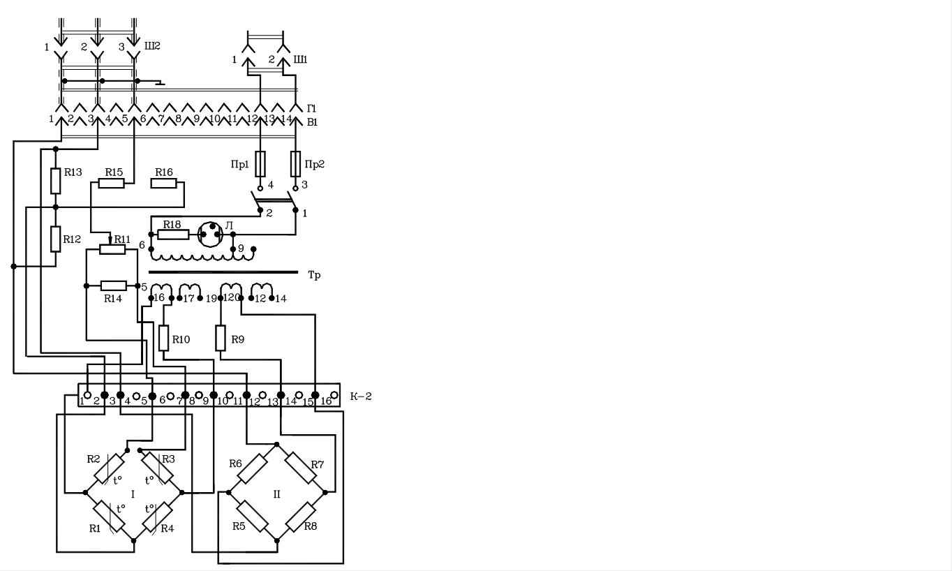
3 Устройство и принцип работы (рис. 52).

Рис. 52 Электрическая схема приемника газоанализаторов ТП5501У4 для диапазонов измерения 0-3, 0-5, 0-10, 0-60, 0-1000, 50-100, 60-100, 80-100, 90-100% водорода (ТП1120).
Принцип действия газоанализатора основан на использовании зависимости теплопроводности анализируемой газовой смеси от содержания в ней измеряемого компонента (Н2), так как теплопроводность водорода значительно отличается от теплопроводности каждого из других неизмеряемых компонентов смеси. В газоанализаторе применены компенсационно - мостовая измерительная схема, состоящая из двух неуравновешенных мостов: рабочего и сравнительного. Рабочий мост, через который пропускается анализируемая газовая смесь, состоит из омываемых газом чувствительных элементов R1, R3 и чувствительных элементов R2, R4 в ампулах заполненных воздухом. Разбаланс рабочего моста I образуется за счет изменения сопротивления чувствительных элементов R1 и R3 от изменения теплопроводности анализируемой газовой смеси.
Выходное напряжение сравнительного моста подается на реохорд измерителя, а выходное напряжение рабочего моста на обмотку входного трансформатора усилителя.
Напряжение разбаланса усиливается усилителем до величины, достаточной для приведения в действие реверсивного двигателя, ось которого при помощи шкива и троса связана с кареткой, на которой закреплен движок реохорда и указательная стрелка. Ротор реверсивного двигателя будет вращаться до тех пор, пока существует сигнал, вызванный разбалансом схемы. Одновременно перемещается указатель прибора по шкале и движок по реохорду до наступления равновесия в измерительной схеме.
В момент равновесия измерительной схемы положение указателя имеет единственное значение, которое и определяет значение измеряемой величины. В этот момент автоматически происходит сравнение выходного напряжения рабочего моста, значение которого зависит от концентрации измеряемого компонента, с частью напряжения сравнительного моста. Использованный метод измерения дает компенсацию влияний от изменения температуры, напряжения к т.д. из-за одновременного действия их на оба моста.
Питание рабочего и сравнительного мостов осуществляется от вторичных обмоток трансформатора через резисторы R9 и R10, подбором сопротивления которых устанавливают рабочие токи. При необходимости устанавливают термостат, устраняющий влияние температуры окружающей среды на показания газоанализатора. Резистор R23 предназначен для установки питания термостата.
При помощи резистора R11 устанавливают показания газоанализатора в процессе эксплуатации по контрольным газовым смесям.
Необходимость наличия в приемнике резисторов R12; R13; R15 и R16 и значения сопротивлений всех подбираемых резисторов определяется при градуировке.
Диапазоны измерения, классы точности и цены делений газоанализаторов приведены в таблице 5.
Таблица 5 Таблица классов точности газоанализатора ТП 1120
| Модификация газоанализатора | Диапазон измерения | Класс точности газоанализатора | Цена деления шкалы газоанализатора, % |
| ТП1120 | от 0 до 1 | 10 | 0,05 |
| от 0 до 2 | 4,0 | 0,1 | |
| от 0 до 3 | 4,0 | 0,1 | |
| Если Вам понравилась эта лекция, то понравится и эта - 1 Линии передачи свч и их технические характеристики. от 0 до 5 | 2,5 | 0,2 | |
| от 80 до 100 | 2,5 | 0,5 |























