Интегратор
Лекция № 11.
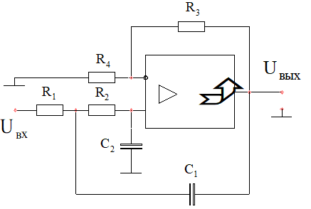
Интегратор:

![]() |


Рекомендуемые материалы
Дифференциатор:

![]() |
Uвых=RC
К(s)= -
s
где
сR – постоянная времени цепи заряда и разряда конденсатора.

![]() |
Активные фильтры.
Фильтрация - наиболее часто применяемая операция.
![]() |
![]() |


высокие частоты ФНЧ

![]() |



![]() |
ФНЧ на пассивных элементах:

![]() |
=
;
=
;
s= j
;
τ=Rc .
Частотная характеристика:

![]() |
|W(jω)|=

![]() |


W(jω)=
1-
=
Q=
*
- добротность
ОУ в активных фильтрах вносит энергию в контуры и обеспечивает высокую добротность.
В ОУ можно организовать таким образом, чтобы на частотах, близких к ωс, коэффициент ОС уменьшается, следовательно, частотная характеристика на этой области приподнимается.
Разработка фильтров:
Этап аппроксимации (написать передаточную характеристику).
Так как речь идет о том, чтобы приподнимать ЧХ, а эту операцию нельзя сделать с помощью звена 1-го порядка, то передаточную функцию фильтра в общем виде можно записать в виде произведения передаточной функций звеньев 2-го порядка.
W(s)=
где a,b – положительные действительные числа
n – произв. всех звеньев
Базовыми являются фильтры второго порядка.


Существуют фильтры: (и аппроксимация)
· Баттерворта;
· Чебышева;
1) частотная характеристика (высокая добротность фильтра);
2) реализация: Фильтр Салена-Кея (2-го порядка).
Многопетлевая ОС:

![]() |
Два звена R1C1 и R2C2.
Фильтр имеет положительную ОС, вследствие этого не допускает высоких коэффициентов усиления в положение пропускания, иначе возможно самовозбуждение.
Синтез фильтра.
ЧХ
W(jω)=
;
;
Koy=1+
;
f0=
- частота среза.
1. возьмем одинаковые С и R.
Синтез заключается в том, чтобы в передаточной функции данного звена приравнять коэффициенты при одинаковых степенях S к желаемым коэффициентам.
Q изменяется путем изменения коэффициента усиления ОУ.
R1=R2=R;
C1=C2=C;
W(jω)=
;
f0=
;
Q=
;
Если
то Q=
, таким образом произойдет самовозбуждение.
Фильтр Рауха:

![]() |
Q не такая высокая, как у предыдущего.
W(s)= -
;
)=a;
=b;
C1=K1C;
R1=R2=…=R;
C2=K2C;
С=
;
.
ФВЧ
Передаточные функции ФВЧ могут быть получены из передаточной функции ФНЧ, если вместо s поставить
, при этом звенья 2-го порядка ФВЧ получаются из звеньев 2-го порядка ФНЧ. Если R заменить на С, а С на R.

![]() |

Лекция "Движение тайпинов" также может быть Вам полезна.
![]() |
Для получения передаточной функции полосового фильтра.
s =>
ω0- средняя частота ЧХ
Δω – полоса пропускания
Δf=fb-fн




































