Функциональные узлы на оу
Лекция № 10.
| Параметр | ОУ общего применения 140 УД6 | ОУ 1544Д4А быстродействующие | ОУ 140УД17 прецизионные |
| Кнд, не менее, дб | 70000 | Рекомендуемые материалыFREE Маран Программная инженерия Техническое задание -20% ЛЮБАЯ дипломная работа в Синергии! -20% Любая дисциплина в НСПК! -33% Помощь с курсовым проектом по подъемно-транспортным машинам (ПТМ) 8000 | 20000 |
| Кнд, не более, дб | 70 | 74 | 106 |
| Uсм0, мВ | 5 | 6 | 0,075 |
| Iсм0, мкА | 0,3 | 1,2 | 0,004 |
| ΔIсм0, мкА | 0,1 | 0,3 | 0,0038 |
| Rвх диф, МОм | 2 | 1 | 30 |
| Uвых max, мВ | 12 | 10 | 12 |
| Uсм, мкВград | 40 | 50 | 3 |
| f1, МГц | 1 | 1 | 0,4 |
| Vн вых, Вмкс | 2,5 | 400 | 0,1 |
| Iпотр, мА | 2,8 | 7 | 4 |
Функциональные узлы на ОУ:
Масштабирующий усилитель – инвертирующий и неинвертирующий.
Сумматоры. Интеграторы. Дифференциаторы. Активные фильтры. Генераторы.
Без ОС непосредственно они не применяются вследствие того, что:
1) без ОС линейный участок очень ограничен.
![]() | |||
![]() |
2) Коэффициент усиления ОУ меняется (имеет сильный разброс) сильно зависит от температуры и режима.
Инвертирующий усилитель:

![]() |
Параллельная ООС по напряжению.
Фаза выходного сигнала отличается от фазы входного сигнала на 180°
Rвх>>R1, (Rвх=
);
Rвх>>R1, (Rвых=0);
U0
0;
U*=0;
iвх=-ioc=i;
Uвх=i*R1;
Uвых=i*R2;
=
;
К-нос=
- говорит о том, что фазы входных и выходных сигналов отличаются на 180°;
Кнос не зависит от параметров усилителя;
Кнос=
;
Кнос=
- коэффициент ООС.
Неинвертирующий усилитель:


![]() |
Rвх=
Rвых=0
Uвых=Кн(Uвых–Uос)
Uос=
* Uвых
=
К+нос= 

Кнос=1+
Rвхос=Rвх(
)
Rвых=
Максимальное сопротивление резистора ограничено тем, что схема несимметрична, погрешностями, возникающими на сопротивлении.
I+см*Rсм= I-см*Rсм ;
Минимальное сопротивление ограничено нагрузочной способностью.
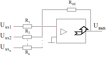
На базе инвертирующего усилителя построим сумматор – вычислительное устройство, выходное напряжение которого пропорционально сумме входных напряжений.
ЦАП построен на базе сумматоров.
АЦП построен на базе ЦАП.

![]() |
Uвых= - (Uвх1
+ Uвх2
+…+ Uвхn
)
Интегратор на ОУ:

![]() |
Rвх=
;
Rвых=0;
Kн=-
;
Kн(s)=
;
где
сR – постоянная времени;
Uвых(t)=
.
Интегратор на ОУ практически идеальный (за счет емкости).
Неидеальный интегратор:

![]() | |||
![]() |
Для идеального интегратора:
![]() |
Рекомендуем посмотреть лекцию "7 Сопротивление и его составляющие".






























