Фазовые детекторы
Фазовые детекторы (ФД)
В устройствах для приема сигналов с фазовой модуляцией, в системах с фазовой автоподстройкой частоты и в других автоматических устройствах необходимо получать напряжение, амплитуда которого определяется сдвигом фаз между двумя колебаниями. Получить такое напряжение можно с помощью фазовых детекторов (ФД). Важнейшей характеристикой ФД является детекторная характеристика. Это зависимость амплитуды выходного напряжения от разности фаз между напряжением сигнала и опорным напряжением (
). Опорное напряжение имеет постоянную фазу, относительно которой считывается фаза сигнала.
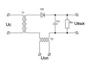
В простейшем ФД (рис. 1) напряжение сигнала
и опорное напряжение
последовательно складываются, и сумма напряжений подается в амплитудный детектор. Суммарное напряжение
оказывается промодулированным по амплитуде по закону фазовой модуляции сигнала:
(1)
Амплитудно-модулированное напряжение детектируется амплитудным детектором. Детекторная характеристика описывается выражением:
(2)
где
– коэффициент передачи амплитудного детектора.


а) б)
Рекомендуемые материалы
Рис. 1 Простейший ФД (фазовый детектор) и его детекторная характеристика.
Недостатки простейшего ФД:
- линейный участок детекторной характеристики – только вблизи 90° и 270° (рис. 1 б)).
- характеристика не проходит через 0 при изменении фазы, что не дает возможности применять такой ФД в системах АПЧ.
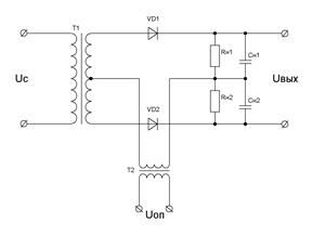
Для того чтобы расширить линейный участок детекторной характеристики и сделать его симметричным относительно отклонения фазы применяют балансный ФД (рис. 2 а).


Рис. 2 Балансный ФД и его детекторная характеристика.
Напряжение сигнала
подводится к диодам VD1 и VD2 в противофазе, а опорное напряжение
подводится к диодам синфазно. Детекторная характеристика проходит через 0 при φ = 90˚
и
Информация в лекции "2 Литературные памятники буддизма" поможет Вам.
φ = 270˚
(рис. 2 б)). Полярность выходного напряжения зависит от знака отклонения фазы φ (рис. 3 а, б, в).


а)
б)
в) 
Рис. 3 Фазовая характеристика балансного ФД.
Фазовые детекторы могут быть еще и кольцевыми.






















