Автоматические системы регулирования в рпу
Автоматические системы регулирования в рпу
Системы АРУ (автоматической регулировки усиления)
Для обеспечения приема сигналов с широким динамическим диапазоном, а также для сохранения постоянства уровня выходного сигнала одной станции в приемнике необходимо предусмотреть регулировку усиления, которая может быть ручной (РРУ) и автоматической (АРУ). РРУ целесообразна лишь при медленных изменениях уровня сигнала, АРУ – при быстрых изменениях уровня сигнала.
В приемниках применяют одновременно обе регулировки (и РРУ и АРУ). Чем ближе расположен регулятор усиления ко входу приемника, тем больше каскадов работает без перегрузок, в линейном режиме с минимальным коэффициентом шума. Поэтому регулятор усиления, в первую очередь АРУ, отрабатывающий как медленное так и быстрое изменение уровня сигнала стремятся расположить в ВЧ-тракте, как можно ближе ко входу приемника. РРУ осуществляется как в ВЧ-тракте, так и в НЧ-тракте. Способы регулировки усиления при РРУ и АРУ следующие:
1 – Изменение крутизны усилительных приборов,
2 – Изменение коэффициента передачи специальных делителей напряжения и глубины отрицательной обратной связи.
Эти регулировки в неменьшей степени влияют на другие параметры приемника. С целью поддержания выходного сигнала на заданном уровне при быстрых и больших изменениях входного сигнала применяются АРУ, которая осуществляется путем автоматического изменения коэффициента усиления. Зависимость коэффициента усиления каскада, охваченного АРУ, от регулировочного напряжения называется регулировочной характеристикой (рис. 1).

Рис. 1 Регулировочная характеристика АРУ.
Рекомендуемые материалы
Изменение коэффициента усиления при изменении регулировочного напряжения на 1 В называется чувствительностью регулировки. Совокупность каскадов приемника, охваченных АРУ, называется системой АРУ. Различают три основные системы АРУ:
1 – Система обратного регулирования (рис. 2).
В ней напряжение сигнала, подлежащее регулировке, снимается с выхода УПЧ и через выпрямитель АРУ (детектор и фильтр АРУ) воздействует на УРЧ, смеситель (См) и УПЧ, изменяя их коэффициент усиления. Все элементы системы АРУ образуют замкнутое кольцо обратной связи.

Рис. 2 Система обратного регулирования.
2 – Система прямого регулирования (без рисунка).
Регулирующее напряжение формируется выпрямителем АРУ и воздействует на УРЧ, См и УПЧ приемника, изменяя их коэффициент усиления. Замкнутого кольца обратной связи здесь не образуется. Такая система содержит усилитель АРУ. При малых сигналах он нужен, а при больших - перегружается, и возникают искажения. Поэтому такая система применяется редко.
3 – Комбинированная система АРУ (рис. 3).
Она содержит как систему прямого, так и обратного регулирования.

Рис. 3 Комбинированная система АРУ.
В зависимости от уровня сигнала, при котором начинается регулированное усиление, различают системы АРУ без задержки, с задержкой и бесшумное АРУ (рис. 4).

а) без АРУ б) с простой АРУ в) АРУ с задержкой г) АРУ с бесшумной
задержкой
Рис. 4 Амплитудные характеристики приемников.
В системах АРУ без задержки (простая АРУ) регулирование усиления происходит во всем динамическом диапазоне принимаемых сигналов. При малых сигналах ограничивать усиление, а значит снижать уровень выходного сигнала нецелесообразно. В этом случае применяют АРУ с задержкой, в которой регулирование усиления начинается лишь с некоторого уровня входного сигнала, называемого порогом срабатывания АРУ (
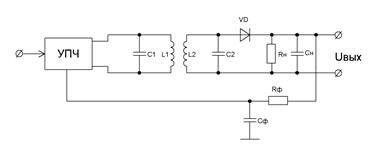
на рис. 4 в). До достижения порога срабатывания усиление происходит без регулирования. В процессе перестройки РПУ с одной станции на другую, когда полезный сигнал на входе отсутствует, приемник усиливает собственные шумы и помехи. Поэтому систему АРУ модернизируют так, что при сигнале, меньшем, чем чувствительность приемника усилительный тракт запирался системой АРУ (бесшумная АРУ). В этом случае настройка РПУ будет бесшумной, и АРУ в этом случае называют бесшумным. Для исключения опасности самовозбуждения система АРУ использует однозвенные RC-фильтры. Переходный процесс в них носит апериодический характер. В случае использования детектора АРУ основного детектора приемника возникает противоречие между требованиями к фильтру основного детектора и к фильтру детектора АРУ. Поэтому постоянная времени фильтра детектора АРУ (τ = RC) выбирается значительно больше максимального периода модуляции сигнала. При совмещении функций основного детектора с функциями детектора АРУ предусматривают раздельные фильтрующие цепи для основного сигнала и для системы АРУ (рис. 5).

Рис. 5 Пример схемы с совмещенными детекторами сигнала и АРУ.
Параметры элементов
выбираются в соответствии с условием безинерционности амплитудных детекторов. Постоянная времени фильтра АРУ должна соответствовать условию:
.
Но постоянная времени АРУ ограничена сверху максимальным периодом затухания сигнала, это значит, что
.
Практически постоянную времени фильтра АРУ выбирают для радиовещательных РПУ в пределах
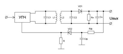
В схеме АРУ с задержкой (рис. 6) регулирование коэффициента усиления УПЧ будет происходить лишь после того, как регулировочное напряжение превысит напряжение стабилизации стабилитрона VD2. До этого момента регулировочное напряжение равно 0. После открытия стабилитрона регулировочное напряжение будет равно разности напряжений на выходе фильтра АРУ
и напряжения стабилизации стабилитрона
:


Рис. 6 Схема АРУ с задержкой.
Напряжение стабилизации стабилитрона должно соответствовать требуемому напряжению задержки. В рассмотренной схеме резистор R необходим для обеспечения режима работы стабилитрона VD2. Остальные элементы выполняют свои обычные функции. В простых схемах АРУ, где не предъявляются жесткие требования к напряжению задержки и его стабильности вместо стабилитрона можно использовать кремниевый диод, поскольку он открывается лишь после того, как напряжение на нем превысит 0.05 – 0.15 В. Это напряжение и будет напряжением задержки.
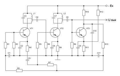
Регулировка коэффициента усиления усилителей часто осуществляется изменением крутизны усиления усилительных приборов. Один из вариантов такой АРУ в транзисторном приёмнике показан на рис. 7. Регулировка усиления в таких схемах достигается изменением крутизны усиления транзисторов VT1 и VT2, на которых собраны два каскада УПЧ, изменением режимов работы этих транзисторов. На транзисторе VT3 собран коллекторный детектор АРУ, нагрузкой которого является цепочка R10Cl0, a элементы R13C11 выполняют функции фильтра АРУ.
Исходное напряжение смещения и термостабилизации транзисторов VTl и VT2 обеспечивается делителями напряжения соответственно R10R13R3R1R2R4 и R10R13R7R5R6R8. Подачей отрицательного напряжения смещения на эмиттер транзистора VT3 обеспечивается режим работы АРУ с задержкой. Это объясняется тем, что детектор АРУ будет закрыт, пока напряжение на базе транзистора ,VT3 не превысит порога срабатывания, определяемого напряжением на резисторе в цепи эмиттера R11. Как только напряжение
превысит порог срабатывания системы АРУ, транзистор VT3 откроется и напряжение на его коллекторе снизится. Это приведёт к уменьшению токов в делителях R13R3R1R2 и R13R7R5R6, которые задают базовые токи транзисторов VT1 и VT2, что, в свою очередь, снизится их коэффициент усиления. Чем больше выходное напряжение
, тем в большей степени открывается транзистор VT3, тем больше уменьшаются токи делителей и коэффициенты усиления транзисторов VT1 и VT2.
Изменение базовых токов транзисторов VT1 и VT2 при действии системы АРУ приводит к изменению токов эмиттеров этих транзисторов и соответственно к изменению падении напряжении на резисторах R4 и R8. Характер этих изменений напряжения таков, что они противодействуют причине, их вызывающей, то есть снижают эффективность действия АРУ. Резисторы в цепи эмиттера R4 и R8 являются элементами термостабилизации транзисторов VT1 и VT2. Поэтому, там, где это возможно, с целью подавления снижения эффективности действия АРУ в каскадах УПЧ, охваченных АРУ, термостабилизация не применяется.
Резистор R3 и конденсатор С1, а также резистор R7 и конденсатор С5 образуют фильтры, предотвращающие взаимное влияние каскадов УПЧ. Остальные элементы схемы выполняют свои обычные функции.
Модэ-шаньюй, Елюй Даши, К. Тыныстанов - лекция, которая пользуется популярностью у тех, кто читал эту лекцию.
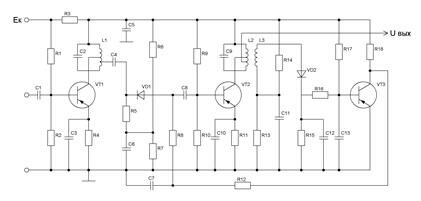
На рис. 8 представлена схема АРУ с управляемым делителем напряжения. На этой схеме управляемый делитель напряжения образован сопротивлением диода VD1 и входным сопротивлением второго каскада УПЧ на транзисторе VT2 (первый каскад УПЧ собран на транзисторе VT1). Регулирующее напряжение снимается с детектора АРУ на диоде VD2 и усиливается усилителем постоянного тока на транзисторе VT3. Детектор АРУ является последовательным диодным детектором с нагрузкой,
В исходном состоянии диод VD1 полностью открыт напряжением, формируемым делителем R18R12R8R7R6R5 и коэффициент передачи управляемого делителя максимален. Как только выходное напряжение превысит порог срабатывания системы АРУ, диод VD2 откроется, и напряжение нагрузки с детектора АРУ через резистор R16 поступит на базу транзистора VT3, закрывая его. Это приведёт к росту отрицательного напряжения на коллекторе транзистора VT3, которое, будучи поданным через резисторы R12 и R8 на анод диода VD1, закроет диод, увеличив его сопротивление и тем самым, уменьшив коэффициент передачи управляемого делителя. Фильтр АРУ в этой схеме состоит из цепочек R15R16C11C12 и R12C7. Остальные элементы схемы выполняют свои обычные функции.

Рис.7 Схема АРУ с изменением крутизны усиления транзисторов.

Рис. 8 Схем АРУ с управляемыми делителями напряжения.



















