Радиолокационные приемники
Радиолокационные приемники
Назначение и структурные схемы
Радиолокационные приемники (РЛП) являются составной частью радиолокационных станций (РЛС), предназначенных для обнаружения, определения координат и параметров движения удаленных объектов (целей) путем приема отраженной от них электромагнитной энергии. В зависимости от структуры радиолокационного сигнала различают два вида РЛС: с импульсными и непрерывными сигналами. В импульсных РЛС передатчик периодически излучает кратковременные зондирующие импульсы (ЗИ) с гармоническим либо с частотно-модулированным ВЧ-заполнением, которые отражаются от объекта и принимаются РЛП в промежутках между ЗИ. В РЛС с непрерывным излучением используются немодулированные и ЧМ-колебания.
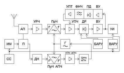
Приемники импульсных РЛС. В импульсных РЛС (рис. 1) передатчик излучает в направлении объекта короткие СВЧ-радиоимпульсы, которые после отражения от объекта поступают на вход приемника с временным сдвигом Δt = 2R/c. Где R - расстояние до объекта. По значению Δt можно судить о расстоянии R до объекта; узкая диаграмма направленности антенны РЛС позволяет определять угловое направление на объект. Система синхронизации (СС) вырабатывает синхроимпульсы (СИ), которые вызывают срабатывание импульсного модулятора (ИМ). Импульсы со стабильным периодом повторения
от ИМ запускают мощный импульсный передатчик (П), генерирующий короткие радиоимпульсы. Эти радиоимпульсы через антенный переключатель (АП), осуществляющий автоматическое переключение антенны с передачи на прием и обратно и обеспечивающий защиту входа приемника от больших уровней импульсного сигнала на выходе передатчика, излучаются в пространство в направлении объекта. Отраженный от объекта радиоимпульс принимается антенной и через АП передается на вход РЛП. Поскольку передаваемые и принимаемые радиоимпульсы разнесены во времени, в РЛС можно использовать общую антенну для передатчика и приемника. Сигнал с выхода АП усиливается малошумящим УРЧ, преобразуется в ПрЧ в сигнал промежуточной частоты, детектируется в детекторе радиоимпульсов (ДР), усиливается видеоусилителем (ВУ) и подается на устройство индикации (УИ), работа которого синхронизируется от СС. В УИ регистрируется время Δt между переданным и принятым импульсами. В качестве УИ обычно используют электронно-лучевую трубку. Для автоподстройки частоты гетеродина (Г) применяют двухканальную АПЧ. В приемнике РЛС по схеме рис. 1. предусмотрена, обычная программная и быстродействующая АРУ.

Рис. 1 Структурная схема приемника импульсной РЛС



















