Компенсированные и импульсные выпрямители
Компенсированные и импульсные выпрямители
- Обычные выпрямители имеют коэффициент мощности меньше 1.

Выпрямительная нагрузка имеет индуктивный характер
U1

I1 
- Улучшением показателей работы выпрямителей может быть достигнуто включением в схему выпрямления дополнительных устройств, обеспечивающих снижение обмена реактивной энергией индуктивного характера с питающей сетью. Это может быть реализовано подключением к первичной или вторичной обмоткам ПТ конденсаторов и LC фильтров. Врезультате происходит компенсация реактивной энергии в питающей сети. Такие выпрямители называются компенсационными.
- Использование устройств принудительной коммутации в схемах выпрямления (напр. конденсаторной коммутации ) или полностью управляемых СПП.( запирающих тиристоров или силовых транзисторов – другой способ снижения уровня обмена реактивной энергией с источником питания. Посредством опережения выключения СПП в плечах выпрямительной схемы можно обеспечить уменьшение угла фазового сдвига основной гармонической составляющей тока. Такой способ получил название секторного регулирования выпрямителей. При этом способе решается лишь задача снижения фазового сдвига между напряжением и первой гармоникой тока, но не обеспечивается снижение искажения формы тока.
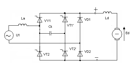
Выпрямители с секторным регулированием
1.
Рекомендуемые материалы

2.

3.

-дает отставание по фазе i1(1) от Ud,
-дает опережение по фазе i1(1) от Ud ,
и
- позволяет получить совпадение по фазе i1(1) от Ud.

полууправляемый мост VT1,VT2,VD1,VD2/
VT1’ и VT2’-вспомогательные коммутирующие тиристоры,
Cк - коммутирующий конденсатор.

Импульсные выпрямители
Другим эффективным способом повышения коэффициента мощности является способ на основе многократного включения и выключения СПП в каждом плече схемы выпрямителя в течение одного периода напряжения питающей сети. На основе модуляции длительности включенного и отключенного состояния в каждой фазе формируется ток заданной формы с требуемым сдвигом фазового угла основной гармоники.
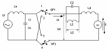
Схема замещения однофазного мостового выпрямителя с эквивалентным механическим коммутатором.

Коммутация на стороне переменного тока.
Возьмем четыре различные состояния коммутатора:
Замкнуты
1QF1 и 4QF2 Uc(t)
2QF1 и 3QF2 -Uc(t)
1QF1 и 3QF2 0
2QF1 и 4QF2 0
Состояния коммутатора сменяются с тактовой частотой
,
где f – частота,
N – кратность тактовой частоты.
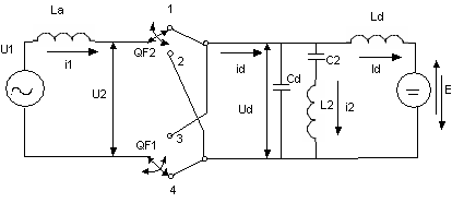
Ток на стороне коммутатора i2(t)

C2L2 – фильтр пробка
- коэффициент
заполнения,
tu – длительность включенного состояния,
Tp – период fp,
Люди также интересуются этой лекцией: 25 Контрольные вопросы.
- изменяется от 0 до1 при m=1 по синусоидальному законную
Изменяя коэффициент заполнения и коэффициент модуляции m можно плавно регулировать Ud, в том числе переводить его в область отрицательных значений (генераторный режим потребителя).

Схема замещения импульсного однофазного мостового выпрямителя с коммутацией на стороне постоянного тока.
Коэффициент мощности 1,…























