Введение в преобразовательную технику
Введение в преобразовательную технику
Примерно 100% электрической энергии производиться на электрических станциях трехфазного переменного тока частоты 50 Гц (60 Гц).
Примерно 30% электрической энергии переменного тока преобразуется в постоянный ток (с помощью выпрямителей). С учетом других видов преобразования, доля преобразованной электрической энергии составляет более 40 % от произведенной.
Основные виды преобразования
а- преобразовние преременного тока в постоянный (выпрямление)
применяется в тяговом электропиводе(ж/д), в промышленности –
электропривод (коллекторные двигатели постоянного тока);
b – преобразование электроэнергии постоянного тока с одними
параметрами, в электроэнергию постоянного тока с другими параметрами. Осуществляется с помощью импульсного преобразователя напряжения постоянного тока;
Рекомендуемые материалы
с –преобразование электрической энергии постоянного тока в электрическую энергию переменного тока –инвертирование.
Инверторы:
- Зависимые – (ведомые сетью) работают на частоте сети 50 Гц. При электротяге на переменном токе зависимые инверторы устанавливаются на ЭПС (ВИП). При тяге на постоянном токе ВИП устанавливаются на тяговых подстанциях.
- Автономные – служат для преобразования электричесой энергии постоянного тока в электроэнергию переменного тока с возможностью плавного регулирования частоты и уровня напряжения.
+ fвых =0,1..сотни герц
U = 0..Uн
-
Такой вид
создан для новых типов электровозов: ЭП=100, ЭП=200
ЭП=300
АИ – автономный инвертор
АСМ- асинхронная машина
d – преобразование электрической энергии переменного тока одних параметров в электрическую энергию переменного тока других параметров
Вид преобразования (d)
- преобразование электрической энергии однофазного переменного тока частоты 50 Гц в для асинхронного электропривода с звеном постоянного тока или с использованием непосредственного преобразователя частоты(НПЧ).
Примеры применения:
![]() |
СССР
Финляндия
![]() |
ЗИ- зависимый инвертор
СПП –статические полупроводниковые преобразователи
СПВ – силовые полупроводниковые вентили(тиристоры, диоды)
КПД СПП достигает 99,5%
СПВ обладают почти идеальными характеристиками ключа 1-2 В, которые достигают тока 1000 А, а в закрытом состоянии через вентиль протекает очень маленький ток, следовательно, потерь электрической энергии в открытом и закрытом состоянии почти нет, потери коммутационные.
Силовые полупроводниковые приборы
- диоды
![]() |
- тиристоры незапираемые
![]() |
- тиристоры запираемые
![]() |
- биполярные транзисторы с изолированным затвором (IGBT)

- полевые силовые транзисторы(MOSFET)
Номенклатура изделий – несколько тысяч
Диапазоны по основным параметрам:
10А – 4500А
100В – 8000В
50Гц – 1МГц
Лекция №2
Параметры силовых полупроводниковых вентилей
![]() |
Вольтамперная характеристика(ВАХ) диода
Uo – пороговое напряжение
Rд – дифференциальное сопротивление
А – В –электрический пробой (обратимый)
В – С –тепловой пробой (необратимый), с нарушением структуры

С увеличение температуры ВАХ деформируется в сторону увеличения тока
Тпред = 140°C (для диода)
- тепловое сопротивление
Предельные параметры вентиля
- по напряжению
Uп –повторяющееся напряжение – максимальное, длительно допустимое мгновенное значение напряжения, которое может прикладываться к вентилю в обратном направлении (или прямом направлении в закрытом состоянии для тиристора)
По повторяющемуся напряжению диоды делятся на классы:

Uнп – неповторяющееся напряжение – максимальное мгновенное значение напряжения, которое может прикладываться к вентилю редко ( грозовые перенапряжения)
Uнп=1,16Uнп (для тиристоров Uнп=1,11Uп)
- по току
Iп- предельный ток – максимально допустимое среднее значение тока через вентиль.
Параметры определяются в однополупериодной схеме выпрямления, при работе на активную нагрузку (50Гц)
ВАХ лавинного диода
![]() |
![]() |
Iуд – ударный ток – максимально допустимое амплитудное значение синусоидального тока, протекающего через вентиль в течении 0,01 сек.
ВАХ динистора
![]() | ![]() | ||
динистор

В –напряжение включения и ток включения
С – ток удержания – минимальное значение тока в прямом направлении, при котором динистор остается во включенном состоянии. Если прямой ток станет меньше тока удержания, динистор переходит в непроводящее состояние.
Если к динистору от одной из средних структур сделать вывод, то получится трехвыводной полупроводниковый прибор – тиристор.
![]() |
![]() | |||
![]() | |||
+ -
Uупр + Uупр -
Tпред=120°C – для не лавинного тиристора
Tпред=140°C – для лавинного тиристора
Критическая скорость нарастания прямого напряжения dU/dt и прямого тока dI/dt
Лекция №3
Групповое соединеие вентилей
![]() |
![]() |
Последовательное соединение
![]() |
При переходе диода из проводящего состояния в непроводящее используются следующие эквивалентные схемы:
![]() |
Сдиф – диффузионная емкость Сб – барьерная емкость

прямое включение (проводящее состояние) обратное включение диода (непроводящее состояние)
Сдиф обусловлена большим количеством неосновных носителей в р и n областях.
![]() |
Параллельное соединение
![]() |
Для выравнивания токов
применяют индуктивный делитель
Если Nпар<6, то используется замкнутая кольцевая схема.
Если Nпар>6, то применяется схема с задающим вентилем.
Замкнутая кольцевая схема Схема с задающим вентилем
![]() |
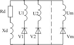
Принципы и схемы выпрямления переменного тока
Схема выпрямления – схема соединения вентилей между собой и с вентильной обмоткой трансформатора.
Вентили – это коммутирующие элементы, поочередно подключающие обмотки соответствующих фаз трансформатора к приемнику постоянного тока. Этот процесс переключения называется коммутацией вентильных токов.
Число переключений за период соответствует пульсности преобразования Р
Р=2,3,6,12,24,48,…
Схемы выпрямлениея подразделяются:
- нулевая
- мостовая
m- число фаз; q – число вентилей
нулевая схема с общим катодом мостовая схема


Если Хd = ∞, то Id идеально сглажен.
В нулевой схеме выпрямления с общим катодом в проводящем состоянии находится тот вентиль, на аноде которого напряжение больше, чем на анодах других вентилей.
Катодная группа
ВО-вентильная обмотка
Во вне коммутационный период в проводящем

состоянии находится 1 вентиль катодной
g - угол коммутации группы и 1 вентиль анодной группы
нулевая схема с общим анодом

В нулевой схеме с общим анодом в проводящем
состоянии находится тот вентиль, на катоде которого
напряжение меньше, чем на катодах других вентилей
Выпрямитель является источником гармоник тока в сети.
Номера гармоник определяются по формуле: n=kp+/-1
p- пульсность
k =1,2,3…
p=6, k=1,2,3; n=5,7,11,12,17,19…
p=12,n=11+13;23,25,35,37
Одновременно выпрямитель является источником гармоник напряжения на стороне постоянного тока
Fосн=fс*р
Лекция №4
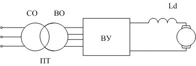
Выпрямительные агрегаты и их состав
- ВА на тяговых подстанциях

ПТ –преобразовательный трансформатор
ВУ – выпрямительное устройство
УР- уравнительный реактор
Ld- сглаживающий реактор
Lф,Cф- сглаживающий фильтр
СО –сетевая обмотка
ВО – вентильная обмотка
ПТ – преобразовательный трансформатор, назначение которого:
1) трансформация напряжения
2) гальваническая развязка цепей
3)Увеличение числа фаз – с целью увеличения пульсности преобразования, а это приводит к улучшению формы сетевого тока и уменьшения уровня пульсаций выпрямленного напряжения.
УР применяется в некоторых схемах выпрямления для уравнивания токов в параллельно соединенных выпрямительных устройствах.
Ld – предназначен для сглаживания пульсаций выпрямленного тока
Lф,Сф – предназначен для сглаживания пульсаций выпрямленного напряжения
На 1.01.2000г
947 тяговых подстанций постоянного тока
22 подстанции стыкования
2012 выпрямительных установок
47 инверторов и ВИП
54% выпрямительных установок – по схеме «две обратные звезды с УР» (шестипульсовая нулевая параллельного типа)
18% - по схеме шестипульсовая мостовя
28% - двеннадцатипульсовая (566 выпрямителей)
Программой 2000-2005гг планируется количество двеннадцатипульсовых ВУ довести до 50% и получить экономию электрической энергии до 0,5% на каждый агрегат

а) б) 

в)

1рис. Схемы выпрямления различной пульсности
а)однофазная нулевая;
б)трёхпульсовая нулевая;
в)шестипульсовая нулевая параллельного типа или две обратные звезды с уравнительным реактором (схема Кюблера);
г) шестипульсовая нулевая последовательного типа (схема Вологдина);
г)
шестипульсовая мостовая (схема Ларионова)

Двеннадцатипульсовые схемы выпрямления

Последовательного типа
![]() |


Линейные напряжения секций «звезда» и «треугольник» вентильной обмотки имеют сдвиг по фазе 30 °

Параллельного типа

![]() |


24-пульсовая схема выпрямления
![]() |
Лекция №5
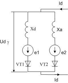
Коммутация вентильных токов в неуправляемых выпрямителях
Xc-сопротивление сети
Хт- сопротивление трансформатора
еI,II – ЭДС вентильной обмотки
Хd- сглаживающий реактор



Схема замещения
До момента t0

В момент to в проводящее состояние переходит вентиль V2, и оба вентиля на период коммутации будут в открытом состоянии. Это будет соответствовать режиму короткого междуфазного замыкания.
Во время коммутационного процесса:


Уравнение Кирхгофа для напряжений в контуре




















q – число вентилей коммутационной группе

амплитуда междуфазной ЭДС

из начальных условий при
и

тогда

По завершению коммутационного процесса ik=Id; iI=0,
=







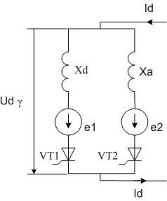
Коммутация вентильных токов в выпрямителях с управляемыми вентилями



Момент равенства напряжений коммутирующих фаз называют точкой естественной коммутации.
В Выпрямителях с управляемыми вентилями подача отпирающего импульса на очередной вентиль происходит с задержкой на угол
, относительно точки естественной коммутации, следовательно, и коммутационный процесс начинается с запозданием на угол
.
Уравнение процесса коммутации имеет тот же вид, что и для выпрямителей с неуправляемыми вентилями, т.е.



Во время коммутационного процесса:

Во время коммутационного процесса, напряжение на входе коммутационной группы равно полу сумме напряжений коммутирующих фаз.
Мгновенная потеря напряжения от коммутации:



Лекция №6
Двухпульсовые схемы выпрямления
Нулевая схема выпрямления

Xd=0 Работа на активную нагрузку.
Токи вентильных обмоток однонаправленные


Действующее значение тока вентильной обмотки:


Выразим
через 


Действующее значение тока сетевой обмотки:

Мощность вентильной обмотки:

Мощность сетевой обмотки:

Мощность трансформатора:




Xd=¥
при
Id=const
Форма выпрямленного напряжения не меняется, меняется форма тока вентильной и сетевой обмоток.

Действующее значение тока вентильной обмотки:

- длительность протекания тока в вентильной обмотке
=
Мощность вентильной обмотки:

Мощность сетевой обмотки:


Мощность трансформатора:

Для исключения подмагничивания сердечника трансформатора однонаправленными токами вентильных обмоток применяют расщепление вентильных обмоток с последующим соединением их по схеме «зигзаг»:


Uo- постоянная составляющая намагничивания
Двухпульсовые схемы выпрямления
мостовая схема выпрямления

Хd=¥

Действующее значение тока вентильной обмотки:

Мощность вентильной обмотки:

Мощность сетевой обмотки:




Мощность трансформатора:

Токи вентилей и обратные напряжения на вентилях в двухпульсовых схемах
Нулевая:
Средний ток вентиля 
Максимальное обратное напряжение 
Мостовая:
Средний ток вентиля 
Максимальное обратное напряжение 
Лекция №7
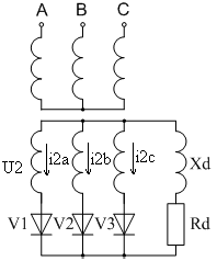
Трехпульсовая нулевая схема выпрямления
![]() |
Хd=¥
![]() |
-сетевой ток
Ток вентильной обмотки имеет постоянную составляющую равную
, которая трансформируется в вентильной обмотке, поэтому форма сетевого тока будет повторять форму вентильного тока, за вычетом постоянной составляющей.
1.

Действующее значение тока вентильной обмотки:

- длительность протекания тока в вентильной обмотке
Мощность вентильной обмотки:

Мощность сетевой обмотки:




Мощность трансформатора:

Средний ток вентиля:

Максимальное обратное напряжение на вентиле:

Трехпульсовая нулевая схема с расщеплением обмоток и соединением их в зигзаг

Шестипульсовая мостовая схема Ларионова
Хd=¥

Связь среднего выпрямленного напряжения с напряжением ВО за период повторения

Действующее значение тока вентильной обмотки:

- длительность протекания тока в вентильной обмотке
Мощность вентильной обмотки:

Мощность сетевой обмотки:




Мощность трансформатора:

Средний ток вентиля:

Максимальное обратное напряжение на вентиле:

Лекция №8
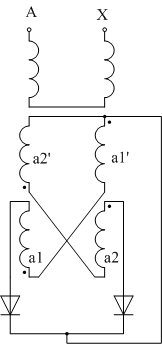
Шестипульсовая нулевая схема параллельного типа
- действующее напряжение ВО
![]() |


- мгновенное значение напряжения на входе шестипульсовой схемы выпрямления
- частота на зажимах уравнительного реактора, равная 150Гц
ep создает уравнительный ток, который протекает по вентильным обмоткам четной и нечетной звезд.
Через цепь выпрямленной нагрузки уравнительный ток не протекает. Цепь протекания уравнительного тока представляет собой индуктивное сопротивление, следовательно, уравнительный ток отстает на 90 ° градусов от напряжения на зажимах уравнительного реактора.
Действующее значение тока вентильной обмотки:

- длительность протекания тока в вентильной обмотке
Действующее значение тока сетевой обмотки:

- длительность протекания тока в вентильной обмотке
Мощность вентильной обмотки:

Мощность сетевой обмотки:



Мощность трансформатора:

Средний ток вентиля:

Максимальное обратное напряжение на вентиле:

Внешняя характеристика выпрямителя
схема выпрямления не в полной мере использует трансформатор, т.к. у нулевой схемы λ=2*π/3. Резкий подъём напряжения при х.х.

Способы регулирования выпрямленного напряжения (на ЭПС)
В случае использования неуправляемых вентилей, применяют секционирование ВО с помощью специальных секционных выключателей (контролеров), производят переключения выводов ВО, изменяя таким образом коэффициент трансформации.- Управляемые вентили:
а) фазовое регулирование: используя угол
,можно менять среднюю величину выпрямленного напряжения

коэффициент мощности


Вместе с этой лекцией читают "Системы массового обслуживания. Задачи".
- активная мощность;
- полная мощность.
Ограничивают
,чтобы не снижать 
Другое следствте больших углов
:искажение сетевого тока и увеличение уровня гармоник
б) Зонно-фазовое регулирование выпрямленного тока





























В случае использования неуправляемых вентилей, применяют секционирование ВО с помощью специальных секционных выключателей (контролеров), производят переключения выводов ВО, изменяя таким образом коэффициент трансформации.

















