Расчеты режимов электрических сетей
Лекция 4. Расчеты режимов электрических сетей. Задачи расчета и расчетные режимы.
Расчеты режимов электрических сетей выполняются для определения:
· загрузки элементов сети, соответствия пропускной способности сети ожидаемым потокам мощности;
· сечений проводов и кабелей и мощностей трансформаторов и АТ;
· уровня напряжений в узлах и элементах сети и мероприятий, обеспечивающих поддержание напряжения в допустимых пределах потерь мощности и электроэнергии для оценки экономичности работы сети и эффективности способов снижения потерь;
· уровня токов КЗ, соответствия существующей или намечаемой к установке аппаратуры ожидаемым токам КЗ, мероприятий по ограничению токов КЗ;
· пропускной способности сети по условиям устойчивости.
Расчеты режимов электрических сетей.
Исходными данными для расчета режимов служат:
Рекомендуемые материалы
1. Схема электрических соединений сети, характеризующая взаимную связь ее элементов.
2. Сопротивления и проводимости элементов.
3. Расчетные мощности нагрузок.
4. Значения напряжений в отдельных точках сети.
И иногда
5. Заданные диспетчерским графиком мощности, поступающие от источников питания.
Практическое применение нашли два основных метода расчета:
1. Систематизированного подбора,
2. Последовательных приближений (итерационный способ решения).
Первый эффективен в простых случаях, второй - основной для расчета сетей. Он предусматривает постепенный переход от более грубых ответов к более точным.
Первое приближение (нулевая итерация) может быть просто задано на основании представлений о возможных значениях искомых величин.
В качестве первого приближения обычно принимают предположение о равенстве напряжений во всех точках сети номинальному напряжению ее элементов.
Введение такого предположения позволяет определить мощность нагрузки по формуле:
; (1)
Ii - ток нагрузки; S*i - мощность нагрузки.
Токи нагрузок и остальные параметры режима сети и в том числе напряжения на зажимах нагрузки.
Последние являются уже вторым приближением к истинному решению. Основываясь на нем можно вновь с помощью формулы (1) найти токи и продолжать расчеты до тех пор, пока результаты последующих приближений не будут с заданной точностью отличатся от результатов предыдущих.
Практика показывает, что во многих случаях можно ограничиться решениями, полученными при второй и первой итерациях.
Расчетные схемы электрических сетей
Режим электрической сети рассчитывается применительно к схеме замещения.
Схема получается в результате объединения схем замещения отдельных элементов сети.
В расчетной практике выделяют два вида электрических сетей и соответствующих им расчетных схем:
n разомкнутые;
n замкнутые.
Рис. 1
Принципиальные схемы этих сетей показаны на рис. 1а, 2а.
Схемы замещения при напряжении 110кВ и выше приведены на рис. 1б и 2б.
Схемы замещения местных сетей (U<=35кВ) - на рис. 1в и 2в.

Рис 2
К числу простейших замкнутых относятся кольцевые сети рис. 2, а также сети и отдельные электропередачи с двухсторонним питанием, связывающие друг другом независимые источники мощности рис. 3.

Рис. 3
Для упрощения расчетных схем с номинальным напряжением <=220кВ при упрощенных расчетах вводят понятие расчетной нагрузки.
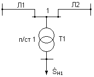
Возможность упрощения расчетной схемы посмотрим на примере (рис.4).

Рис. 4 а
В этой схеме к шинам подстанции 1, на которой установлен трансформатор Т1, подходят две линии районной эл.сети.
На рис. 4б показана схема замещения, характеризующая распределение мощностей в ветвях, связанных с узловой точкой 1.

Рис. 4 б
В этой схеме суммарная мощность, приходящая от линии к узлу 1 (проходящая по сопротивлениям 
, причем мощность
отличается от мощности нагрузки
на величину потерь в обмотках трансформатора (в сопротивлении Zт) и его потерь холостого хода, т.е.
.
Если перед расчетом режима всей сети предварительно определить мощность
(Sрас1), то она отразит влияние и емкостной проводимости (зарядной мощности линий) и потерь мощности в трансформаторе на режим ветвей расчетной схемы, примыкающей к т.1 и на режим всей рассчитываемой сети. В этом случае схема замещения упрощается и принимает вид (рис. 4в).

Рис. 4 в

- называется расчетной мощностью подстанции.
Вычисление расчетной мощности подстанции предшествует расчету режима сети
Т.к. напряжение в узловых точках схемы замещения пока неизвестны, то слагающие расчетной мощности должны определяться по номинальному напряжению сети:
;
; - зарядные мощности линий.
Потери в трансформаторах:

;

;

;

.
Расчет по номинальному напряжению обуславливает меньшую точность.
Расчет режимов линий электропередач в послеаварийных режимах
Наиболее тяжелые – выход из строя и отключение участков 1-2 и 3-4 (ближайших к источнику питания ). Проанализируем эти режимы и определим наибольшую потерю напряжения DUнб в режиме, когда отключен участок 4-3 рисунок е). Обозначим наибольшую потерю напряжения DU1-3 ав.
![]() |
Рекомендуем посмотреть лекцию "Часть 1".
В режиме, когда отключен участок 1-2 (рисунок ж), наибольшую потерю напряжения обозначим DU4-2 ав.
![]() |
Надо сравнить DU1-3 ав. и DU4-2 ав.и определить наибольшую потерю напряжения DUав.нб Если линия с двусторонним питанием имеет ответвления ----- ( рисунок з),то определение наибольшей потери напряжения усложняется.
![]() |
Так, в нормальном режиме надо определить потери напряжения DU1-3, DU4-3, DU1-2-5, сравнить их и определить DUнб.
Далее чтобы определить DUнб.ав. в послеаварийном режиме, надо рассмотреть аварийные отключения головных участков 1-2 и 4-5.
























