Подготовка руд к доменной плавке
1.4. Подготовка руд к доменной плавке
Производительность доменной печи, расход кокса и качество получаемого чугуна зависят от состава исходных материалов для плавки - железной руды, кокса и флюсов. При увеличении содержания железа в руде, применении кокса определенной и равномерной кусковатости повышается производительность доменной печи, снижается расход кокса. Установлено, что в шихтовых материалах для доменной плавки оптимальное содержание железа должно быть 60 - 61%. Однако содержание железа в добываемых рудах значительно ниже; кроме того, многие из них содержат вредные примеси, ухудшающие качество чугуна и стали, например серу, фосфор. Поэтому перед плавкой железные руды подвергают специальной подготовке, цель которой состоит в увеличении содержания железа в шихте, повышении ее однородности по кусковатости и химическому составу. Основные методы подготовки руды к плавке следующие: дробление и сортировка по крупности; обогащение; окускование. Метод подготовки добываемой руды зависит от со качества.
Дробление и сортировка руд по крупности необходимы для получения кусков руды определенной величины, оптимальной для плавки. Куски руды дробят и сортируют по крупности на специальных агрегатах – дробилках и классификаторах.
Руды обогащают для повышения содержания железа в шихте. В результате обогащения руду подразделяют на концентрат с высоким (более 60 %) содержанием железа и хвосты - отходы с небольшим содержанием металла. Способы обогащения руд основаны на использовании различия физических свойств минералов, входящих в состав руды: плотностей ее составляющие, магнитной восприимчивости, физико - химических свойств поверхностей минералов.
Промывка руды водой позволяет отделить плотные составляющие рудных минералов от пустой рыхлой породы (песка, глины).
Гравитация (отсадка) основана на отделении руды от легкой пустой породы при пропускании струи воды через дно вибрирующего сита, на котором лежит руда. При этом легкие зерна пустой породы вытесняются в верхний слой и уносятся водой, а тяжелые, содержащие рудные минералы, опускаются вниз. Применяют также гравитационное обогащение в тяжелых средах: руду погружают в жидкость, плотность которой выше плотности пустой породы. Рудный минерал осаждается на дно, а пустая порода всплывает и удаляется.
Магнитная сепарация основана на различии магнитных свойств железосодержащих минералов и частиц пустой породы. Измельченную руду подвергают действию магнита, притягивающего железосодержащие минералы, отделяя их от пустой породы. Этим способом обогащают магнетитовые руды. Для обогащения бурых железняков их подвергают магнетизирующему обжигу при 600 - 800° С в печах с слабовосстановительной атмосферой. В результате слабомагнитная окись железа Fе2О3 переходит в магнитную закись - окись Ге3О4. После такого обжига руду направляют на магнитную сепарацию.
Окускование производят для переработки концентратов, полученных после обогащения, в кусковые материалы необходимых размеров. Используют два способа окускования: агломерацию и окатывание.
Агломерация заключается в спекании шихты, состоящей из железной руды мелких фракций (40…50 %), известняка (15 … 20 %), возврата мелкого агломерата (20… 30 %), коксовой мелочи (4 … 6 %), влаги (6…9 %) на специальной машине для улучшения их металлургических свойств. Эти материалы смешиваются с измельченным твердым топливом (коксом, углем), увлажняются и подаются в агломерационную машину. Спекание выполняют на агломерационных машинах при 1300…1500 °С. В процессе спекания из руды удаляются вредные примеси (сера, частично мышьяк), карбонаты разлагаются и получается кусковой пористый офлюсованный материал - агломерат.
Рекомендуемые материалы
Агломерационная машина ленточного типа состоит из большого числа паллетспекательных тележек с отверстиями в днище, двигающихся по направляющим рельсам (рис. 1.2). В загруженной паллете после зажигания газовыми горелками начинается горение топлива, причем фронт горения распространяется сверху вниз. Воздух просасывается сквозь пой шихты благодаря действию специальных вакуумных устройств, называемых эксгаустерами. Температура в слое шихты достигает 1300…1600 °С.
|
|
Рекомендация для Вас - Первые памятники на древнеанглийском языке.
В результате восстановления оксидов железа в присутствии кремнезема образуется фаялит Fе2SiO4 по реакции
2Fе304 + 3Si02 + 2СО = ЗFе2SiO4 + 2СO2.
В зоне горения фаялит, имеющий температуру плавления 1209 °С, плавится и смачивает зерна шихты, благодаря чему при охлаждении образуется твердая пористая масса — агломерат. Агломерат имеет высокую пористость (до 50 %) и хорошую восстановимость. Кроме того, в процессе спекания почти полностью выжигается сера, которая удаляется в виде сернистого газа. В металлургии обычно используют офлюсованный агломерат, для чего в шихту дополнительно вводят известняк.
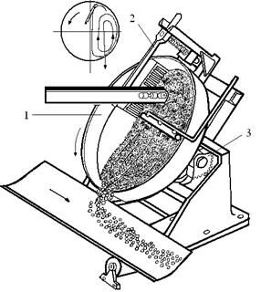
Окатывание применяют для обработки тонко измельченных концентратов. Шихта, состоящая из измельченных концентратов, флюса, топлива, увлажняется и при обработке во вращающихся барабанах, тарельчатых чашах (грануляторах) приобретает форму шариков-окатышей диаметром до 30 мм. Окатыши высушивают и обжигают при 1200…1350 °С на специальных машинах (рис. 1.3).


После обжига окатыши приобретают высокую прочность при достаточной пористости. Использование агломерата и окатышей исключает отдельную подачу флюса - известняка в доменную печь при плавке, так как флюс в необходимом количестве входит в их состав. Это улучшает работу доменной печи, повышает ее производительность, снижает расход кокса. Шихта состоит из тонкоизмельченного концентрата (меньше 0,5 мм), из известняка (флюса) и возврата (отбракованных окатышей). Для лучшего окатывания шихту увлажняют (8…10 %) и в ее состав добавляют связующее – бентонитовую глину (до 1,5 %). Образование окатышей диаметром 25…30 мм происходит в грануляторе – вращающейся со скоростью 6…9 об/мин неглубокой чаше. Далее окатыши подвергают сушке при температуре 200…400 °С, а затем обжигу при 1300…1400 °С, после чего они приобретают высокую прочность.
























