Балансный каскад упт
Балансный каскад упт
(Дифференциальный усилитель)

Одним из основных применений ДУ является усиление малых сигналов на фоне больших синфазных помех различного происхождения.
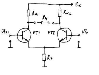
Схема представляет собой мост, плечами которого с одной стороны выступают К-ые резисторы, а с другой стороны внутреннее сопротивление транзисторов. Основное требование – это полная симметрия плеч, тогда при
(
)

, где
- дифференциальная составляющая входного сигнала
- синфазная составляющая входного сигнала
-дифференциального сигнала при
(
)
Рекомендуемые материалы
-синфазного сигнала при
(
)
Дифференциальный сигнал – является полезным сигналом.
Синфазный сигнал – различные помехи и наводки, действующие одновременно на обоих выводах.
При воздействии дифференциального сигнала
токи коллектора изменятся на одну и ту же величину, но противоположную по знаку, т.е.:

При этом напряжение:
, сл-но, на нагрузке
будет напряжение
. Можно записать:
,т.о.
в 2 раза больше обычного каскада ОЭ.
При включении нагрузки
средняя точка
будет иметь неизменный потенциал
, поскольку потенциалы на его выводах имеют одинаковые и противоположные по знаку приращения. Т.о., каждое плечо нагружено на сопротивление
(средняя точка «заземлена»).
- для одного плеча.
Поскольку
, то
при дифференциальном входном сигнале.
(1)
Поэтому напряжение
не изменятся, и тем самым ООС по переменному току отсутствует.
Коэф. усиления синфазного напряжения определяется при замкнутых входных выходах и замкнутых коллекторах.


Вместе с этой лекцией читают "1.2. Векторный способ описания изображения".
(2)
Действие синфазного входного сигнала приводит к одинаковому приращению
:
.
Т.о., налицо процесс подавления синфазного сигнала. Кроме того, на
за счет одинаковых знаков
и увеличится напряжение (1), т.е. проявляется эффект ООС по току. Из формулы (2) следует , что
тем меньше, чем больше
, но увеличение
ограничивается минимально допустимым рабочим током коллектора транзисторов. Поэтому в качестве
используют транзистор, поскольку
(из выходной нагрузочной характеристики – нагрузочной прямой).
; 
;


!!! Коэффициент подавления синфазного сигнала:






















