Мультиплексоры и демулмиплексоры
2.4. Мультиплексоры и демулмиплексоры
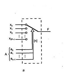
В цифровых устройствах часто возникает задача передачи цифровой информации от т различных устройств через канал общего пользования и обратная задача передачи информации, получаемой из общего канала т различным устройствам. Для этого на входе канала устанавливается устройство, называемое мультиплексором, которое осуществляет подключение одного из входных каналов к выходному под управлением адресного слова Ат, а на выходе канала -устройство демультиплексор , которое передает данные из входного канала к одному из приемников, имеющему цифровой адрес An. Входы мультиплексора и демультиплексора делятся на две группы: информационные и адресные. Работу мультиплексора можно упрощенно представить с помощью многопозиционного ключа. Адресующий код А задает переключателю определенное положение, соединяя с выходом F один из информационных входов хi.
При нулевом адресующем коде переключатель занимает верхнее положение х0, с увеличением кода на единицу переходит в соседнее положение x1 и т. д.

Рис. 2.9. Упрощенное представление мультиплексора многопозиционным ключом (а)
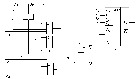
Логика функционирования мультиплексора для количеством входов 4 описывается табл. 5.9, где X0, ..., Х3 — выходы источников информации. Логика функционирования демультиплекетра для случая 4-х выходов иллюстрируется табл. 5.10, где уа, ..., у3—входы приемников информации.
Таблица 5.9 Таблица 5.10
| Вход | Адрес А1 Ао | Рекомендуемые материалыТехническое задание FREE Маран Программная инженерия -34% ЛЮБАЯ практика в Синергии! -47% Помощь с закрытием всего семестра! Выход у |
| X3X2X1X0 | 0 0 0 1 1 0 1 1 | Х0 Х1 Х2 Х3 |
| Вход | Адрес А1 Ао | Выходы уо,у1 у2 у3 |
| Х | 0 0 0 1 1 0 1 1 | 000Х 00Х0 0Х00 Х000 |
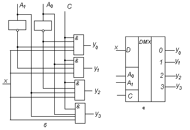
Мультиплексор и демультиплексор включают в себя дешифратор адреса. Сигналы дешифратора управляют логическими вентилями, разрешая передачу информации только через один из них.
Мультиплексор, реализующий заданное табл. 5.9 преобразование, можно построить на логических элементах И, ИЛИ ,НЕ (рис. 5.15,6). Вход С (рис. 5.15,в) обеспечивает передачу информации в канал только в разрешенные строб-импульсом моменты времени.

Рис. 5.15 Мультиплексор
Аналогично можно построить демультиплексоры (рис. 5.16 б, в) в соответствии с табл. 5.10.

Рис. 5.16. Демультиплексор
Наращивание размерности
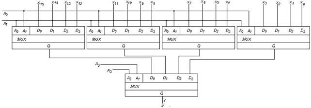
Наращивание размерности мультиплексоров возможно с помощью пирамидальной структуры из нескольких мультиплексоров.
Рекомендуем посмотреть лекцию "41 Животный мир как объект использования и охраны".
Если выходы мультиплексоров первой ступени подключить ко входам мультиплексора второй ступени, образуется так называемое мультиплексориое дерево. На рис. 5.17,а показана схема , реализующая функцию «16 –1» на 4-х разрядных мультиплексорах. При этом первый ярус схемы представляет собою столбец, содержащий столько мультиплексоров, сколько необходимо для получения нужного числа информационных входов. Все мультиплексоры столбца адресуются одним и тем же кодом, составленным из соответствующего числа младших разрядов общего адресного кода (А0А1). Старшие разряды адресного кода (А2А3) используются во втором ярусе, мультиплексор которого обеспечивает поочередную работу мультиплексоров первого яруса на общий выходной канал.
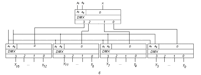
Аналогично строится демультиплексорное дерево (рис. 5.17,6).


Рис. 5.17. Мультиплексорное (а) и демультиплексорное (б) дерево
Рассмотрим некоторые схемотехнические применения мультиплексоров. Можно использовать мультиплексор в качестве преобразователя параллельного m-разрядного двоичного кода в последовательный. Для этого достаточно на входы мультиплексора подать параллельный код и затем последовательно изменять код адреса в требуемой последовательности. При этом во избежание появления ложного сигнала на выходе мультиплексора строб-импульс на время переключения адреса должен отключать выход от входов. Аналогично демультиплексор, выходы которого подключаются ко входам запоминающего регистра, можно использовать для преобразования последовательного кода в параллельный.




















