Передачи коническими колесами
Лекция №8
Передачи коническими колесами
Конические колеса применяют в передачах с пересекающимися валами. Конические колеса выполняют с прямыми, косыми, круговыми и другими криволинейными зубьями. В настоящее время наибольшее распространение получили колеса конические с круговыми зубьями. Прямозубые колеса уместно применять при невысоких окружных скоростях (до 8 м/с). При высоких скоростях целесообразно применять колеса с круговыми зубьями как обеспечивающие более плавное зацепление, большую несущую способность и более технологичные.
Недостатки конических передач:
1) сложность изготовления;
2) сложность регулировки пятна контакта зубьев;
3) относительно низкий К.П.Д. (h к = 0,94…0,97).
Последнее объясняется тем, что при несовпадении вершин начальных конусов колес резко увеличивается скольжение в контакте зубьев. В связи с этим в конструкции редуктора должна быть предусмотрена возможность регулировки зацепления конических колес.
Элементы геометрического расчета
Рекомендуемые материалы

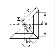
Угол между осями валов S, может быть любым, но наибольшее распространение получил угол S=900. Очевидно, что S=d1+d2, где d1 и d2– углы делительных конусов шестерни и колеса соответственно.
Внешнее конусное расстояние Re определяет габариты передачи (рис. 8.1).
Рабочая ширина зубчатого венца bw может быть выражена формулой
bw=ybd dm1=ybR Re,
где ybd – коэффициент ширины шестерни относительно её делительного диаметра,
– коэффициент ширины зубчатого венца относительно внешнего конусного расстояния, dm – делительный диаметр в среднем сечении.
Вместо начальных и делительных цилиндров цилиндрических колес в конических колесах вводят понятия - начальный и делительный конуса, которые обладают теми же свойствами, что и делительные и начальные цилиндры. Все размеры зубчатого колеса определяются по наружному торцу:
hae= mte – внешняя высота головки зуба;
hfe= 1,2mte – внешняя высота ножки зуба;
mte – окружной модуль на внешнем торце;
df – угол конуса впадин зубьев;
da – угол конуса выступов зубьев;
de=mte z– диаметр внешней делительной окружности;
dae= de+2ha cosd – внешний диаметр окружности выступов;
dfe= de -2hf·cosd – внешний диаметр окружности впадин.
Под диаметром делительной окружности конического зубчатого колеса понимают диаметр основания делительного конуса колеса de= mte z=2Re sinδ,откуда
.
Размеры зуба по длине различны, поэтому вводятся понятия о диаметре и модуле в среднем сечении:



, где Rm – среднее конусное расстояние.
Передаточное число
, т.к. de1=2Re sind1 и de2=2Re sind2, то
. Для ортогональных передач, в которых S=900 , sind1 = cosd2 и U=tgd2=ctgd1.
Усилия в зацеплении
Усилия в зацеплении рассмотрим на примере конической прямозубой передачи. Условно считаем, что все силы приложены в середине зуба на диаметрах dm1 и dm2 (см. рис. 8.3). В сечении плоскостью “n-n” нормальной поверхности зуба действует полное усилие Fn, которое раскладывается на окружное усилие Ft и усилие Fr'. В свою очередь усилие Fr' во фронтальной плоскости раскладывается на Fa (осевое усилие) и Fr (радиальное усилие). Для определения всех сил исходной является

через него определяются усилия
Для колеса направление сил противоположно, при этом

Эквивалентные колеса и определение их параметров
Размеры поперечных сечений зуба конического колеса изменяются пропорционально расстоянию этих сечений от вершины конуса. Все поперечные сечения зуба геометрически подобны. При этом удельная нагрузка q (рис. 8.4) распределяется неравномерно по длине зуба. Она изменяется в зависимости от величины деформации и жесткости зуба в различных сечениях по закону треугольника, вершина которого совпадает с вершиной делительного конуса. Контактные и изгибные напряжения одинаковы по всей длине зуба. Это позволяет вести расчет на прочность по любому из сечений. Практически удобно принять за расчетные сечения среднее сечение зуба с нагрузкой qср.
Для расчета на прочность конические колеса заменяют эквивалентными цилиндрическими, размеры которых определяются по развертке дополнительного конуса j, в среднем сечении (рис 8.5), при этом mtv = mtm.
Диаметр эквивалентного колеса

![]() |
но
получаем
, т.к mtv = mtm, то
, т. е. 
.
Расчет на контактную прочность
Рассмотрим расчет конического колеса с прямым зубом и S=900. Расчет сводится к расчету эквивалентного цилиндрического колеса с прямым зубом (рис. 8.6). Опытом установлено, что коническое колесо все же менее прочно, чем цилиндрическое с размерами эквивалентного. Коническое колесо может передать в среднем 0,85 нагрузки цилиндрического с размерами эквивалентного, т. е.
bv=0,85bw.
По теории Герца - Беляева
.
Полная нагрузка 
Приведенный радиус кривизны
где
;

Запишем отношение
, откуда
.
но
или
.
Тогда
.
После подстановки в формулу Герца - Беляева имеем
.
Обозначим
- коэффициент, учитывающий форму сопряженных поверхностей, тогда имеем

В проектировочном расчете bw=ybddm1. Возводим в квадрат обе части уравнения
или
.
Получаем, что 
где
- вспомогательный коэффициент.
Расчет на изгибную прочность зубьев конического колеса
Расчет сводится к расчету эквивалентного цилиндрического колеса.
Для цилиндрического колеса имеем выражение 
Для проверочного расчёта после подстановки параметров конического колеса
получим



Для проектировочного расчета имеем 
Потери в зацеплении и определение КПД зубчатых передач
Потери мощности в зубчатых передачах в основном складываются из:
1) потерь на трение в зацеплении;
2) потерь на разбрызгивание масла;
3) потерь в подшипниках;
4) вентиляционных потерь (в особо быстроходных передачах).
Коэффициент полезного действия зубчатой передачи
h =1- Nr / N1,
где N1 – мощность на входе; Nr – мощность, потерянная в передаче.
Nr = NЗ +NГ +NП,
где NЗ, NГ, NП – соответственно мощности, потерянные на трение в зацеплении, на разбрызгивание и перемешивание масла (гидравлические потери), на трение в подшипниках.
Введем понятия
y З = NЗ /N1 – коэффициент потерь в зацеплении,
- коэффициент гидравлических потерь,
- коэффициент потерь в подшипниках.
Если Вам понравилась эта лекция, то понравится и эта - 6 Понятие законодательного процесса и его стадий.
Тогда КПД можно записать
.
Потери в зацеплении составляют главную часть потерь передачи и определяются как
,
где f – коэффициент трения; ky =1 – для некорригированной передачи;
ky =1,15…1,4 - для зацепления с высокой коррекцией.
Гидравлические потери растут с увеличением скорости, вязкости смазки, ширины колес, глубины погружения колес в масляную ванну. Они не зависят от нагрузки и поэтому относятся к числу так называемых постоянных потерь. Раздельное измерение потерь затруднено, поэтому измеряют суммарные потери в передаче.























