Функциональные усилители
Функциональные усилители
Идея заключается в представлении нелинейной зависимости Uвх, Uвых в виде кусочно-линейной аппроксимации и построении такой схемы усилителя, коэффициент усиления которой зависит от входного или выходного сигнала:
![]() |
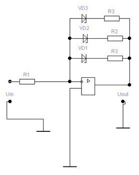
Простейшая схема ФП: (с возрастающим коэффициентом усиления).

![]() |

Рекомендуемые материалы
![]() | ![]() | ||
Этот ФП работает при входных напряжениях < 0. Если необходимо положительное Uвх, стабилитроны необходимо включить обратно.
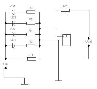
ФП с убывающим коэффициентом усиления:

Недостатки:
- дискретность ряда стабилитрона;
Обратите внимание на лекцию "5 Повышение надежности сервера".
- нелинейность ВАХ стабилитронов.
Эти недостатки ограничивают практическое применение этих схем. Кроме того, отпирающий ток стабилитронов очень мал и сравним с выходным током ОУ, что тоже очень плохо.
![]() |

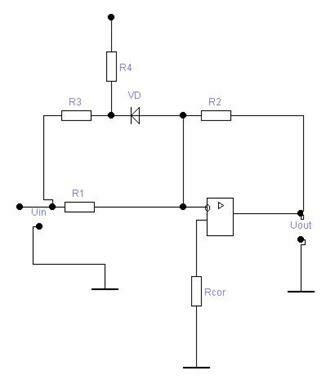
VD1 работает при положительных входных сигналах, VD2 – при отрицательных.


























