Компенсация реактивной мощности
ЛЕКЦИЯ № 9
Компенсация реактивной мощности.
Цель лекции:
· ознакомление с понятием коэффициента мощности,
· ознакомление с методами повышения коэффициента мощности и снижения потерь,
· методика выбора компенсирующего устройства.
Рекомендуемые материалы
1. Коэффициент мощности.
Промышленное предприятие является потребителем активной и реактивной энергии. Основными потребителями реактивной энергии являются асинхронные двигатели, которые составляют подавляющее большинство потребителей на предприятии. Потребителями реактивной мощности являются так же трансформаторы, ВЛ. Электроприёмники, имеющие ёмкостной характер: статические конденсаторы, КЛ являются, в свою очередь, источниками реактивной энергии.
Отношение активной мощности Р ко всей потребляемой мощности предприятия S называется коэффициентом мощности cosφ:
(9.1)
Коэффициент мощности электротехнической установки без применения специальных средств к его повышению носит название естественного, и составляет для большинства предприятий 0,6-0,8.
Генераторы для обеспечения электроэнергией предприятия рассчитываются для работы с их номинальным коэффициентом мощности не ниже 0,8, при котором они способны выдавать номинальную активную мощность. Снижение коэффициента мощности у потребителей ниже этого значения может привести к тому, что выдаваемая генераторами мощность будет меньше номинальной при той же полной мощности. Поэтому, при низких коэффициентах мощности у потребителя для обеспечения передачи активной мощности необходимо сооружать либо более мощные электростанции, либо принимать меры для увеличения cosφ.
При протекании в электрических сетях реактивной мощности, последняя обуславливает добавочные потери активной мощности и дополнительные потери напряжения ∆U:
, (9.2)
где R и Х – активное и реактивное сопротивление сети.
Потери активной мощности при этом:
(9.3)
Для повышения напряжения у потребителя и уменьшения потерь следует стремиться к уменьшению передаваемой реактивной мощности. Это достигается повышением коэффициента мощности за счёт:
· рационализации работы электрооборудования или естественная компенсация электроприёмников;
· компенсация реактивной мощности.
2. Естественная компенсация реактивной мощности.
Естественная компенсация реактивной мощности не требует больших материальных затрат. Одним из основных условий рационального электроснабжения предприятия является соответствие мощностей электродвигателей и потребляемым мощностям механизмов, приводимых этими электродвигателями в движение.
К естественной компенсации реактивной мощности относятся:
· упорядочение технологического процесса, ведущее к выравниванию графика нагрузок (равномерное распределение нагрузок по фазам, смещение обеденного времени для разных цехов и др.),
· создание рациональной системы электроснабжения за счёт уменьшения количества ступеней трансформации,
· замена трансформаторов старой конструкции на новую с меньшими потерями на перемагничивание,
· замена малозагруженных трансформаторов и двигателей трансформаторами и двигателями меньшей мощности и их полная загрузка,
· ограничение продолжительности режима холостого хода электродвигателей,
· отключение части силовых трансформаторов при малой загрузке (например, в выходные дни),
· замена асинхронных двигателей синхронными, поскольку синхронные двигатели при перевозбуждении могут работать с коэффициентом мощности, близким к единице, и даже выдавать реактивную мощность в сеть.
3. Компенсация реактивной мощности.
Благодаря естественной компенсации реактивной мощности можно лишь частично разгрузить систему электроснабжения от реактивной мощности. В большинстве случаев естественной компенсации реактивной мощности не достаточно для повышения коэффициента мощности до требуемого значения. Поэтому, для обеспечения работы генераторов с номинальными параметрами и для разгрузки сети от реактивной мощности целесообразно часть этой мощности генерировать на месте её потребления. Такая компенсация называется «поперечной».
Основными источниками реактивной мощности, устанавливаемыми на месте потребления являются синхронные компенсаторы и конденсаторные батареи. Наиболее широко используются статические конденсаторы на напряжение до 1000В и 6-10кВ. В случаях, когда компенсирующие устройства остаются подключенными к сети, а потребители реактивной мощности отключаются от неё, происходит перекомпенсация. Результатом этого является увеличение суммарных потерь мощности и усложнение устройств регулирования напряжения. Поэтому нашли применение управляемые компенсирующие устройства на основе полупроводниковых приборов.

Рис. 9.1 Схемы без компенсации (а) и с компенсацией (б) реактивной мощности и их векторные диаграммы.
Наглядное представление о сущности компенсации реактивной мощности даёт рис. 9.1. До компенсации потребитель имел активную мощность Р, соответственно ток Ir и реактивную мощность от реактивной нагрузки Q c соответствующим током Ix. Полной мощности соответствует вектор Iн. Коэффициент мощности до компенсации cosφ1.
После компенсации, то есть после подключения параллельно нагрузке конденсатора с мощностью Qc суммарная реактивная мощность потребителя будет Q-Qc ( ток Ix-Ic). Угол φ уменьшится, и коэффициент мощности повысится с cosφ1 до cosφ2. Полная потребляемая мощность при той же активной мощности снизится с S1 (ток Iн) до S2 (ток I2). Поэтому при том же сечении можно повысить пропускную способность линии по активной мощности.
В идеале необходимо проводить полную компенсацию, когда Q=Qc, но в реальности такая ситуация недостижима из-за постоянно меняющейся конфигурации сети, изменения режима работы приёмников и т.п.
При компенсации реактивной мощности уменьшаются и потери напряжения в электропередачах. Если до компенсации потеря напряжения определялась выражением (9.2), то при наличии компенсации мы будем иметь:
(9.4)
Как уже отмечалось, компенсацию реактивной мощности производят с помощью конденсаторных батарей, которые получили наибольшее распространение. Широкое распространение конденсаторных батарей объясняется их преимуществами: незначительные удельные потери активной мощности, отсутствие вращающихся частей, простота монтажа, относительно невысокие массогабаритные и стоимостные показатели, отсутствие шума во время работы и др. Однако существуют и недостатки: пожароопасность, наличие остаточного заряда, который необходимо снимать, чувствительность к перенапряжениям, потребность в специальных условиях утилизации отработавших батарей.
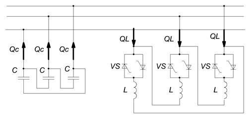
В сетях с резкопеременной ударной нагрузкой, а так же для плавной регулировки уровня компенсации рекомендуется применение комбинированных быстродействующих источников реактивной мощности (рис. 9.2). Регулирование индуктивности в данном случае осуществляется тиристорами VS.

Рис. 9.2 Принципиальная схема быстродействующего компенсирующего устройства.
Другим техническим средством компенсации реактивной мощности, которое получило распространение, является синхронный компенсатор. Он представляет собой синхронный двигатель без нагрузки на валу. Он может работать как в режиме генерирования реактивной мощности, так и режиме её потребления. Изменение генерируемой или потребляемой реактивной мощности компенсатора осуществляется регулированием его возбуждения.
Достоинством синхронного компенсатора, как источника реактивной мощности является возможность плавного регулирования генерируемой реактивной мощности и высокая стойкость в режимах короткого замыкания и перенапряжения.
Основным отличием синхронного двигателя от асинхронного является то, что магнитное поле, необходимое для действия двигателя, создаётся в основном от отдельного источника постоянного тока (возбудителя). Вследствие этого в нормальном режиме синхронный двигатель почти не потребляет из сети реактивной мощности, необходимой для создания главного магнитного потока, а в режиме перевозбуждения (при опережающем коэффициентом мощности) может генерировать реактивную мощность в сеть.
Синхронные двигатели могут вырабатывать реактивную мощность при напряжении Uном:
Q=0,5Pном (9.5)
Одним из недостатков синхронных двигателей является дополнительные активные потери в обмотке, вызываемые генерируемой реактивной мощностью:
, (9.6)
Где Qном – номинальная реактивная мощность, r – cопротивление одной фазы обмотки двигателя.
4. Выбор компенсирующих устройств.
При выборе компенсирующего устройства основным вопросом является выбор мощности компенсирующего устройства. При выборе мощности компенсирующего устройства стремятся к правильному распределению источников реактивной мощности и наиболее экономичной загрузке сети.
Требуемая мощность компенсирующего устройства выбирается с учётом наибольшей реактивной мощности Qэ, которая может быть передана из сетей энергосистемы. Должно соблюдаться условие:
, (9.7)
где Qр – расчётная потребляемая предприятием реактивная мощность, Qk – реактивная мощность, которая должна быть скомпенсирована на предприятии.
На предприятии задаётся режим потребления реактивной мощности с учётом его максимальных нагрузок. Это требование заключается в том, что задаются значения Qэ1 – реактивной мощности, выдаваемой энергосистемой предприятию в течении получаса в период максимальных активных нагрузок системы, и Qэ2 – средней реактивной мощности, передаваемой из сети энергосистемы или генерируемой в сеть в период её наименьшей нагрузки. Поэтому можно записать:
Qk max=Qp max-Qэ1 и (9.8)
Qk min=Qp min-Qэ2, (9.9)
где Qk max , Qk min необходимые мощности компенсирующего устройства в режиме максимальных и минимальных нагрузок, Qp max , Qp min – расчётная реактивная мощность предприятия в режиме максимальных и минимальных нагрузок.
Таким образом, недостаток в энергосистеме реактивной энергии для покрытия реактивных нагрузок предприятия устраняется за счёт компенсирующих устройств предприятия.
Для того, чтобы стимулировать предприятие на внедрение мероприятий по компенсации реактивной мощности введена система оплаты за электроэнергию и по потребляемой реактивной мощности.
Выбор мощности компенсирующих устройств и распределение их по сетям предприятия производят на основании технико-экономических затрат. Приведённые затраты на компенсацию реактивной мощности:
Зк=З0к+Зу,к1Qк+Зу,к2Qк2, (9.10) где Qк – реактивная мощность компенсирующего устройства, З0к – постоянная составляющая затрат, не зависящая от мощности Qк, Зу,к1 – удельные затраты на 1 квар реактивной мощности, Зу,к2 – удельные затраты на 1 квар2 реактивной мощности.
Постоянная составляющая затрат:
З0к=ЕнК0, (9.11)
где Ен – нормативный коэффициент эффективности капитальных вложений, К0 – затраты на коммутационную аппаратуру, регулирующие устройства и др.
На основе технико-экономического сравнения вариантов необходимо дополнительно рассматривать вариант, когда компенсирующее устройство вообще не устанавливается и предприятие будет вынуждено платить за потребление реактивной мощности.
Источники реактивной мощности напряжением 6-10 кВ более экономичны по сравнению с напряжением до 1 кВ. Однако передача реактивной мощности из сети 6-10 кВ в сеть до 1 кВ может привести к увеличению числа трансформаторов на ТП, обусловленного их дополнительной загрузкой, передаваемой реактивной мощностью, и соответственно к увеличению потерь электроэнергии в линиях и трансформаторах.
Мощность компенсирующего устройства в сетях напряжением до 1 кВ определяется по минимуму затрат выбором оптимального числа трансформаторов цеховых ТП и определением дополнительной мощности компенсирующих устройств ниже 1 кВ в целях оптимального снижения потерь в трансформаторах и в сети 6-10 кВ, питающей эти трансформаторы.
Рассчитанная таким образом мощность компенсации распределяется между всеми трансформаторами цеха пропорционально их реактивным нагрузкам.
Ориентировочное количество необходимых трансформаторов одинаковой оптимальной экономической мощности для покрытия всех электрических нагрузок цеха при неравномерном распределении этих нагрузок по площади цеха выбирается по выражению:
, (9.12)
где Sсм – полная средняя мощность цеха за максимально загруженную смену, Sном.т – оптимальная экономическая номинальная мощность трансформатора, β – рекомендуемый коэффициент загрузки трансформаторов, λ=cosφ2/cos φ1 отношение коэффициентов мощности на стороне вторичного напряжения трансформатора соответственно после и до компенсации реактивных нагрузок.
Наибольшая реактивная мощность, которая может быть передана из сети 6-10 кВ в сеть напряжением до 1 кВ для покрытия оставшейся нескомпенсированной реактивной мощности в сети до 1 кВ без увеличения числа устанавливаемых трансформаторов определяется:
, (9.13)
где Рсм2 – активная средняя нагрузка за максимально загруженную смену.
5. Выбор местоположения компенсирующего устройства.
После ориентировочного определения необходимой мощности компенсирующего устройства возникает задача их оптимального расположения в системе электроснабжения предприятия. Наибольший эффект достигается при установке компенсирующего устройства вблизи электроприёмника с наибольшим потреблением реактивной мощности, так как это приводит к максимальному снижению потерь электроэнергии. От выбора места установки компенсирующего устройства зависят его стоимость и потери электроэнергии. Минимальную стоимость имеют батареи статических конденсаторов на напряжение 6-10 кВ, но при их установке наибольшими будут потери активной мощности в элементах системы электроснабжения, находящиеся вне зоны компенсации.
Поэтому, задача размещения компенсирующих устройств в системах электроснабжения является многофакторной. Их оптимальному размещению соответствует технически приемлемый вариант, который обеспечивает минимальные расчётные затраты. Наличие сложных разветвительных систем с разнородной нагрузкой приводит к необходимости рассмотрения большого количества вариантов.
Для электроснабжения крупных предприятий, характеризующихся наличием разветвлённой системы электроснабжения, рекомендуется следующая методика:
1) Определяется центр потребления реактивных нагрузок (х0, у0) на территории предприятия;
2) На основании технико-экономических расчётов определяется целесообразная мощность компенсирующего устройства Qк. При этом могут быть варианты: на территории предприятия компенсирующие устройства отсутствуют вообще, либо на предприятии установлены компенсирующие устройства и их необходимо дополнить новыми. В первом случае место установки должно находиться ближе к центру потребления реактивных нагрузок. Во втором следует отыскать центр генерирования реактивной мощности для компенсирующих устройств, уже находящихся на предприятии. Далее методом последовательных приближений определяются координаты установки дополнительного компенсирующего устройства так, чтобы новый центр генерирования реактивной мощности находился вблизи центра её потребления (хг, уг),
3) Производится расчёт уровней напряжения в часы максимума и минимума нагрузок.
Соблюдение допустимых отклонений напряжения на зажимах приёмников является, как правило, основным ограничением при выборе мощности и места расположения компенсирующего устройства. Для выполнения этого условия, в некоторых случаях, необходимо использовать регулируемые компенсирующие устройства.
Если средствами компенсации являются синхронные двигатели, то данная задача решается просто за счёт регулирования возбуждения. Если же для компенсации используются статические конденсаторы, то регулировка может производиться только ступенчато, путём деления батарей на части. Конечно, такое регулирование имеет серьёзные недостатки: возможность работы в течение какого-то времени с недостаточной, либо избыточной компенсацией, а так же расходы на установку дополнительной коммутационной аппаратуры. Но сейчас большое распространение получили комбинированные компенсирующие устройства, которые сочетают преимущества плавного регулирования и низкой стоимости.
1. Продольная компенсация.
Продольной называется компенсация индуктивности линий, которая реализуется путём включения последовательно в линию ёмкостного сопротивления. Это сопротивление компенсирует индуктивное сопротивление линии, вследствие чего в ней уменьшаются потери напряжения.
Рассмотрим случай линии с нагрузкой (рис. 9.3). Продольная и поперечная составляющие падения напряжения для рассматриваемой линии определяются выражениями:
Uпрод. ф=I(Rcosφ+Xsinφ),
Uпоп. ф.=I(Xcosφ-Rsinφ). (9.14)
При заданном векторе фазного напряжения у потребителя U2ф напряжение на источнике питания определяется вектором U1ф (точка А). Если в линию включить последовательно конденсаторы с реактивным сопротивлением Хс , то падение напряжения в реактивном сопротивлении составит I(X-Xc) и составляющие падения напряжения будут равны:
U!прод. ф=I(Rcosφ+(X-Хс) sinφ),
U!поп. ф.=I((X-Хс) cosφ-Rsinφ). (9.15)

Рис. 9.3 Схема сети и векторная диаграмма с применением продольной компенсации реактивной мощности линии.
Требуемое напряжение на источнике питания теперь будет равно вектору U’1ф, определяемому при Хс<Х точкой А’. Его величина по сравнению с первоначальной уменьшилась, так как Uпрод. ф и Uпоп. ф снизились благодаря уменьшению реактивного сопротивления линии.
При полной компенсации (Хс=Х) падение напряжения будет определяться только активным сопротивлением линии R.
При перекомпенсации (Хс>Х) потеря напряжения будет близкой к нулю и U1ф=U2ф. Значение Хс при этом будет:
Хс=Х+Rctgφ (9.16)
Реактивное сопротивление конденсаторов в этом случае компенсирует не только индуктивное сопротивление линии, но и падение напряжения на активном сопротивлении.
Мощность конденсаторов определяют:
Qc2=3I2Xc, (9.17)
где I – максимальный ток линии.
Бесплатная лекция: "16 Защита электрических сетей и электроустановок от атмосферных перенапряжений" также доступна.
Вопросы для самопроверки.
1. Для чего производится компенсация реактивной мощности на предприятии?
2. Перечислите методы естественной компенсации реактивной мощности.
3. Каким образом происходит искусственная компенсация реактивной мощности?
4. Укажите типы компенсирующих устройств. Отметьте достоинства и недостатки каждого вида.
5. Определите порядок выбора компенсирующего устройства.
Рекомендуемые лекции
- 6, 7 Симптомы поражения оболочек мозга. Изменения в спинномозговой жидкости
- 16 Защита электрических сетей и электроустановок от атмосферных перенапряжений
- 17 Особенности защиты прав потребителей при продаже отдельных видов товаров
- 17 Физическая культура в различные периоды жизни человека
- 28 Порядок конструктивного и теплового расчёта агп























