Синхронные машины
IV Синхронные машины
4.1. Назначение, устройство и принцип действия
Синхронные машины используются главным образом в качестве источников электрической энергии переменного тока; их устанавливают на мощных тепловых, гидравлических и атомных электростанциях. Конструкция синхронного генератора определяется в основном типом привода. В зависимости от этого различают турбогенераторы, гидрогенераторы, дизель генераторы. Турбогенераторы приводятся во вращение паровыми или газовыми турбинами, гидрогенераторы – гидротурбинами, дизель генераторы – двигателями внутреннего сгорания.
Синхронной машиной переменного тока называется такая машина, скорость которой находится в строгой зависимости от частоты. Ротор вращается с такой же скоростью, что и поле статора
n1= 60f1
p
Турбогенераторы изготовляются на синхронную скорость n=3000-1500 об/мин, мощностью 125; 320; 500; 800; 1000; 1200 МВт. Статор (якорь) синхронной машины аналогичен асинхронной машине. Он набирается из листов электротехнической стали (1). В пазах статора расположены три фазы, сдвинутые относительно друг друга на 120 электрических градусов (2), рис. 1. (3) индуктор явнополюсной машины, (4) обмотка возбуждения, (5) контактные кольца. Ротор (индуктор) в синхронном турбогенераторе выполняется неявнополюсным. На роторе расположена обмотка возбуждения (2), которая питается от источника постоянного тока. Обмотку возбуждения в такой машине размещают в пазах сердечника ротора, выполненного из массивной стальной поковки высококачественной стали (рис. 2(1)), и укрепляют немагнитными клиньями.
Рис 1. 
Рекомендуемые материалы
Лобовые части обмотки, на которые воздействуют значительные центробежные силы, крепят с помощью стальных массивных бандажей. Для получения приблизительно синусоидального распределения магнитной индукции обмотку возбуждения укладывают в пазы, занимающие 2/3 полюсного деления, рис. 2.

Рис 2.
Диаметр ротора не должен превышать 1.0-1.5м длина ротора составляет 7-8 метров.
Охлаждение элементов турбогенератора осуществляется водородом, трансформаторным маслом, дистиллированной водой.
Гидрогенераторы. Эти машины приводятся во вращение тихоходными гидравлическими турбинами, частота вращения которых составляет 50-500 об/мин. Поэтому их выполняют с большим числом полюсов и явнополюсным ротором, рис 2. Диаметр ротора гидрогенератора достигает у мощных машин 16м при длине 1.75м (640 МВА) на ободе ротора крепятся полюса с обмоткой возбуждения. Полюса изготовляют из листовой стали.
Охлаждение элементов гидрогенератора чаще всего осуществляется водой.
Кроме синхронных генераторов имеются синхронные двигатели и синхронные компенсаторы.
4.2. Работа генератора при холостом ходе
При холостом ходе магнитный поток генератора создается обмоткой возбуждения, причем он направлен по оси полюсов ротора и индуктирует в фазах обмотки якоря ЭДС сдвинутую по фазам 120 эл. градусов. Е0=4.44W1ФвК0. Величину Е0 можно регулировать изменяя ток возбуждения. В синхронных машинах основные параметры выражаются в относительных единицах Е0*=Е0/Uном, Lв*= Lв/Lв0, где Lв0 – ток возбуждения соответствующий номинальному напряжению при холостом ходе. Характеристика холостого хода в относительных единицах называется стандартной (рис 3). Так как
генератор является источником напряжения, то к нему предъявляются требования относительно синусоидальности полученной ЭДС. Величена искажения ЭДС не более 5% для машин средней и большой мощности и не более 10% для машин до 1000 КВА. Коэффициент искажения ЭДС
<5%
Кривая ЭДС определяется магнитным полем, поэтому при конструировании машин обращают внимание на то, чтобы соблюдалось синусоидальное распределение поля. В машинах с явными полюсами это достигается за счет скоса полюсных наконечников, а в машинах неявнополюсных достигается за счет строгого расположения пазов на полюсном делении.
4.3. Реакция якоря в синхронном явнополюсном генераторе
Как было сказано выше, при холостом ходе магнитный поток создается обмоткой возбуждения. В явнополюсной машине магнитный поток Ф0 направлен по продольной оси d-d, рис 4. Так как магнитное сопротивление по продольной d-d и поперечной осям различное, то в явнополюсной машине все процессы рассматривают по двум осям – продольной d-d вдоль индуктора и поперечной q-q оси. Если теперь замкнуть обмотку статора (якоря) на нагрузку, то под действием ЭДС Е0 по обмотке будет протекать ток, который создает свой магнитный поток. Взаимодействие потока якоря с потоком обмотки возбуждения называется реакцией якоря. Намагничивающая сила ротора вращается с синхронной скоростью, вращение магнитного поля статора также синхронное (n1=60f1/p), т.е. они друг относительно друга неподвижны. Однако действие реакции якоря зависит от характера нагрузки. Нагрузка может быть активной, индуктивной, емкостной, либо смешанной. При рассмотрении реакции якоря на статоре будем изображать одну фазу вместо трех. Из общей теории машин переменного тока известно, что ось потока трехфазной обмотки совпадает с осью той фазы, где ток максимален, поэтому рассмотрим случай, когда ток в одной из фаз статора максимален.
4.3.1. Реакция якоря при активной нагрузке

Рис 4.
Кривая намагничивающей силы ротора есть синусоида. Кривая намагничивающей силы реакции якоря так же синусоидальная. Реакция якоря на набегающем крае размагничивает основной поток, а на сбегающем крае намагничивает. Как видно из рис 4 при активной нагрузке реакции якоря поперечная. Намагничивающая сила Faq – намагничивающая сила поперечной реакции якоря.
Если машина неявнополюсная, то Faq дает нам в каком-то масштабе кривую распределения индукции. А для машин с явными полюсами эта кривая не будет аналогична кривой распределения индукции, так как зазор по осям не одинаков. Поэтому в кривой индукции появляются провалы в межполюсных местах из-за большого магнитного сопротивления.
Однако с такой кривой индукции Baq иметь дело не удобно, поэтому предпочитают сводить эту кривую к эквивалентной синусоиде, имеющей равную площадь, при этом поступают следующим образом: намагничивающую силу F1aq соответствующую эквивалентной синусоиде, определяют F1aq=Faq*Kq, где Kq-коэфициент поперечной реакции якоря и зависит от коэффициента магнитного перекрытия для машин Kq=0.2-0.5.
Определив, таким образом, эквивалентную синусоиду, можно найти поток. Таким образом, при чисто активной нагрузке реакция якоря – поперечная.
4.3.2. Реакция якоря при индуктивной нагрузке
Теперь рассмотрим случай, когда нагрузка генератора чисто реактивная, т.е. ток якоря отстает от ЭДС на 90. Если нагрузка индуктивная и ток отстает от ЭДС на 90, то взаимное расположение полюсов и активных сторон фазы, в которых будет максимальный ток будет тогда, когда уйдет на половину полюсного деления (на 90 эл. градусов). Магнитные линии потока якоря будут замыкаться иначе, чем в первом случае. Поток якоря, при этом, будет проходить по тому же пути, что и поток обмотки возбуждения, но направлен встречно. Поэтому если нагрузка чисто индуктивная, то реакция якоря будет продольно размагничивающая. На рис 5 представлена картина пространственного расположения потоков, в развернутом виде представлены н.с. F0 и Faq и векторная диаграмма при чисто индуктивном характере нагрузки. Кривая распределения индукции якоря для явнополюсной машины также будет иметь провалы.

Рис 5.
Здесь также действительную кривую распределения индукции заменяют эквивалентной синусоидой.
F1ad=Fad*Kd, где Kd – коэфициент продольной реакции якоря. Kd=0.8-0.95 таким образом, при индуктивной нагрузке реакция якоря будет продольной и будет действовать размагничивающим образом.
4.3.3. Реакция якоря при емкостной нагрузке
При емкостной нагрузке ток якоря опережает ЭДС на 90 эл. градусов. Поэтому максимум тока в фазе наступает тогда, когда северный полюс не дойдет до фазы статора на 90. При этом поток якоря и поток обмотки возбуждения будут направлены в одну сторону (см. рис. 6) и реакция якоря будет продольно намагничивающая.
Рис. 6.
4.3.4. Реакция якоря при смешанной нагрузке
В действительности у синхронных генераторов таких идеальных случаев нагрузки нет. Реально нагрузка генератора активно-индуктивная, либо активно емкостная. Рассмотрим активно-индуктивный характер нагрузки. При этом ток разлагают по осям. Активная составляющая будет давать поперечную реакцию якоря, а реактивная – продольную. Рассмотрим случай, когда ток отстает от ЭДС на угол y. Для определения влияния реакции якоря нужно выделить активную и реактивную составляющие тока.

Рис 7.
Ток Iq создает намагничивающую силу Faq, а ток Id намагничивающую силу Fad. Fad будет искажать магнитный поток, а Fad размагничивать. Реакция якоря определяется путем разложения, рис. 7.
4.4. Магнитное рассеяние
Кроме основного магнитного потока, пронизывающего обе обмотки, имеется поток рассеяния. Этот поток охватывает только обмотку статора.
Различают три части потока рассеяния: пазовое зубцовое и лобовое.
Поток рассеяния обуславливает собой индуктивное сопротивление. Он индуктирует ЭДС рассеяния. Посмотрим от чего зависит ЭДС рассеяния и реактивное сопротивление. Определим поток рассеяния Фs.
В основу определения потока Фs положено понятие удельной магнитной проводимости
Фs=2eWkL1i.
Эта формула написана из расчета приведенной удельной магнитной проводимости. Под которой понимается число магнитных силовых линий, пронизывающих катушку при прохождении тока в ней в один ампер, при числе витков равном единице и отнесенной к единице длины активной стороны. Ток i=Imsin(wt) с другой стороны по закону электромагнитной индукции можем написать:
esk = - Wk dФ
dt
если теперь сюда подставить поток Ф и значение тока, то получим
esk= - Wsk d(2eWkLImsinwt) = -2eWk2LwImcoswt
dt
где амплитуда ЭДС рассеяния Esm=2eWk2 Lwv2I, действующее значение ЭДС рассеяния.
Esk=4пf1eWk2LI – выражение ЭДС для катушки, а для фазы:
Es=4пf1e(pq)Wk2LI=XsI, Es=IXs – ЭДС рассеяния, а индуктивное сопротивление Хs равно:
Xs=4пfepqWk2L – это выражение верно для любого типа обмоток, дело только заключается в определении L, которая зависит от типа обмотки. В синхронных машинах сопротивления обычно выражаются в относительных единицах.
Xs*=XsIфн ,где Zн= Uфн

Uфн Iфн
Обычно Xs*=0.1-0.14.
4.5. Рабочий процесс синхронной машины
Наиболее важной величиной для синхронного генератора является напряжение. Оценка генератора производится по изменению напряжения. Показателем изменения напряжения является относительное изменение напряжения – это разность между напряжением машины при холостом ходе и напряжением при нормальной нагрузке выраженная в процентах от Uн.
U=(U0-Uн )* 100%
Uн
Устанавливается эта величина при постоянстве тока возбуждения и при постоянстве числа оборотов. При автономной работе машины величина U может достигнуть 30%- 50%. Уменьшение напряжения обусловлено реакцией якоря и падением напряжения на реактивном сопротивлении. Синхронные машины изучаются с применением векторных диаграмм, где используются либо диаграммы ЭДС, либо диаграммы намагничивающих сил с учетом насыщения.
4.5.1. Основная диаграмма ЭДС явнополюсного синхронного генератора
При построении этой диаграммы используется метод двух реакций. Разлагают реакцию якоря на поперечную и продольную и строят диаграмму. При холостом ходе существует поток Ф0. При нагрузке появляется поток якоря Фа. В результате взаимодействия Ф0 и Фа образуется результирующий поток Фб, и так, при нагрузке реально существует два потока, это результирующий поток Фб и поток рассеяния Фs.
Для построения диаграммы предполагается, что с синхронной малине существуют независимые потоки:
Ф0 – основной поток возбуждения,
Фaq – поток поперечной реакции якоря,
Фad – поток продольной реакции якоря,
Фs – поток рассеяния.
Эти потоки в обмотке якоря будут индуцировать свои ЭДС, а сумма этих ЭДС дает на выходе напряжение. Каждая ЭДС будет отставать от своего потока на 90 эл. гр.
Ф0 » Е0
Iq » Фad » Eaq
Id » Фad » Ead U
Фs » Es
Ea=-It
Исходя из этого, построим основную диаграмму ЭДС для явнополюсной синхронной машины, рис 8.

Рис. 8
где: Iq и Id – активная реактивная составляющие тока якоря. Используя эту диаграмму можно получить углы Q и f, а также U. Токи Iq и Id создают потоки Фad и Фaq которые создают в обмотке якоря ЭДС Ead и Eaq. Сложив геометрически все эти ЭДС получим на зажимах машины выходное напряжение U. Но в современной теории синхронных машин пользуются рядом параметров, для обоснования которых основную диаграмму ЭДС необходимо преобразовать. Если ЭДС рассеяния Es = Ixs, то остальные ЭДС можно выразить аналогичным выражением.
4.5.2. Преобразованная диаграмма ЭДС явнополюсной синхронной машины
Преобразование будет сводиться к тому, что, разложив ЭДС рассеяния по осям, и прибавив их к ЭДС Ead и Eaq, получим из 3 ЭДС два и попутно получим выражение индуктивных сопротивлений синхронных машин.
CN=BM=Essiny=IXssiny
AB=Ead=IdXad=IXadsiny
AM=CN+AB=IXssiny+IXadsiny=Isiny(Xs+Xad)=IdXd=Ed,
Xd=Xs+Xad, Xd – синхронное индуктивное сопротивление по продольной оси. Xs – индуктивное сопротивление рассеяния. Xad – индуктивное сопротивление реакции якоря по продольной оси.
Далее: DN= Escosy=IXscosy
MN=Ead=IqXad=IcosyXaq
DM=DN+MN=IXscosy+IcosyXaq=Icosy(Xs+Xad)=IqXq=Eq,
Xq=Xs+Xad, Xq – синхронное индуктивное сопротивление по поперечной оси. Xaq – индуктивное сопротивление реакции якоря по поперечной оси, где
IXad= Eaq/cosy
Индуктивные сопротивления Xd, Xq, Xs, Xad, Xaq обычно приводятся в относительных единицах. Построим преобразованную диаграмму.

Рис. 9.
Векторные диаграммы ЭДС неявнополюсных синхронных машин, рис. 10, рис. 11.

Рис. 10 Рис. 11.
На рис. 10 представлена диаграмма ЭДС выраженная через вектора отдельных ЭДС, а на рис. 11 диаграмма ЭДС выражена через падения напряжения. На этих диаграммах ток якоря I не разлагается по осям.
4.6. Определение параметров синхронной машины со снятыми характеристиками
4.6.1. Определение индуктивного ненасыщенного сопротивления Xd
Для определения ненасыщенного Xd снимаются две характеристики:
а) Характеристика холостого хода E0=A(ib), Ia=0, n=const
б) Характеристику короткого замыкания Ik=A(ib), U=0 (трехфазное к.р.).

Рис. 12 Рис. 13
Из рис. 13 видно , что сумма ЭДС Е0, Ead, Es равна нулю, откуда
E0=IkXs+IkXad=Ik(Xs+Xad)=IkXd, откуда Xd=E0/Ik1.
Обычно Xd берется в относительных единицах:
Xd*= XdIн = E01Iн = Е01Iн = E01



Uн Iк1Uн UнIк1 Uн(Iк1/Iн)
Обозначим отношение Eo1/Uн = С, а Iк1/Iн = ОКЗ
Из рисунка 12 видно, что отношение токов
Iк1/Iн = ib0/ibк = ОКЗ
ОКЗ выражает отношение тока возбуждения соответствующего номинальному напряжению при холостом ходе, к току возбуждения соответствующего номинальному току статора при трехфазном коротком замыкании. Значение ОКЗ влияет на габариты машины и на ток короткого замыкания если машина не насыщена, то Е01/Uн = 1, тогда ОКЗ = 1/Xd*

Рис. 14 Рис. 15
Если машина имеет малый зазор (рис 14), то магнитная проводимость потока якоря Фad будет большая, а следовательно Xd будет большим. При изменении нагрузки будет сильное колебание напряжения и машина будет работать неустойчиво, но зато она экономична т.к. диаметр статора мал и расход стали и меди будет наименьшим. Если машина имеет большой воздушный зазор б, то магнитная проводимость потоку якоря Фad будет мала и Xd будет малым. При изменении нагрузки напряжение будет мало колебаться и машина будет устойчиво работать с сетью. Но т.к. диаметр якоря большой , то машина получится не экономичной, т.е. большой расход стали и меди статора (якоря). Кроме того ОКЗ характеризует значение установившегося тока короткого замыкания: Iк.ном = ОКЗ*Iном, который возникает при номинальном токе возбуждения генератора (соответствующем номинальному напряжению). В современных синхронных явнополюсных машинах средней и большой мощности
Xd*= 0.6-1.6, Xq*= 0.4-1/
При указанных выше значениях Xd*,Xq*, для неявнополюсных машин ОКЗ = 0.8-1.8. Следовательно установившийся ток короткого замыкания в синхронных машинах сравнительно невелик, т.к. при этом режиме создается продольно размагничивающая реакция якоря и Фрез.к < Фв.
Для практических целей целеобразно иметь машину с большим ОКЗ, однако это требует выполнение ее с большим воздушным зазором, что существенно удорожает машину.
4.6.2. Определение параметра Xd насыщенного
Для определения насыщенного Xd используют две характеристики:
1) Характеристика холостого хода: Xd=A(ib), I=0.
2) Нагрузочная индукционная характеристика: U=A(ib), Iн = const cosy = 0.
Рис. 16
При снятии индукционной характкристики ток отстает от Е0 на 900. При нагрузке I=Iн, cosf=0 напряжение будет падать за счет индуктивного сопротивления Xs – IнXs и Xad обусловленного реакцией якоря т.е (Xs + Xad)Iн = IнXd, что показано на рис. 16. На рис. 17 показаны характеристики и показан путь определения Xd т.е.
Xd = E0 – Uн
Iн
Из рис. 18 видно, что с насыщением машины Xd уменьшается.

Рис. 17.
4.6.3. Определение параметра Xq
Если машина неявнополюсная, то практически принимают что Xq=Xd, если же машина явнополюсная, то магнитная проводимость по поперечной оси q-q будет меньше чем по продольной, поэтому Xq<Xd, для практических целей принимают, что Xq = 0.6Xd.
4.6.4. Определение параметров Xq и Xd методом скольжения
На машину подается пониженное напряжение U=(0.1-0.2)Uн U выражают асинхронно и возбуждают машину.
Если магнитный поток якоря совпадает с осью полюсов, то магнитная проводимость большая и сопротивление большое, а ток мал, поэтому
Xd = U
/3 Imin
Если магнитный поток якоря будет расположен по оси q-q, то магнитная проводимость ему будет мала, а следовательно индуктивное сопротивление будет малым, а ток большим, поэтому
Xq = U
/3 Imax
т.к. скольжение обычно наибольшее, то колебание тока можно определить по прибору, но лучше брать его на осциллографе.
4.6.5. Определение параметра Xs
Для определения этого параметра необходимо иметь следующие характеристики:
1. Характеристика холостого хода E0=A(ib), I=0.
2. Нагрузочная индукционная характеристика U=A(ib), Iн = const, cosf = 0.
3. Характеристика трехфазного короткого замыкания Iн=A(ib), U=0.
Эти характеристики представлены на рис. 18.

Рис 18.
ibk = ibs + iba.
Если бы было известно Xs то можно построить треугольник АВС, где катет СА=iba – это ток возбуждения, который идет на компенсацию реакции якоря. При коротком замыкании сопротивлением r можно принебречь, ток отстает от Е0 на 900, т.е. реакция якоря при Iн будет продольно размагничивающей. Катет ВС = IнXs. У индукционной нагрузочной характеристики, ток Iн и cosf=0, поэтому и здесь реакция якоря продольно размагничивающая. Поэтому катеты С1А1=СА и В1С1 = ВС. На этом основании и определяется параметр Xs в следующем порядке:
По номинальному ток Iн на характеристике короткого замыкания определяем ток ibк = ОА. Затем для номинального напряжения на индукционной характеристике находим точку А1. Влево от нее откладываем отрезок О1А1 = ОА через точку О1 проводим линию, параллельную начальной части характеристики холостого хода, до пересечения характеристики получим точку В1. Соединив точку В1 с А1 о опустив перпендикуляр на линию О1А1 получим тот же треугольник А1В1С1, где катет В1С1 = IнXs отсюда Xs=B1C1/Iн, если машина неявнополюсная, то Xs = Xp. Для явнополюсной машины Xp>Xs на 10-20%.
4.7. Понятие о сверхпереходных и переходных индуктивных сопротивлениях
При внезапных коротких замыканиях поток якоря не может в первый момент времени пройти через контур успокоительной обмотки и контур обмотки возбуждения. Такое расположение потока якоря соответствует сверхпереходному процессу, а индуктивное сопротивление будет наименьшим – Xd11, рис. 19. За счет активного сопротивления успокоительной обмотки вынужденный ток затухнет и поток якоря пройдет в контур этой обмотки, но будет обходить контур обмотки возбуждения.

Рис 19.
Такое расположение потока якоря соответствует переходному процессу, а индуктивное сопротивление будет Xd1 – переходное, затем всплеск тока в обмотке возбуждения затухнет и поток якоря будет проходить по контуру успокоительной и обмотки возбуждения. Такое расположение потока будет соответствовать установившему короткому замыканию, а индуктивное сопротивление будет Xd. При сверхпереходном режиме рис. 20
Рис 20.
Xd11=Xs+Xad11= Xs + 1
1/Xad + 1/Xв + 1/Xу
Соответственно схема замещения будет иметь следующий вид в переходном режиме:
Xd1=Xs+Xad1= Xs + 1
1/Xad + 1/Xв
Соответственно схема замещения будет иметь следующий вид, рис. 21.
Рис. 21
Установившийся режим короткого замыкания
Xd=Xs+Xad= Xs + 1 =Xs + Xad
1/Xad
и схема замещения на рис. 22.

Начальное действующее значение сверхпереходного тока равно
Iс11=E0/Xd11, переходного тока Iс1=E0/Xd1 и установившегося тока к.з.
Iс = E0/Xd. Наибольший ток будет сверхпереходным.
4.8. Диаграммы намагничивающих сил
В диаграммах намагничивающих сил учитывают насыщение машины. В отличии диаграмм ЭДС в диаграммах н.с. складываются н.с. и по суммарной намагничивающей силе определяется ЭДС Е0. Диаграммы построим для неявнополюсных машин. На рис. 23 если прибавить к напряжению U векторы Ir и IXs получим вектор результирующей ЭДС Еб по рис. 24 определим с учетом насыщения величину н.с. Fб. На векторной диаграмме Fб опережает Еб на 900.Намагничивающая сила реакции якоря
Fa = m/2WK0I
пp
используя этот вектор получим величину н.с. F0 и по рис. 25 определим ЭДС Е0, которая на векторной диаграмме отстает от F0 на 900 и так получим величину и направление вектора ЭДС Е0.

Рис. 23 Рис. 24
Практическая диаграмма намагничивающих сил синхронной машины.
Эта диаграмма строится по принципу предыдущий диаграммы, рис. 25.

Рис. 25
Диаграмма не требует дополнительных пояснений. Если изменять величину и фазу тока якоря, то по диаграмме можно определить F0, U, и угол Q синхронной машины.
4.9. Параллельная работа синхронных генераторов
Обычно на электростанциях устанавливают несколько синхронных генераторов для параллельной работы на общую электрическую сеть. Это обеспечивает увеличение общей мощности электростанции, повышает надежность электроснабжения потребителей и позволяет лучше организовать обслуживание агрегатов. Электрические станции, в свою очередь, объединяются для параллельной работы в мощные энергосистемы, позволяющие наилучшим образом решать задачу производства и распределения электрической энергии. Таким образом, для синхронной машины, установленной на электрической станции подключенной к энергосистеме , типичным является режим работы на сеть большой мощности, т.е. напряжение сети Uc и ее частота fc являются постоянными. При параллельной работе всегда выдвигаются ряд условий, к таким условиям относятся следующие:
1. Одинаковая форма кривых ЭДС генераторов. На заводах изготовителях синхронные генераторы имеют практически синусоидальные напряжения .
2. Равенство напряжений и их противоположность (по контуру двух машин). При равенстве и противоположности напряжений генераторов нет уравнительных токов в цепи генераторов.
3. Равенство частоты ЭДС генераторов.
4. Порядок чередования фаз должен быть одинаковым.
Этих условий достаточно для нормальной параллельной работы генераторов. Рассмотрим нарушение этих условий.
4.9.1. Параллельная работа генераторов при неравенстве напряжений
При равенстве напряжений в цепи генераторов нет уравнительного тока. Теперь допустим, что напряжение сети Uc больше ЭДС подключаемого генератора, т.е. Uc > Uг, за счет их разности появится U и по обмоткам якоря потечет уравнительный ток Iур. По отношению к генератору (Uг) уравнительный ток является емкостным, который создает намагничивающую реакцию якоря. Поэтому у подключаемого генератора возрастает поток и увеличивается напряжение генератора, рис. 26.

Рис. 26
Уравнительный ток по отношению генератора в сети (Uc), является чисто индуктивным, он создает размагничивающую реакцию якоря. Это приведет к снижению напряжения в сети, т.е. роль уравнительного тока сводится к выравниванию напряжения генераторов. При включении генератора на параллельную работу уравнительный ток является реактивным и механического удара не создает (при условии равенства частот), но дополнительно нагревает обмотки якоря.
4.9.2. Параллельная работа генераторов при
неравенстве частот
Частота определяет собой скорость вращения вектора напряжения или тока в электрической цепи. Если частоты одинаковы, то векторы напряжений друг относительно друга неподвижны:
f1=f2, w1=2пf1, w2=2пf2, w1=w2, рис. 27.

Рис. 27
Если, к примеру, частота ЭДС второй машины будет больше частоты первой машины (f2 > f1), то вектор напряжения U2 начнет перемещаться относительно вектора напряжения U1 со скоростью, определяемой разностью скоростей векторов U1 и U2, рис. 27. Допустим, что в первый момент напряжения U1 и U2 сдвинуты на 1800 при f2>f1 угловые скорости векторов w2>w1 и через известный промежуток времени займет другое положение (рис. 28), отсюда появится разность напряжений U которая создаст в обмотках ток биения Iб отстающего от U на 900. Активная составляющая этого тока Iба2 по отношению ко 2 машине будет создавать тормозной момент (ток совпадает с ЭДС второго генератора). Активная составляющая Iба1 по отношению к 1 машине будет создавать двигательный момент (ток направлен встречно с ЭДС 1 генератора). Ток биения все время будет меняться по величине и по фазе. Второй генератор будет тормозиться, а 1 подталкиваться. И после ряда колебаний установится какая-то средняя частота обоих генераторов и наступит установившийся режим. Но здесь будут механические толчки на генератор и на вал турбины. Поэтому, при включении генератора на параллельную работу разница частот должна быть минимальной.
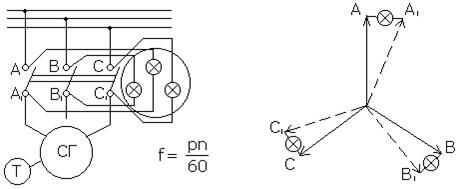
Порядок чередования фаз должен быть одинаковым. Чередование фаз проверяется прибором – фазоуказателем. При различном чередовании фаз произойдет аварийная ситуация. Метод включения синхронного генератора параллельно сети называется синхронизацией, а прибор, с помощью которого синхронизируют, называется – синхроноскоп.
4.10. Синхроноскопы
Для синхронизации синхронных машин используются специальные устройства – синхроноскопы. Они бывают ламповые и стрелочные. Рассмотрим идею синхронизации на ламповом синхроноскопе. Здесь используется два способа включения:
1.Включение на погасание ламп.
2.Включение на бегущий свет.
4.10.1. Включение генератора параллельно сети на погасание ламп

Рис. 28.
При малой скорости турбины частота ЭДС СГ будет малой. (Сплошная звезда соответствует частоте сети, а пунктирная частоте синхронного генератора). Частота определяет скорость вращения векторов напряжения. Поэтому, при малой скорости турбины частота СГ мала и относительная скорость векторов будет большой. При этом лампы синхроноскопа будут часто вспыхивать и погасать. По мере разгона турбины частота СГ будет возрастать, и относительная скорость векторов будет уменьшаться. Мигание ламп будет замедленное. Если турбина разгонит СГ до частоты близкой к частоте сети, то относительная скорость векторов будет небольшой и лампы будут очень медленно то загораться, то потухать. В момент потухания ламп необходимо быстро включит генератор на сеть. В этот момент сплошная и пунктирная звезды совпадут по фазе. Но этот способ не дает наглядно в какую сторону необходимо регулировать скорость вращения генератора. Для этого используется второй способ.
4.10.2. Включение генератора параллельно сети на бегущий свет

Рис. 29.
При таком включении ламп синхроноскопа лампы находятся под разным потенциалом, рис 30. Если турбина имеет малое число оборотов, то частота ЭДС СГ мала и относительная скорость сплошной и пунктирной звезд будет большой. Вращение загорания ламп будет быстрое. По мере увеличения скорости вращения частота будет расти СГ, а относительная скорость звезд будет уменьшаться, и вращение бегущего света будет замедляться. При скорости вращения близкой к синхронной относительная скорость звезд будет малой и бегущий огонь будет медленно переходить с одной лампы на другую (например, по часовой стрелке) и когда лампа А фазы А потухнет, в этот момент быстро необходимо включить рубильник.
Если, не включая рубильник и дальше разгонять ротор СГ, то пунктирная звезда будет вращаться быстрее сплошной и бегущий свет изменит свое направление (против часовой стрелки).
На промышленных установках обычно используются стрелочные синхроноскопы. Эта синхронизация называется точной. На электростанциях часто используют грубую синхронизацию, так называемую самосинхронизацию. Идея сводится к следующему: турбина разгоняет ротор СГ до скорости близкой к синхронной, после чего включают обмотку статора в сеть (получается как бы асинхронный режим), затем с небольшой выдержкой времени подают напряжение на обмотку возбуждения, которая создает магнитный поток. Так как при этом относительная скорость поля статора и поля обмотки возбуждения мала, то после ряда проскальзываний противоположные полюса статора и индуктора притянутся, и машина втянется в синхронизм. После чего синхронный генератор можно нагружать.
4.11. Электромагнитная мощность и момент
синхронных машин
Электромагнитная мощность – это мощность, которая передается с индуктора на статорную обмотку. Так как потери в обмотке статора, как правило, невелики, то и невелики потери в стали статора. Поэтому практически считают, что электромагнитная мощность равна полезной отдаваемой мощности:
Рэм = Рr = mUIcosf, r = 0 (1)
Для вывода формулы электромагнитной мощности воспользуемся преобразованной диаграммой для явнополюсной машины, рис. 30.

Рис. 30
Выразим угол f через y и Q.
Из диаграммы видно, что
cosf=cos(y-Q) = cosycosQ+sinysinQ
Подставим cosf в уравнение (1) электромагнитной мощности
Pэм = mUIcosycosQ + mUIsinysinQ (2)
Найдем из векторной диаграммы величины Icosy, Isiny
OB=E0 – IdXd = E0 – IsinyXd, с другой стороны:
OB = UcosQ, UcosQ = E0 – IsinyXd, откуда
Isiny = E0 – UcosQ , далее
Xd
BC = IqXq = IcosyXq = UsinQ, откуда
Icosy = UsinQ
Xq
Подставим произведение Isiny и Icosy в уравнение (2)
Pэм = mU2sinQcosQ + mUE0sinQ - mU2sinQcosQ, сгруппируем

Xq Xd Xd
mU2sinQcosQ - mU2sinQcosQ = mU2(1/Xq – 1/Xd)sinQcosQ.
Воспользуемся формулой sin2Q = 2cosQsinQ, откуда
cosQsinQ = 1/2sin2Q, тогда окончательно получим выражение электромагнитной мощности синхронного генератора (явнополюсн.)
Pэм = mUE0sinQ/Xd + mU2(1/Xq – 1/Xd)sin2Q/2
т.е. электромагнитная мощность состоит из основной и добавочной. Если машина неявнополюсная, где Xd=Xq, выражение электромагнитной мощности запишется:
Pэм = mUE0sinQ/Xd
Получим выражение электромагнитного момента для явнополюсной машины. Так как Pэм = Mw, откуда M = Pэм/w,
M = mUE0sinQ + mU2(1/Xq – 1/Xd)sin2Q

wXd 2w
, т.е. момент состоит из основной части и добавочного (реактивного) момента. Если генератор неявнополюсной, то выражение электромагнитного момента запишется:
M = mUE0sinQ/wXd
Зависимости P = A(Q) и M = A(Q) называются угловыми характеристиками синхронной машины. Покажем на рис. 31 угловые характеристики для явнополюсного генератора, а на рис. 32 угловые характеристики для неявнополюсной машины.
Рис. 31 Рис. 32
Из рис. 32 видно, что Qкр<900. Устойчиво машина работает в диапазоне угла Q = 0-Qкр, а для неявнополюсной машины устойчивая работа соответствует углу Q = 0-900.
4.12. Режимы работы синхронной машины параллельно с сетью
Изменение активной и реактивной мощностей синхронного генератора, работающего параллельно с сетью с большой мощностью, осуществляется путем изменения внешнего момента и тока возбуждения. Чтобы обеспечить требуемый режим работы генератора, обычно одновременно регулируют и ток возбуждения, и вращающий момент. Рассмотрим два предельных случая регулирования.
1. Возбуждение генератора остается постоянным, а момент изменяется.
Если нагрузка генератора увеличивается, то с увеличением нагрузки увеличивается момент и мощность. При всех постоянных величинах (U, E0, Xd, Xq) момент и мощность будут изменяться за счет изменения угла Q. Угол Q на векторных диаграммах – это угол между осью индуктора и результирующим потоком Фб. При холостом ходе генератора существует поток Ф0 – созданный обмоткой возбуждения. При нагрузке в обмотке якоря создается поток якоря Фа. Этот поток накладывается на поток Ф0 и создает результирующий поток Фб. Пространственный угол Q и момент можно представить на рис. 33.

Рис. 33.
Как видим из рис. 33 электромагнитный момент генератора является тормозным, т.е. он стремится притянуть разноименные полюса, а момент со стороны турбины Мт вращает ротор. Чем больше ток статора, тем больше и поток Фа и результирующий поток дальше сдвигается от оси индуктора, т.е. увеличивается угол Q. Поговорим о статической устойчивости синхронного генератора применительно к неявнополюсной машине. Синхронная машина (генератор) устойчиво с сетью работает в диапазоне угла Q = 0-900, а дальше машина выпадает из синхронизма, рис. 34. В т. А устойчивый режим работы.
Рис. 34.
Если отдаваемая мощность, а следовательно и электромагнитый момент возрастут (согласно рис. 33), то угол Q уменьшится и машина вернется в т. А. Если же отдаваемая мощность и момент уменьшатся, то согласно с рис. 33 угол Q возрастет т.к. Мт>М и машина вернется в исходную точку. Отсюда видно, что угол Q может меняться от 0 до 900 при устойчивой работе с сетью.
Если же угол Q будет больше 900, то магнитная связь между полюсами нарушается и машина выпадает из синхронизма. Это тяжелый и аварийный режим. При этом мощность в сеть не отдается, а момент турбины имеется, то под действием этого момента ротор может разогнаться до недопустимой скорости вращения. Кроме того, магнитный поток возбуждения будет наводить в обмотке статора ЭДС, Которая будет то складываться, то вычитаться с приложенным напряжением. Это приведет к большим колебаниям тока. Обычно если генератор выпал из синхронизма, то его отключают от сети. Для устойчивой работы генератора с сетью номинальный угол составляет Qн = 15-200. Как уже было сказано, что если угол Q < 900, то машина работает неустойчиво с сетью. Допустим, работаем в т. В. Если отдаваемая мощность будет меньше мощности турбины, то (рис 34) угол Q будет увеличиваться, а с увеличением угла Q отдаваемая мощность будет падать, т.е. при этом машина никогда не вернется в т. В., поэтому угловая характеристика от Q = 900-1800 неустойчива. Перегрузочная способность генератора:

Кп = Рэмmax = 1
Рэмн sinQн
Синхронизирующая мощность.
Чтобы генератор мог работать не выпадая из синхронизма с сетью, он должен обладать достаточной синхронизирующей мощностью, т.е. способность продолжать работать синхронно с сетью даже при значительных изменениях момента и, следовательно угла Q.
Большое значение для работы синхронных машин имеет вопрос устойчивости их работы. Работа синхронной машины будет устойчивой, если положительному приращению Q соответствует положительное приращение электромагнитной мощности Рэл, и наоборот уменьшению угла Q будет соответствовать уменьшение электромагнитной мощности Рэм. В этом случае Рэм/Q можно рассматривать и при бесконечно малых изменениях, а тем самым перейти к первой производной dРэм/dQ, тогда
Рс = dРэм/dQ = mUE0 cosQ/Xc, где Рс – удельная синхронизирующая мощность. Синхронизирующая мощность равна удельной синхронизирующей мощности, уменьшенной на все смещение Q.
Рсх = РсQ
Из выражений Рсх и Рэм следует, что когда угол Q=0, генератор развивает наибольшую синхронизирующую мощность, но его электромагнитная мощность Рэм = 0. Наоборот, когда угол Q = 900, генератор развивает наибольшую электромагнитную мощность, а его синхронизирующая мощность Рсх = 0, рис. 34.
2. Момент генератора остается постоянным, а ток возбуждения изменяется.
M = const, ib = var.
Для анализа воспользуемся векторной диаграммой ЭДС для неявнополюсной машины, рис. 35.

Рис 35.
Если момент М = const, то и Р = const, M = mE0UsinQ/wXc = const, если изменяется ток возбуждения то изменяется и ЭДС. Для постоянства момента необходимо, чтобы E0sinQ = const мощность P=mUIcosf. Постоянство мощности получится при Icosf = Iа = const. При анализе режима учтем эти условия. Развернем диаграмму рис. 36 так, чтобы вектор напряжения генератора Uг был направлен горизонтально и уравновешен напряжением сети Uс.

Рис. 36.
Из условий видим, что вектор ЭДС Е0 должен скользить по прямой QR параллельно вектору напряжения, т.к. ab = E0sinQ = const. При изменении возбуждения конец вектора тока статора (якоря) будет скользить по прямой MN, т.к. Ia = Icosf = const. При перевозбуждении ЭДС будет соответствовать величине Е0 и току I. Если разложить ток I, то его реактивная составляющая будет опережать вектор напряжения сети Uс на 900, т.е. этот ток будет емкостным. С энергетической стороны, этот режим будет соответствовать отдаче реактивной мощности в сеть. При уменьшении тока возбуждения ЭДС Е0 уменьшится до величины Е01 и ток в статоре будет иметь наименьшую величину I1 = Ia и cosf = 1. При этом генератор не отдает и не потребляет реактивной мощности.
При перевозбужденном режиме ток I отстает от вектора напряжения генератора Uг на угол f. Если и дальше уменьшать ток возбуждения ЭДС уменьшится до величины Е011, а ток I11 будет опережать напряжение генератора на угол f1. Реактивная составляющая тока статора по отношению к вектору напряжения сети Uс будет отставать на 900, т.е. он будет чисто индуктивным и генератор будет потреблять из сети реактивную мощность. Этот режим называется – режим недовозбуждения. Таким образом, регулируя ток возбуждения генератора можно менять величину и фазу тока статора, т.е. изменять cosf. Зависимости тока статора I от тока возбуждения ib называются U-образными характеристиками. На рис. 37 представлены графически U-образные характеристики при различных мощностях.
Рис. 37.
Характеристики до пунктирной линии соответствуют недовозбужденному режиму, а после этой линии соответствуют перевозбужденному режиму, при котором генератор отдает реактивную мощность в сеть.
Методы регулирования реактивной и активной мощности генератора.
Как только что видели, что если изменять возбуждение генератора, то тем самым будем изменять реактивную мощность, отдавать, либо потреблять.
Регулировать активную мощность можно только изменяя механическую мощность, со стороны паровой турбины, либо гидротурбины. При увеличении отдаваемой активной мощности, необходимо увеличить и механическую мощность со стороны турбины.
4.13. Синхронные двигатели
В электроприводах, где не требуются частые пуски и регулирования скорости целесообразно применять синхронные двигатели вместо короткозамкнутых. При мощности выше 300 КВт, синхронные двигатели имеют по сравнению с асинхронными большое преимущество, заключающееся в том, что благодаря возбуждению постоянным током они могут работать с cosf = 1 и не потребляют при этом реактивной мощности из сети, а при работе с перевозбуждением даже отдают реактивную мощность в сеть. В результате улучшается коэффициент мощности сети и уменьшается падение напряжения и потери в ней. С другой стороны, конструкция синхронных двигателей сложнее, чем короткозамкнутых асинхронных двигателей, кроме того, синхронные двигатели должны иметь электромагнитный возбудитель для питания обмотки возбуждения постоянным током. Вследствие этого синхронные двигатели в большинстве случаев дороже асинхронных двигателей с короткозамкнутым ротором, однако, при мощности более 300 КВт они экономически выгодны при совместной работе с сетью. Пуск синхронных двигателей намного сложнее асинхронных.
4.13.1. Векторные диаграммы синхронного двигателя
При работе синхронной машины в режиме генератора напряжение на его зажимах равно разности между ЭДС Е0 и падениями напряжений на различных индуктивных сопротивлениях, а при работе в режиме двигателя напряжение Uс равно сумме ЭДС и падений напряжения на индуктивных сопротивлениях. Покажем векторную диаграмму для явнополюсного синхронного двигателя в перевозбужденном режиме при известных параметрах r, Xd, Xq.

Рис. 38 Рис. 39.
При перевозбужденном режиме (рис 38) ток опережает напряжение на угол f. Ток якоря I разложим по осям d,q относительно вектора Е0. Токи Id, Iq создают потоки, а они создают ЭДС Ea = -Ir, сумма ЭДС дает нам вектор напряжения Uc. Угол Q – угол между вектором напряжения сети Uc и составляющей напряжения, которая уравновешивает ЭДС Е0.
На рис. 39 представлена упрощенная диаграмма синхронного двигателя для неявнополюсной машины.
В синхронном неявнополюсном двигателе ток по осям не разлагается. Синхронное индуктивное сопротивление Xc=Xd=Xs+Xad. Ток статора создает поток рассеяния и поток якоря. Оба этих потока создают ЭДС – iIXc отстающей от вектора тока на 900. Напряжение сети Uс уравновешивается суммой ЭДС Е=-Uc. Если из этой суммы вычесть ЭДС – iIXc, то получим вектор ЭДС Е0. ЭДС Е0 и –iIXc уравновешиваются составляющими напряжения –Е0 и iIXc. Угол Q есть угол сдвига между вектором напряжения сети Uc и составляющей напряжения –Е0.
4.13.2 Угловые характеристики синхронного двигателя
Синхронная машина обратима, т.е. можно работу синхронного генератора перевести в режим двигателя. При этом угол Q (если для генератора его считать положительным) изменит свой знак.
Выражение электромагнитной мощности и момента для синхронного двигателя аналогичны генератору. На рис. 40 представлены угловые характеристики для неявнополюсной машины режима генератора и двигателя.

Рис. 40.
Как было указано выше, если машина работает в режиме генератора, то под действием момента турбины Мт угол Q (угол между осью индуктора и осью результирующего потока Фб) возрастает. Электромагнитный момент – тормозной. Ось индуктора опережает ось потока Фб, и угол Q считается положительным. Если разгрузить генератор до Q = 0, то напряжение генератора уравновешено ЭДС генератора и ток статора I=0. Если теперь нагрузить машину внешней нагрузкой, то машина перейдет в двигательный режим. При этом, электромагнитный момент будет движущим, а момент тормозной Мв – момент на валу. Как видим из рис. 40 при двигательном режиме результирующий поток Фб будет тянуть за собой индуктор. Угол Q будет отрицательным. Двигатель будет работать устойчиво в диапазоне угла Q = 0-900.
Уравнения электромагнитной мощности и момента неявнополюсного синхронного двигателя запишутся:
Рэл = mUcE0sinQ, M = mUcE0sinQ
Xc wXc
Работа синхронного двигателя в режиме угловых характеристик соответствует режиму: ib = const, M = var.
4.13.3. Режим работы синхронного двигателя при постоянном моменте и переменном токе возбуждения
M=const, ib=var. Для анализа этого режима синхронного двигателя воспользуемся упрощенной диаграммой для неявнополюсной машины (рис. 39). Используя только верхнюю ее часть и вектор напряжения сети Uc расположим горизонтально.
Рис. 41.
Режим работы соответствует постоянству момента.
M = mUcE0sinQ = const при mUc = const,

wXc wXc
постоянство момента получается при E0sinQ=const, а следовательно -E0sinQ=const, поэтому, при изменении возбуждения, конец вектора –Е0 будет передвигаться по прямой Qq параллельно вектору Uc, т.к.
ab=E01sinQ=const. Мощность также постоянная:
P=mUcIcosf=const при mUc=const, P=const при Icosf=Ia=const, т.е. активная составляющая тока будет постоянной и конец вектора тока I, при изменении тока возбуждения, будет перемещаться по прямой MN.
При недовозбужденном синхронном двигателе составляющей напряжения -Е0 соответствует ток I, который отстает от напряжения Uc на угол f. Вектор тока I перпендикулярен продолжению вектора iIXc. Реактивная составляющая тока I будет отставать на 900 от вектора напряжения Uc, т.е. этот ток чисто индуктивный. Значит при недовозбуждении двигатель будет потреблять из сети индуктивный ток, а следовательно будет потреблять из сети реактивную мощность.
При увеличении возбуждения величина –Е01 увеличится, а ток I уменьшится до Ia=I1 и будет минимальным. При этом режиме СД будет работать с cosf=1 и реактивная мощность не будет ни потребляться ни отдаваться в сеть. При дальнейшем увеличении тока возбуждения составляющая напряжения будет равна –Е011, а ток I11 , будет опережать вектор напряжения сети на угол f1. Этот режим соответствует перевозбужденному режиму. Реактивная составляющая тока будет емкостной (опережает вектор pUc на 900). Этот режим будет соответствовать отдаче реактивной мощности в сеть. Этот режим аналогичен включению статических емкостей в сеть.
Итак видим, что если изменять ток возбуждения ib, то величина тока статора I будет изменяться по величине и по фазе, т.е. можно регулировать cosf. Это ценное свойство и определяет использование синхронных двигателей. Выпускаются СД обычно с опережающим cosf=0.8. Зависимости тока статора I от тока возбуждения ib, I=A(ib) называются U-образные характеристики, рис. 42.

Рис. 42.
Р2 > Р1. Характеристики снимаются при P=const. Режим работы соответствующий току возбуждения оси О до пунктирной линии недовозбужденный, а за пунктирной линией – перевозбужденный с отдачей реактивной энергии в сеть. Минимум тока статора соответствует cosf=1. Посмотрим на примере, как улучшается cosf установки при использовании перевозбужденного синхронного двигателя, рис. 43.
Рис. 43.
Предприятие без СД имеет в векторной форме Uc,I и угол f, где ток Il – индуктивный ток потребляемый из сети. Если теперь использовать СД в перевозбужденном режиме, получим емкостной ток Ic, который скомпенсирует частично ток Il. Результирующий реактивный ток уменьшится, а это приведет к уменьшению тока до I1, угол f1 уменьшится, т.е. возрастет cosf. Из этого примера видим, что используя на предприятиях СД в перевозбужденном режиме, улучшает cosf установки и уменьшает потери в сети.
ток I = /Ia2+(Il-Ic)2 , cosf = Ia/I
Для улучшения энергетических показателей в энергосистемах большой мощности используются синхронные компенсаторы. Эти машины устанавливаются в конце высоковольтных линий и служат генераторами большой мощности. Поэтому синхронные компенсаторы, как правило, работают в перевозбужденном режиме без нагрузки, т.е. в режиме холостого хода. Конструктивно, они не имеют наружного выхода вала. Воздушный зазор делается меньше, чем у генераторов, это приводит к уменьшению числа витков обмотки возбуждения. Мощность СК составляет 100-300 МВА. Идея работы СК с сетью показана на рис. 44.

Рис. 44.
Синхронный генератор вырабатывает активную и реактивную мощность, которая передается через трансформаторы и линию электропередачи предприятиям. Если установить в узле нагрузки А синхронный компенсатор в режиме перевозбуждения, то он на месте будет вырабатывать значительную часть реактивной мощности и отдавать ее потребителям предприятий разгрузив синхронный генератор и линию электропередач в значительной части от реактивной мощности. Это приведет к уменьшению общего тока ЛЭП, уменьшатся потери в СГ, тр-рах и ЛЭП.
4.13.4. Пуск синхронного двигателя
Синхронный двигатель не имеет начального пускового момента. Если его подключить к сети переменного тока, когда ротор неподвижен, а по обмотке возбуждения проходит постоянный ток, то за один период изменения тока, электромагнитный момент будет дважды изменять свое направление, т.е. средний момент за период равняется нулю. При этих условиях двигатель не сможет прийти во вращение, т.к. его ротор обладающий определенной инерцией, не может быть в течении одного полупериода разогнан до синхронной частоты вращения. Следовательно, для пуска синхронного двигателя необходимо разогнать его ротор с помощью внешнего момента до частоты вращения, близкой к синхронной.
В виду отсутствия пускового момента в синхронном двигателе для пуска его используют следующие способы:
1. Пуск с помощью вспомогательного двигателя.
2. Асинхронный пуск двигателя.
1. Пуск с помощью вспомогательного двигателя.
Пуск в ход синхронного двигателя с помощью вспомогательного может быть произведен только без механической нагрузки на его валу, т.е. практически вхолостую. В этом случае на период пуска двигатель временно превращается в синхронный генератор, ротор которого приводится во вращение небольшим вспомогательным двигателем. Статор этого генератора включается параллельно в сеть с соблюдением всех необходимых условий этого соединения. После включения статора в сеть вспомогательный приводной двигатель механически отключается. Этот способ пуска сложен и имеет к тому же вспомогательный двигатель.
2. Асинхронный пуск двигателя.
Бесплатная лекция: "2.6 Литература XVIII века" также доступна.
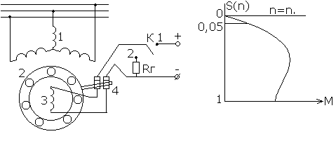
Наиболее распространенным способом пуска синхронных двигателей является асинхронный пуск, при котором синхронный двигатель на время пуска превращается в асинхронный. Для возможности образования асинхронного пускового момента в пазах полюсных наконечников явнополюсного двигателя помещается пусковая короткозамкнутая обмотка. Эта обмотка состоит из латунных стержней, вставленных в пазы наконечников и соединяемых накоротко с обоих торцов медными кольцами.
При пуске в ход двигателя обмотка статора включается в сеть переменного тока. Обмотка возбуждения (3) на период пуска замыкается на некоторое сопротивление Rг, рис. 45, ключ К в положении 2, сопротивление Rг = (8-10)Rв. В начальный момент пуска при S = 1, из-за большого числа витков обмотки возбуждения, Вращающее магнитное поле статора наведет в обмотке возбуждения ЭДС Ев, которая может достигнуть весьма большого значения и если при пуске не включить обмотку возбуждения на сопротивление Rг произойдет пробой изоляции.

Рис. 45 Рис. 46.
Процесс пуска синхронного двигателя осуществляется в два этапа. При включении обмотки статора (1) в сеть в двигателе образуется вращающее поле, которое наведет в короткозамкнутой обмотке ротора (2) ЭДС. Под действием, которой будет протекать в стержнях ток. В результате взаимодействия вращающего магнитного поля с током в коротко замкнутой обмотке создается вращающий момент, как у асинхронного двигателя. За счет этого момента ротор разгоняется до скольжения близкого к нулю (S=0,05), рис. 46. На этом заканчивается первый этап.
Чтобы ротор двигателя втянулся в синхронизм, необходимо создать в нем магнитное поле включением в обмотку возбуждения (3) постоянного тока (переключив ключ К в положение 1). Так как ротор разогнан до скорости близкой к синхронной, то относительная скорость поля статора и ротора небольшая. Полюса плавно будут находить друг на друга. И после ряда проскальзываний противоположные полюса притянутся, и ротор втянется в синхронизм. После чего ротор будет вращаться с синхронной скоростью, и частота вращения его будет постоянной, рис. 46. На этом заканчивается второй этап пуска.























