Типы электростанций и их характеристики
Лекция 3 : «Типы электростанций и их характеристики».
Основную часть электрической энергии вырабатывают:
1) тепловые станции (ТЭС), которые подразделяются на конденсационные (КЭС) и теплофикационные (ТЭЦ);
2) Атомные электрические станции (АЭС);
3) Гидравлические электрические станции (ГЭС);
4) Гидроаккумулирующие станции (ГАЭС).
Незначительную часть энергии вырабатывают дизельные электростанции(ДЭС), а также ТЭС с газотурбинными (ГТУ) и парогазовыми установками (ПГУ).
А) Тепловые и КЭС.
Рекомендуемые материалы
Мощность отдельных электростанций этого типа достигла 6000МВт и имеет тенденцию к дальнейшему увеличению до 8000МВт. На долю КЭС приходится приблизительно ¾ всей вырабатываемой энергии. На новейших КЭС устанавливают экономичные паротурбинные агрегаты с параметрами пара 24Мпа и 560/565 °С мощностью 300,500,800 и 1200МВт, рассчитанные на работу в базисной части суточного графика нагрузки энергосистемы с продолжительностью использования установленной мощности Ту=W/Ру=5000ч/год и более.
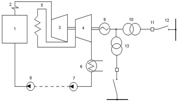
![]() |
Рис. 3
Принципиальная схема блока КЭС:
1 – парогенератор;
2 – пароперегреватель;
3 – часть высокого давления турбины;
4 – часть низкого давления турбины;
5 – промежуточный пароперегреватель;
6 – конденсатор;
7 – конденсатный насос;
8 – насос питания парогенератора;
9 – генератор;
10 – повышающий трансформатор;
11 – выключатель блока;
12 – сборные шины станции;
13 – трансформатор собственных нужд.
Каждый блок (рис.3) состоит из парогенератора, турбины, электрического генератора и повышающего трансформатора, мощность которого соответствует мощности генератора. Поперечные связи между блоками в электрической части в виде сборных шин генераторного напряжения не нужны, поскольку выдача мощности столь крупных агрегатов в сеть при Uг=20-30кВ практически невозможна; токи КЗ были бы чрезмерно велики. Трансформация напряжения генератора до 110-750кВ и выше является единственно приемлемым решением. Отдельные блоки (генератор-трансформатор) связаны между собой только на сборных шинах высшего или среднего напряжения, откуда мощность станции поступает в энергосистему. Тепловые станции, использующие органические виды топлива (уголь, нефть, газ), выбрасывают в атмосферу окислы серы и азота, а также углекислый газ, который накапливается в верхних слоях атмосферы. В результате с течением времени может произойти потепление на земле, что вызовет повышение уровня мирового океана и затопление прибрежных зон континентов.
Б) Теплофикационные станции.
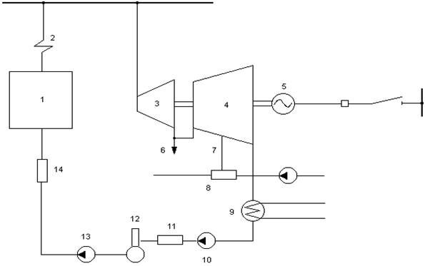
![]() |
ТЭЦ предназначена для централизованного снабжения промышленных предприятий и городов теплом и электроэнергией. Они отличаются от КЭС использованием тепла «отработавшего» в турбинах пара для нужд производства, отопления, вентиляции и горячего водоснабжения. При этом достигается значительная экономия топлива сравнительно с раздельным энергоснабжением, т.е. выработкой электроэнергии на КЭС и получением тепла от местных котельных.
Рис.4
Принципиальная схема теплофикационного агрегата:
1 – парогенератор;
2 – пароперегреватель;
3 – ступень высокого давления турбины;
4 – ступень низкого давления;
5 – генератор;
6 – отбор пара для производства;
7 – отбор пара для отопления;
8 – бойлер;
9 – конденсатор;
10 – конденсатный насос;
11 – подогреватель низкого давления;
Если Вам понравилась эта лекция, то понравится и эта - 9 Список литературы.
12 – деаэратор;
13 – насос питания парогенератора;
14 – подогреватель высокого давления.
Радиус действий мощных городских ТЭЦ - снабжения горячей водой для отопления - не превышает 10км. Установленную мощность ТЭЦ и типы турбоагрегатов выбирают в соответствии с потребностями в тепле и параметрами пара, используемого в производственных процессов и отопления. Режим ТЭЦ - суточный и сезонный – определяется в основном потреблением тепла. Станция работает наиболее экономично, если её электрическая мощность соответствует отпуску тепла. Большинство ТЭЦ используют газ.
В) Гидроэлектростанции.
При сооружении ГЭС обычно преследуют цель: выработки электроэнергии, улучшения условий судоходства и орошение земель. ГЭС обычно имеют водохранилища, позволяющие аккумулировать воду и регулировать её расход и, следовательно, рабочую мощность станции так, чтобы обеспечить наивыгоднейший режим для энергосистемы в целом. Опыт эксплуатации энергосистем показывает, что в течение большей части года ГЭС целесообразно использовать в пиковом режиме. Это означает, что в течение суток рабочая мощность ГЭС должна изменяться в широких пределах – от минимальной в часы, когда нагрузка энергосистемы мала, до максимальной в часы наибольшей нагрузки системы. Работа ГЭС характеризуется частыми пусками и остановами агрегатов, быстрым изменением рабочей мощности от нуля до номинальной. Процесс пуска гидроагрегата и набора мощности полностью автоматизирован и требует несколько минут. Продолжительность использования установленной мощности ГЭС, как правило, меньше чем ТЭС. Она составляет 1500-3000ч для пиковых станций и до 5000-6000ч для базовых. ГЭС целесообразно строить на горных и полугорных реках.

























