Делители напряжения
Делители напряжения.
Делители напряжения предназначены для снижения измеряемого напряжения до величины, на которую рассчитан индикаторный прибор. К индикаторным приборам относятся стрелочные приборы, осциллографы, аналого-цифровые преобразователи и др.
Делители напряжения по назначению делятся на делители для измерений постоянных напряжений, квазистационарных напряжений (переменных синусоидальных и периодических иной формы) и импульсных напряжений.
По принципу действия делители делятся на резистивные (иногда называемые омическими), на емкостные и на комбинированные (емкостно-омические или компенсированные делители).
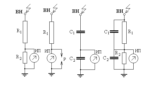
Для измерений постоянных напряжений используются только резистивные делители, в остальных случаях в зависимости от параметров квазистационарных и импульсных напряжений применяются также и остальные типы делителей. Более подробно параметры делителей будут рассматриваться в специальном курсе. Схемы разных типов делителей приведены на рис. 4.

А Б В Г
Рис. 4. Схемы делителей напряжения.
Рекомендуемые материалы
А - резистивный (омический) делитель;
Б - резистивный делитель, низкоомное плечо которого внутреннее сопротивление индикаторного прибора;
В - емкостной делитель;
Г - емкостно-омический (компенсированный) делитель.
Под коэффициентом деления делителя понимают отношение воздействующего на делитель напряжения
к напряжению, снимаемому с нижнего плеча делителя R2
:

У резистивного делителя:
У емкостного делителя:
У емкостно-омического делителя коэффициент деления есть частотнозависимая величина. При измерении прямоугольных импульсов его можно выразить:

Изобразительная метафора - лекция, которая пользуется популярностью у тех, кто читал эту лекцию.
Следует помнить, что в сопротивление и емкость
входят входные сопротивление и емкость индикаторного прибора.
Индикаторными приборами при выполнении измерений постоянных и квазистационарных высоких напряжений с применением делителей напряжения служат различные типы стрелочных приборов, которые могут быть вынесены на пульт, а также электростатические киловольтметры. В случае Б (см. рис. 4) в качестве нижнего плеча делителя R2 используется внутреннее сопротивление ИП. Индикаторными приборами при измерении импульсных напряжений являются импульсные осциллографы. Отличительной особенностью импульсных осциллографов для выполнения высоковольтных импульсных измерений является:
- большие допустимые значения входных напряжений (до 1000 В);
- отсутствие входных усилителей (прямой вход на отклоняющие пластины электронно-лучевой трубки ЭЛТ));
- низкая чувствительность ЭЛТ, позволяющая пользоваться делителями с малыми коэффициентами деления;
- наличие у осциллографа генератора подсветки, обеспечивающего яркое отображение измеряемого импульса на экране ЭЛТ, которое позволяет его фотографирование.






















