Триггеры
4.Триггеры.
4.1 Классификация триггеров.
Триггером называется электронное последовательстное устройство, с помощью которого, записывается, хранится и считывается двоичная информация. Триггер имеет два устойчивых состояния:1 или 0.
Классификация информационных входов:
R-раздельный вход сброса триггера(Q=0);
S- раздельный вход установки триггера(Q=1);
K-вход сброса универсального триггера(Q=0);
J- вход установки универсального триггера(Q=1);
T-счетный вход триггера;
Рекомендуемые материалы
D-информационный вход триггера;
C-синхронизирующий вход триггера;
V-блокирующий вход триггера.
Различают триггеры: RS, D, T, JK, VD, и VT.
По моменту реакции на входной сигнал триггеры подразделяют на асинхронные и синхронные.
Асинхронный триггер изменяет свое состояние непосредственно в момент изменения сигнала на его информационных выходах.
Синхронный триггер изменяет свое состояние лишь в строго определенные тактовые моменты времени при наличии сигнала С.
По виду активного логического сигнала различают статические - управляемые уровнем, и динамические – управляемые переходом входного сигнала.
4.2 Одноступенчатые триггеры.
![]() |
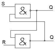
RS-триггер на базе или-не.

Рис. 4.1
![]() |
| Sk | Rk | Qk |
| |||
| 0 | 0 | Qk-1 | хранение | |||
|
0 | 1 | 0 | Установка в 0 | |||
| 1 | 0 | 1 | Установка в 1 | |||
| 1 | 1 | X | Запрещено |
Рис.4.2
![]() |
уравнение триггера
![]() |
![]() |
Рис. 4.3
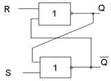
4.3 RS-триггер на базе элементов и-не.

![]() |
Рис. 4.4
Рис. 4.5
| Sk | Rk | Qk |
|
| 0 | 0 | X | Запрещено |
| 0 | 1 | 1 | Установка в 1 |
| 1 | 0 | 0 | Установка в 0 |
| 1 | 1 | Qk-1 | Хранение |
![]() |

![]() |
Рис. 4.6
Рис. 4.7
4.4 RSC- триггеры с синхронным входом.
![]() |

Рис. 4.8 Рис. 4.9

| С | SK | RK | QK | |
| 1 | 0 | 0 | QK-1 | хранение |
| 1 | 1 | 0 | 1 | Установка 1 |
| 1 | 0 | 1 | 0 | Установка 0 |
| 1 | 1 | 1 | x | запрет |

Рис. 4.10
4.5 D-триггер(delay-задержка)
Он просто передает информационный сигнал с входа D на выход Q с задержкой на один такт.
![]() |
![]() |
Рис. 4.11 Рис. 4.12 (а)

(б)
D-триггеры часто называют триггером с задержкой. Слово задержка здесь характеризует то, что происходит с данными, поступающими на вход D. Информационный сигнал (0 или 1), поступающий на этот вход, задерживается в триггере ровно на один такт, прежде чем появляется на выходе Q.
Характеристические таблицы.
| DK | QK-1 | CK | QK | |||
| 0 | 0 | 0 | 0 | |||
|
| 1 | 0 | 1 | |||
|
1 | 0 | 0 | 0 | |||
|
| 1 | 0 | 1 | |||
| 0 | 0 | 1 | 0 | |||
|
| 1 | 1 | 0 | |||
| 1 | 0 | 1 | 1 | |||
| 1 | 1 | 1 | 1 |




![]() |
Таблица переходов. Рис. 4.13
| D | QK® qK |
| 0 | 0®0 |
| 1 | 0®1 |
| 0 | 1®0 |
| 1 | 1®1 |
DV триггер

Рис. 4.14
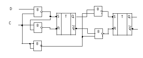
4.6 Двухступенчатые триггеры.
Т-триггер
![]() | ![]() | ||
Асинхронный Т-триггер переключается каждый раз, когда на вход Т поступает управляющий сигнал. Т-триггер часто называют счетным триггером, который изменяет свое состояние на противоположное по каждому активному логическому сигналу, действующему на информационном входе Т. Рис. 4.15
Рис. 4.16
|
Pk-1 | Tk | Qk | |||
| 0 | 0 | 0 | |||
| 0 | 1 | 1 | |||
| 1 | 0 | 1 | |||
| 1 | 1 | 0 |
![]() |
Рис. 4.17

Рис. 4.18

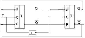
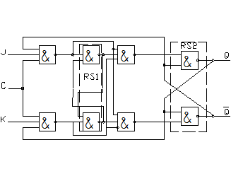
4.7 JK- триггеры.
JK- триггер является универсальным триггером, т.к. на его базе могут быть выполнены любые триггеры.
![]() | ![]() | ||
Рис. 4.19 Рис. 4.20
Рис. 4.21 Рис. 4.22
Во время действия тактового импульса (ТИ) (
![]() | ![]() | ||
с=1) информация, определенная состоянием входов Y и R записывается в основной триггер RS1, а по окончании ТИ(с=0)информация переписывается во вспомогательный триггер RS 2.
Характеристическая таблица.
| С | JK | KK | QK | ||||
|
| 0 | 0 | QK-1 | Хранение | |||
|
Õ1 | 0 | 1 | 0 | Сброс 0 | |||
|
| 1 | 0 | 1 | Установка 1 | |||
|
| 1 | 1 | QK-1 | Переключено |
![]() |

Таблица переходов.
| С | J | K | Qп®Qп+1 |
|
| 0 | * | 0®0 |
|
| * | 0 | 1®1 |
|
| 1 | * | 0®1 |
|
| * | 1 | 1®0 |
|
|

Рис 4.23
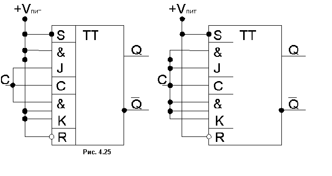
4.8 Практические схемы триггеров
Условные обозначения микросхем триггеров.
| Обозначение | Вид микросхемы |
| ТВ | JK триггер |
| ТD | Динамический триггер |
| ТК | Триггер комбинированный(DT, RST) |
| ТЛ | Триггер Шмитта |
| ТМ | Триггер типа D (с задержкой) |
| ТР | Триггер RS (с раздельным запуском) |
| ТТ | Триггер Т (счетный) |

Рис. 4.24
4.9 СЕМИНАР №3. Триггеры.
Задача 3.1
Используя элемент ИЛИ-НЕ (К155ЛЕ1) выполнить асинхронный RS-триггер. Записать таблицу состояний.
Построить графики изменений его выходных сигналов под воздействием входных. Составить таблицы: переходов и характеристическую. Получить характеристическое уравнение.
Задача 3.2
Выполнить асинхронный инверсный
триггер на ИС К155ЛА3. 4.2 И-НЕ. Записать таблицу состояний. Построить графики изменений выходных сигналов. Составить таблицы переходов и характеристическую. Получить характеристическое уравнение. Составить на К155ЛА3 схему RS-триггера.
Задача 3.3
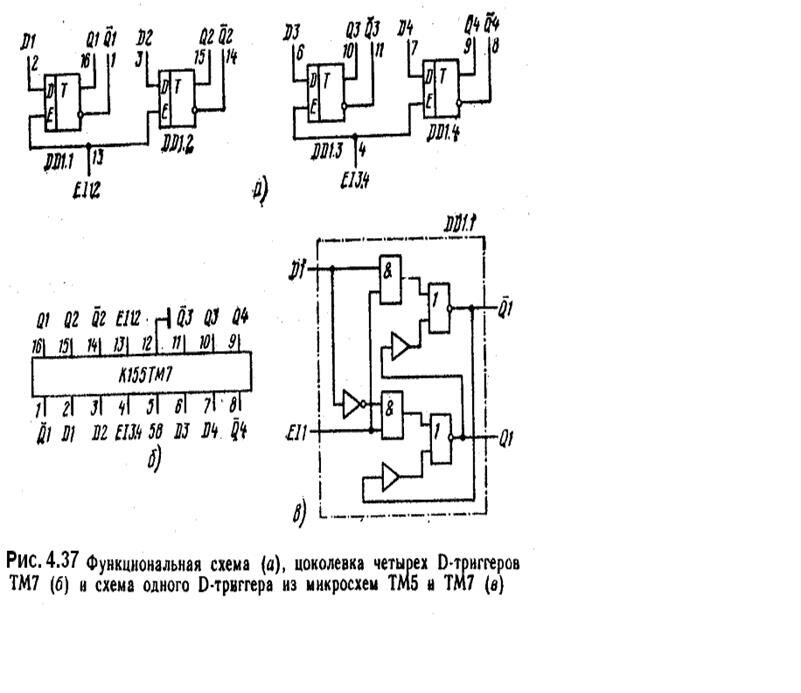
Рассмотреть работу D-триггера с динамическим управлением (К155ТМ2). Изобразить его логическую структуру. Записать таблицу состояний. Построить графики изменений выходных сигналов. Составить таблицы переходов и характеристическую. Получить характеристическое уравнение, отметить главное свойство D-триггера – независимость его выходных сигналов от исходного состояния, он является только элементом памяти.
Задача 3.4
Рассмотреть работу JK-триггера на ИС К155ТВ1. Записать таблицу состояний. Построить графики изменений выходных сигналов. Составить таблицы переходов и характеристическую. Записать характеристическое уравнение.
Задача 3.5
Как будут функционировать триггеры рис. 3.5? В чём различие обстоятельств их применения?

Задача 3.6
Изобразить схему использования JK-триггера в качестве RSC-триггера. Как использовать JK-триггер в качестве D-триггера? Каким он будет: со статическим или динамическим управлением?
4.10 Лабораторная работа “Исследование триггеров”.
Авторы: Атаманов В.Н.,Лаврентьев В.В.
Рис. 4.26
Описание лабораторного стенда.
Лабораторный стенд, внешний вид которого представлен на рисунке 4.26, содержит источники питания, контрольные точки, измерительные приборы и разъём для присоединения исследуемого электронного устройства.
Исследуемые устройства размещены в кассетах , на лицевых панелях которых изображены принципиальные электрические схемы. Набор триггерных схем, исследуемых в данной, работе представлен на двух кассетах 'Триггеры 1' и 'Триггеры 2' , электрические схемы которых показаны на рис. Рис.4.27
Нумерация переключаемых контактов на приведённых рисунках соответствует нумерации контактов переключателей , нанесённой на панели лабораторного стенда.
Рис.4.27
Переключатели S1(контакты 1 , 2) , S2(контакты 3 , 4), S3(контакты 5 , 6) служат для установки логического нуля или логической единицы на соответствующих входах А, В, С триггеров.
Переключатель S7(контакты 16, 17, 18) служит для подключения исследуемого триггера к источнику питания.
Наличие логического нуля или логической единицы на входах и выходах триггера индицируется светодиодами VD1…VD11.Свечение светодиода свидетельствует о наличии логической единицы на соответствующем входе или выходе, отсутствие свечения означает логический нуль.
Общее подключение лабораторного стенда к питающей сети осуществляется выключателем S8(см. рис.4.27)
Правила техники безопасности.
1. Работа выполняется строго в соответствии с заданиями и указаниями по их выполнению.
2. Перед включением стенда необходимо знать функциональное назначение всех элементов коммутации(выключателей, переключателей и т. п.) и убедиться, что все исследуемые в работе устройства отключены от источника электропитания.
3. После выполнения работы необходимо выключить электропитание всех исследованных устройств.
4. При выполнении работ запрещается:
А) Включать схемы без разрешения преподавателя;
Б) Пользоваться неисправными приборами и устройствами.
Соблюдение данных правил каждым студентом обязательно.
Задания и указания по выполнению работы.
Асинхронный RS-триггер на элементах ИЛИ-НЕ.
Задание 1.
Исследовать экспериментально закон функционирования (режимы работы) асинхронного RS-триггера на элементах ИЛИ-НЕ и составить таблицу переходов. Для этого необходимо:
А) установить кассету 'Триггеры 1' в лабораторный стенд;
Б) подключить исследуемый триггер к источнику питания;
В) устанавливая поочерёдно все возможные комбинации логических нулей и единиц на входах исследуемого триггера, определить по светодиодам VD4 и VD5 состояние выходов триггера и полученные результаты занести в табл.2 отчёта.
| Режимы работы | входы | Выходы | ||||
| S(B) | R(A) | Qt |
| Qt+1 |
| |
| Установка в состояние 0 | 0 | 1 | 0 | 1 | ||
| 0 | 1 | 1 | 0 | |||
| Установка в состояние 1 | 1 | 0 | 0 | 1 | ||
| 1 | 0 | 1 | 0 | |||
| Хранение | 0 | 0 | 0 | 1 | ||
| 0 | 0 | 1 | 0 | |||
| Запрещённое состояние | 1 | 1 | 0 | 1 | ||
| 1 | 1 | 1 | 0 |
Задание 2.
Построить график изменения сигнала на прямом выходе триггера Q для заданной последовательности изменения входных сигналов S и R в соответствии с временной диаграммой (рис.4.28).
![]() |
Рис.4.28
Задание 3.
Для интервалов времени а, б, в, г, д, е (см. рис.4.28) определить режимы работы триггера и результаты занести в табл.3. Изобразить графическое обозначение исследованного триггера.
Таблица 3
| Инервал времени | Режим работы |
| А | |
| Б | |
| В | |
| Г | |
| Д | |
| Е |
Асинхронный RS-триггер на элементах И-НЕ.
Задание 4.
Исследовать экспериментально закон функционирования (режимы работы) асинхронного RS-триггера на элементах И-НЕ и составить таблицу переходов. Для этого необходимо:
А) установить соответствующую кассету в стенд;
Б) подключить исследуемый триггер к источнику питания;
В) устанавливая поочерёдно все возможные комбинации логических нулей и единиц на входах исследуемого триггера , определить по светодиодам VD6 и VD7 состояние выходов триггера и полученные результаты занести в табл.4 отчёта.
Таблица 4.
| Режим работы | Входы | Выходы | ||||
|
|
| Qt |
| Qt+1 |
| |
| Установка в состояние 0 | 1 | 0 | 0 | 1 | ||
| 1 | 0 | 1 | 0 | |||
| Установка в состояние 1 | 0 | 1 | 0 | 1 | ||
| 0 | 1 | 1 | 0 | |||
| Хранение | 1 | 1 | 0 | 1 | ||
| 1 | 1 | 1 | 0 | |||
| Запрещённое состояние | 0 | 0 | 0 | 1 | ||
| 0 | 0 | 1 | 0 |
Задание 5.
Построить график изменения сигнала на прямом выходе триггера Q для заданной последовательности изменения входных сигналов S и R в соответствии с временной диаграммой (рис. 4.29).
Рис.4.29
Задание 6.
| Инервал времени | Режим работы |
| А | |
| Б | |
| В | |
| Г | |
| Д | |
| Е |
Для интервалов времени а, б, в, г, д, е (рис. 14) определить режим работы триггера и результат занести в табл.5
Табл.5
Синхронный RS-триггер.
Задание 7.
Исследовать экспериментально закон функционирования (режим работы) синхронного RS-триггера на элементах И-НЕ и составить его таблицу переходов. Для этого необходимо:
А) установить кассету 'Триггеры 1' в лабораторный стенд;
Б) подключить исследуемый триггер к источнику питания;
В) устанавливая требуемые комбинации логических нулей и единиц на входах триггера в соответствии с табл.6 , определить по светодиодам VD8 и VD9 состояние выходов триггера и результаты занести в табл.6 отчёта.
Примечания:
1.для каждой комбинации входных сигналов состояние выходов Qt и
Таблица 6.
| Режим работы | Входы | Выходы | ||||
|
|
| Qt |
| Qt+1 |
| |
| Установка в состояние 0 | 1 | 0 | 0 | 1 | ||
| 1 | 0 | 1 | 0 | |||
| Установка в состояние 1 | 0 | 1 | 0 | 1 | ||
| 0 | 1 | 1 | 0 | |||
| Хранение | 1 | 1 | 0 | 1 | ||
| 1 | 1 | 1 | 0 | |||
| Запрещённое состояние | 0 | 0 | 0 | 1 | ||
| 0 | 0 | 1 | 0 |
Задание 8.
Построить график изменения сигнала на прямом выходе триггера Q для заданной последовательности изменения входных сигналов S и R в соответствии с временной диаграммой (рис.4.30). Представить графическое обозначение исследованного триггера.

рис.4.30
Синхронный D-триггер.
Задание 9.
Исследовать экспериментально закон функционирования (режим работы) синхронного D-триггера на элементах И-НЕ и составить таблицу его переходов. Для этого необходимо:
а) установить кассету "Триггеры 2". в лабораторный стенд;
б) подключить исследуемый триггер к источнику питания;
в)устанавливая требуемое состояние входа D триггера и подавая синхроимпульс на вход С, определить по светодиодам VD4 и VD5 состояние выходов триггера, и результаты занести в табл. 7 отчета.
Таблица 7.

Задание 10.
Построить график изменения сигнала на прямом выходе триггера Q для заданной последовательности изменения входных сигналов D и С в соответствии с временной диаграммой (рис.4.31).

рис. 4.31
Двухступенчатый RS-триггер
Задание 11.
Исследовать экспериментально закон функционирования двухступенчатого RS-триггера на элементах И-НЕ и составить его таблицу переходов. Для этого необходимо:
а) установить кассету "Триггеры 2" в лабораторный стенд;
б) подключить исследуемый триггер к источнику питания;
| Режим работы | Входы | Выходы | |||||
| S(A) | R(B) | C | Qt
|
| Qt+1 |
| |
| Установка в состояние 0 | 0 | I | |||||
| 0 | I | ||||||
| Хранение | 0 | 0 | |||||
| 0 | 0 | ||||||
| Установка в состояние 1 | 1 | 0 | |||||
| 1 | 0 | ||||||
| Хранение | 0 | 0 | |||||
| 0 | 0 | ||||||
| Запрещенное состояние | 1 | 1 | |||||
| 1 | 1 |
в) устанавливая требуемые комбинации логических нулей и единиц на входах триггера в соответствии с табл. 8, определить по светодиодам VD8 и VD9 состояния выходов триггера. Результат исследований занести и табл. 8 отчета.
Таблица 8.
Задание 12.
Записать в отчет вывод о появлении информации на выходе ведущего триггера (VDб) и ведомого (VD8). Появление информации оценивать относительно фронта или среза синхроимпульса.
Задание 13.
Построить график изменения сигнала на прямом выходе триггера Q для заданной последовательности изменения входных сигналов S и R в соответствии с временной диаграммой (рис 4.32). Представить графическое обозначение исследованного триггера.

Рис. 4.32.
Универсальный JK -триггер
Задание 14.
Исследовать экспериментально закон функционирования универсального JK-триггера и составить его таблицу переходов. Для этого необходимо:
а) установить кассету "Триггеры 2" и лабораторный стенд;
б) подключить исследуемый триггер к источнику питания;
в) устанавливая требуемые комбинации логических нулей и единиц на входах триггера в соответствии с табл. 9, определить по светодиодам VD10 и VD11 состояние выходов триггера. Результаты исследований занести в табл. 9 отчета.
Таблица 9
| Режим работы | Входы &ОДЫ | Выходы ВЫХОД! 1 | |||||
| J(A) | K(В) | С |
|
|
|
| |
| Установка в состояние 0. | 0 | I | Г | * | * | ||
| 0 | I | L | |||||
| Установка в состояние I | I | 0 | Г | ||||
| I | 0 | L | |||||
| Хранение | 0 | 0 | Г | ||||
| 0 | 0 | L | |||||
| Переключение | I | I | Г | ||||
| I | I | L | . |
Задание 15. Построить график изменения сигнала на прямом выходе триггера Q для заданной последовательности изменения входных сигналов J и К в соответствии с временной диаграммой (рис. 4.33). Представить графическое обозначение исследованного триггера.

Рис.4.33
СОДЕРЖАНИЕ ОТЧЕТА
Отчет составляется индивидуально каждым студентом и должен содержать:
1) титульный лист с названием работы, фамилией и инициалами исполнителя, индексом группы и датой выполнения:
2) графическое изображение всех исследуемых устройств, вычерченных с помощью чертежных инструментов;
3) таблицы, временные диаграммы и выводы в соответствии с заданиями.
.
4.11. Триггеры ТТЛ 






Люди также интересуются этой лекцией: Основные задачи в области надежности ПО.
.
4.12 Триггеры КМОП 




















0
1
0







Õ1

Õ1
Õ1


t























