ПЛИС с комбинированной архитектурой
· Лекция №4
· «Элементная база электронных устройств и систем»
4. ПЛИС с комбинированной архитектурой
4.1. Структура микросхем семейства FLEX
По мере роста уровня интеграции ПЛИС их архитектуры усложнялись, появились архитектуры в той или иной мере сочетающие достоинства CPLD и FPGA. К числу появившихся микросхем с такой архитектурой в первую очередь можно отнести семейство FLEX (Flexible Logic Element matriX) фирмы Altera. Комбинированные архитектуры затем нашли применение в многочисленных БИС/СБИС, в том числе типа "система на кристалле". Микросхемы высшей сложности строят по все более оригинальным архитектурам, не только сочетающим черты CPLD и FPGA, но и обладающим новыми особенностями. На рис. 1.14 приведена структура микросхем семейства FLEX.
Микросхемы семейства FLEX имеют функциональные блоки (LABs, Logic Array Blocks) с логическими элементами ЛЭ (LEs, Logic Elements), содержащими функциональные преобразователи ФП табличного типа (LUTs). Функциональные блоки расположены в виде матрицы, между их строками и столбцами проходят горизонтальные и вертикальные трассировочные каналы, что характерно для FPGA. В то же время, трассы в каналах не сегментированы, а непрерывны, что типично для CPLD. Поскольку, как уже отмечалось, в схемах с большим числом функциональных блоков применение единой коммутационной матрицы затруднено, система коммутации имеет два уровня межсоединений — глобальный и локальный. Локальная программируемая матрица соединений (локальная ПМС или ЛПМС) обеспечивает межсоединения логических элементов ЛЭ, из которых составляются функциональные блоки LABs. В состав LAB входят 8 логических элементов. Соединения между блоками LAB обеспечиваются глобальной программируемой матрицей соединений ГПМС, к концам строк и столбцов которой подключаются блоки ввода/вывода (IOBs, Input/Output Blocks).
Начиная с семейства FLEX10K, в составе многих микросхем ПЛИС появились встроенные блоки памяти ВБП (EABs, Embedded Array Blocks). Ранее имелась возможность использования в качестве субмодулей памяти лишь тех ресурсов, которые имеются в ФП типа LUT.
В схеме на рис. 1.14 показан включенный в середине строк встроенный блок памяти (у большинства микросхем семейства FLEX10K его емкость равна 2048 бит). Такой блок может конфигурироваться как ЗУ с организацией 256x8, или 512x4, или 1024x2, или 2048x1 и использоваться не только для .хранения данных, но и как табличный ФП для реализации сложных функций с числом аргументов 8—10 (в частности, на блоках ЕАВ строятся быстродействующие арифметико-логические устройства АЛУ, перемножители 4x4 и т. д.).
Рекомендуемые материалы

4.2. Логические элементы
Логические элементы микросхем семейства FLEX (рис. 1.15) имеют в своей основе 4-входовые ФП табличного типа (LUT). Особенностью схем, которые могут быть построены из этих логических элементов, является наличие специальных трактов переноса, образуемых цепочками схем переноса СП, и трактов каскадирования, образуемых схемами каскадирования (СК) с непосредственными и быстродействующими связями между логическими элементами по указанным трактам.

ФП с 4 входами имеет 16 бит памяти и для воспроизведения функций 4 аргументов организуется в варианте 16x1. Те же самые 16 бит можно использовать в виде двух табличных ФП с организацией 8x1, реализующих две функции 3 переменных, что отвечает, например, потребностям построения разрядных схем сумматоров с последовательным переносом, разрядных схем некоторых счетчиков и т. д. Длинные цепочки переносов формируются в пределах нескольких LAB. В микросхемах семейства FLEX задержка цепи переноса мала (приблизительно 1 не), что делает целесообразным применение в проектах многих простых схем с последовательными переносами даже для быстродействующих устройств.
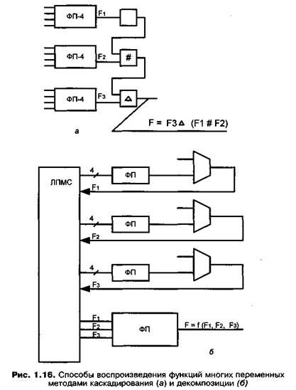
Цепочка каскадирования используется для получения функций с числом аргументов более 4. Три соседних ЛЭ можно применить для воспроизведения частичных функций, а затем с помощью каскадирования сформировать из этих функций окончательный результат (рис. 1.16, а). При получении из частичных функций единой функции многих переменных частичные функции смежных ЛЭ объединяются любой логической операцией над двумя переменными, кроме сложения по модулю 2 и функции равнозначности (на рис. 1.16, а функции обозначены условными значками).
Функции многих переменных можно получить и другим способом, используя обратные связи. При этом сначала вырабатывается некоторая функция четырех переменных, затем она вводится в качестве одного из входов в другой ЛЭ и т. д. В результате вычисляется "функция от функций" с числом аргументов, превышающим 4 (рис. 1.16, б).
Синхронный триггер в схеме на рис. 1.15 получает сигналы от схемы управления с входами R (Reset), D (одна из входных линий логического элемента) и ЛУС (четыре линии локальных управляющих сигналов). Один из двух сигналов ЛУС по выбору используется для тактирования триггера, два других вместе с сигналом R и одним из входов D управляют режимами сброса/установки. С помощью программирования можно задавать несколько режимов воздействия на триггер по входам S и R. Все эти режимы (сброс, установка, загрузка в разных вариантах) асинхронны.

Триггер может быть использован для фиксации значений выработанных ФП функций или как отдельный элемент с входом от одной из линий D в зависимости от программирования мультиплексора в линии этого входа.
Выходной сигнал логического элемента через программируемые мультиплексоры может подаваться в глобальную и локальную матрицы межсоединений в программируемых вариантах комбинационного (с обходом триггера) или регистрового (с триггера) выходов.
Вам также может быть полезна лекция "6.3. Турбулентное движение жидкости".
4.3. Встроенные блоки памяти
В состав СБИС семейства FLEX10K были впервые включены встроенные блоки памяти ВВП общей емкостью приблизительно от 6 до 20 Кбит для разных представителей семейства. Отдельные блоки емкостью 2 Кбит были размещены в середине каждой строки матрицы логических блоков. Блоки встроенной памяти можно использовать как по прямому назначению, т. е. как статическое ЗУ, так и для реализации ПЗУ и логических схем (табличных ФП повышенной размерности путем эмуляции ПЗУ с помощью загрузки таблицы в ОЗУ). Такие ФП дают более эффективные решения в сравнении с реализациями сложных функций средствами типовых логических блоков. Например, один встроенный блок памяти при организации 256x8 реализует перемножитель 4x4, способный работать на частотах до 50 МГц. Построение такого же перемножителя на типовых ЛБ потребовало бы занять 8 логических блоков, а частота работы перемножителя не превысила бы 20 МГц.
Блоки встроенной памяти ориентированы также на организацию буферов FIFO, а в микросхемах FLEX10KE и на построение двухпортовой памяти. Несколько блоков можно объединять для создания более емкой памяти. Так как блоки памяти расположены на том же кристалле, что и логическая часть схемы, работа с памятью отличается высоким быстродействием.
В структуре встроенных блоков памяти (рис. 1.17) кроме модуля памяти I RAM/ROM имеется несколько синхронных D-триггеров и программируемых мультиплексоров. Локальная программируемая матрица соединений ЛПМС получает 22 – 26 сигналов от строки глобальной матрицы ГПМС. Регистры 1 и 2 программируются для передачи в модуль памяти данных и адресов разной разрядности в зависимости от заданной конфигурации памяти. В блоке с емкостью 2 Кбит разрядность данных может изменяться от 1 до 8, а разрядность адреса от 11 до 8. Запись в память в зависимости от программирования мультиплексоров 4 – 6 может быть синхронной (от регистров по сигналам тактирования) или асинхронной (непосредственно от ЛПМС).

Сигналы управления регистрами 1 – 3 поступают от глобальной шины управляющих сигналов с возможностью выбора их полярности (мультиплексоры 1 – 3). Выходные сигналы блока памяти с помощью мультиплексоров 7 – 9 могут передаваться как на линии строки, так и на линии столбца ГПМС в тактируемом или асинхронном вариантах.






















