Использование оборотной воды
8. Использование оборотной воды
оборотную воду необходимо максимально использовать для уменьшения расхода свежей воды, волокна, проклеивающих веществ, наполнителя, а также для уменьшения стоков в канализацию.
Оборотную воду с бумагоделательной машины можно разделить на три потока:
- регистровый, с большим содержанием волокна и наполнителя;
- вода от отсасывающих ящиков и гауч-вала с небольшим содержанием волокон;
- избыточная оборотная вода.
Регистровая вода применяется для разбавления бумажной массы в смесительных насосах, избыточная оборотная вода – для разбавления массы в системе переработки брака, в размольно-подготовительном отделе, остаток избыточной воды подаётся на осветление. Осветление производится по методу фильтрации (дисковый фильтр), флотации (флотационные ловушки), осаждения (скребковые ловушки, конусные отстойники и др.). Осветлённая вода может использоваться взамен свежей на спрысках напорного ящика, на гидрозатворах отсасывающих ящиков, на отбойном спрыске сетки, на регулировании концентрации массы и др.
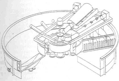
Дисковые фильтры
Большое распространение для осветления получили дисковые фильтры (рис. 181, 183). Фильтр состоит из 6-18 вертикальных дисков, укрепленных на горизонтальном валу. Диски вращаются в ванне, имеющей форму полуцилиндра с выступающими узкими камерами. Каждый диск набирают из 16 плотно прижатых друг к другу секторов, которые имеют рифленые или дырчатые боковые поверхности. Каждый сектор обтянут фильтровальной сеткой. Диски к валу крепятся таким образом, чтобы отверстие в сегменте прилегало к соответствующему отверстию наружной поверхности вала.
Рекомендуемые материалы

Рис.181-. Внешний вид дискового фильтра
Корпус вала состоит из двух концентрических труб. Пространство между трубами разделено продольными ребрами на 16 герметичных камер. Камеры вала соединены с вакуумной линией через распределительную головку, через которую отводят воду, прошедшую сквозь сетку сегментов.
Ввод массы в ванну осуществляется через напускной ящик. Сверху ванна закрывается колпаком. Для съема массы вверху, между дисками установлены спрыски, которые подрезают полотно с поверхности дисков и попутно промывают сетку. Приемные карманы соеденены с массопроводом, в котором установлен транспортирующий винтовой конвейер.
В дисковых фильтрах диски состоят из секторов, которые могут исполняться в двух вариантах: 1) со сменными сетками на секторах (классическая схема); 2) бессеточные сектора из нержавеющей стали (рис.182).

Рис.182 – Бессеточный сектор
Второй вариант обладает преимуществами: не надо менять сетки (поверхность сектора имеет отверстия 0,7…1,0 мм)., повышается механическая прочность сектора, за счет гофрированной поверхности увеличивается рабочая поверхность.

Рис.183 - Схема работы дискового фильтра
При вращении вала сегменты дисков погружаются в массу, заполняющую ванну, и в момент полного погружения сегмента создается вакуум. Вода втягивается через сетку внутрь сегмента, откуда ее отводят через камеру к валу и выходное отверстие в распределительной головке. В этот момент на поверхности сетки образуется слой волокон, а отфильтрованная вода, содержащая некоторое количество мелкого волокна, отводится через головку в каналы, предназначенные для заволокненной воды (мутный фильтрат).
При дальнейшем перемещении сегментов слой волокон увеличивается и становится способным задерживать мельчайшие частицы, в результате чего вода, поступающая внутрь сегментов, становится осветленной. В этот момент распределительная головка сообщается с каналами для отвода осветленной воды (светлый фильтрат). Процесс фильтрации продолжается до выхода сегментов из массы.
Для снятия слоя массы с сегментов применяется спрыск высокого давления или воздушный нож, который снимает массу с поверхности дисков, после чего она собирается в приемной камере, в которой вращается транспортирующий шнек.
Установка Fibermizer
Установка Fibermizer (рис. 184) имеет следующие преимущества:
сокращение потерь волокна до 90 % без снижения эффективности системы очистки;
не требует дополнительных насосов;
нет необходимости в контрольно-измерительных приборах;
не требует установки трубопровода или резервуара.

Рис. 184 - Установка Fibermizer
Все части, контактирующие с водой, изготовлены из коррозионно-стойкой стали, элементы конструкции — из мягкой стали, фланцы — из алюминия.

Фракционатор Spray Filter
Фракционатор Spray Filter (рис.185, 186) фирмы «Krofta» сконструирован для осветления потоков с широким диапазоном колебаний концентраций взвешенных веществ от 20 до 5000 мг/л. В качестве фильтрующего элемента для отделения длинного волокна от наполнителя применяют набор тонких сеток с отверстиями от 50 до 500 мкм.

Рис. 185 - Фракционатор Spray Filter со снятой сеткой

Рис. 186 – Схема включения фракционатора Spray Filter в технологический поток
Фракционатор оборудован промывным спрыском, который значительно увеличивает продолжительность службы сетки до ее замены.
Схема включения установки в технологический поток представлена на рис. 186. Фильтрат (подсеточная вода с БДМ или с установки облагораживания макулатуры) по трубопроводу поступает в бак-усреднитель 3, откуда насосом через патрубок 2 под давлением около 800 кПа подается на фракционирование в Spray Filter I. Через специальные отверстия фильтрат равномерно распыляется через тонкую эластичную сетку, натянутую на барабан. Барабан приводится во вращение электродвигателем.
Фракция, содержащая длинное волокно, стекает вниз с внутренней стороны цилиндра, покрытого сеткой, и отводится через трубу 4 в бассейн для повторного использования. Фракция, содержащая мелкое волокно, проходит через сетку и отводится через трубу 5 в резервуар и из него подается на флотационную очистку. Импульсный промывной спрыск начисто промывает сетку. В промывном спрыске используется отфильтрованная вода.
Установка флотационной очистки сточных вод

Установка флотационной очистки сточных вод типа Supracell, выпускаемая фирмой «Krofta» (рис.187) успешно применяется для очистки загрязненных фильтратов при облагораживании макулатуры.

Рис. 187 – Общий и схематический вид флотационной ловушки
Устройства ввода и вывода воды, а также удаления осадка расположены в центральной вращающейся секции. Эта секция и спиральный сборник вращаются относительно резервуара со скоростью, синхронизированной с потоком. Очищаемая жидкость проходит через камеру насыщения воздухом и поступает во вращающееся сочленение в центре резервуара. Далее поток очищаемой воды направляется в распределительный канал, который вращается со скоростью, равной скорости поступающей жидкости, создавая таким образом эффект «нулевой» скорости. Процессы отстоя и флотации происходят в статическом состоянии.
Флотируемый осадок спиральным сборником направляется в центральную неподвижную секцию, откуда он самотеком удаляется для последующей утилизации. Очищенная вода выводится по отводным трубам, которые стыкуются с центральной вращающейся секцией (в очищенной воде содержание твердых взвесей обычно составляет 10...20 мг/л). Затем она снова направляется в производство. Следует отметить, что для исключения эффекта накопления солей в рециркулирующем фильтрате 5... 10 % ее объема спускается в канализацию.
Очистка дна и боковой поверхности резервуара осуществляется лопастями мостового скребка, который состыкован с вращающимся распределительным каналом. Осадок направляется во встроенный отстойник, откуда он периодически удаляется.
Привод мостового скребка и спирального сборника обеспечивается регулируемым двигателем через редуктор. Питание двигателя осуществляется через установленный на центральном валу скользящий контакт.
На рис. 189 показаны общий вид камеры насыщения воздухом и схема ее работы.
Неочищенный фильтрат поступает под давлением 400...600 кПа в камеру насыщения воздухом. Подача жидкости в камеру происходит по касательной к цилиндрической поверхности камеры через отверстие, расположенное у одного из концов камеры, а ее вывод — через отверстие около противоположного конца. За короткое время пребывания в камере жидкость, совершая вращательное движение, многократно проходит около форсунки подачи сжатого воздуха в камеру. Растворение воздуха в воде происходит под давлением при тщательном перемешивании компонентов.
Декомпрессия жидкости происходит во фрикционном клапане, где она пропускается через узкую щель. Вследствие резкого изменения давления воздух выходит из растворенного состояния в виде микроскопических пузырьков, которые обеспечивают хорошие условия для флотации твердых взвесей.


Рис. 189 – Камера насыщения воздухом флотационной установки: а) общий вид; б) схема работы
По мнению разработчика, установка обладает следующими преимуществами:
короткое время пребывания (3...5 мин);
высокая удельная производительность (10... 12 м3/ч на 1 м2 поверхности жидкости в резервуаре), которая дает возможность сократить площадь поверхности резервуара;
небольшая толщина слоя воды в резервуаре (40 см);
низкая стоимость установки по сравнению с любой системой очистки с аналогичными характеристиками других фирм;
низкая стоимость монтажных работ, которая обеспечивается поставкой оборудования с полной предварительной сборкой на заводе, а также возможностью использования легких опорных конструкций вследствие малой массы (удельная масса установки в рабочем режиме 730 кг/м );
простота монтажа и демонтажа, что обеспечивает быстрое размещение установки на новом месте.
минимальные требования к размерам помещения вследствие малой габаритной высоты, возможность монтажа оборудования на уровне поверхности земли.
простота очистки — поверхность резервуара полностью открытая, дно резервуара в процессе работы самоочищается;
содержание твердых взвесей после очистки составляет 10...20 мг/л, концентрация осадка — 2...6%.
Дуговое сито
Люди также интересуются этой лекцией: Классификация моделей.
Сито просто по конструкции, компактно, производительно. Для фильтрования используется сетка колосникового типа. Очищаемую воду через сопла давлением 150-350 кПа подают на сетку, изогнутую по дуге так, чтобы струя была направлена тангенциально к сетке. Проходя по поперечным проволокам, масса подбрасывается на каждом из них, при этом снимается тонкий слой воды Крупная взвесь (волокно) остается на поверхности сетки и постепенно спускается вниз в сборник. Мелкая взвесь вместе с водой проходит через сетку.

Рис. 190 – Пример дугового сита (Bauer Hydrosive)
Основная деталь сита (рис. 190) - ситочный лист специальной конструкции, выполненный из проволоки клиновидного сечения. Проводки между опорными ребрами согнуты дугообразно вниз и расположены поперечном направлении по отношению к потоку среды. Ситочный лист имеет три уклона - 25, 35 и 45° по отношению к вертикали. Он установлен на шарнирах и неподвижно закреплен в верхней и нижней части. Сточная вода подается самотеком или перекачивается в напорный ящик сита, откуда через перелив она попадает на сито; при этом скорость воды увеличивается, слой ее утончается и волокна равномерно распределяются параллельно потоку.
На верхнем участке сита с наклоном 25° отделяется наибольшая часть жидкости. Дугообразная проволока предотвращает попадание жидкости на продольные опорные ребра сита и уход ее вместе со скопом. На участке с наклоном 35° скорость воды замедляется и начинает накапливаться осадок. Скользя вниз по ситу, осадок уплотняется и на нижнем участке с наклоном 45° движение потока массы фактически останавливается.
В случае забивания сита или образования на проволоке слизи необходимо промывать сито водой под давлением либо паром. Промывку задней поверхности сита проводят после освобождения зажимов, с помощью которых крепится ситочный лист, и поворота его на 180°.





















