Выражение для средних движущих сил процессов передачи тепла
Лекция № 13.
- основное уравнение теплопередачи. Выражаем среднюю движущую силу
через разности температур на концах потоков. Наиболее широко применяется противоток и прямоток.

Выражение для средних движущих сил процессов передачи тепла.
l – длина теплообменной поверхности, а S ее площадь.
Прямоток
– количество тепла, переданное между теплоносителями через бесконечно малую поверхность.

Рекомендуемые материалы
Поделим почленно два вышеперечисленных уравнения и воспользуемся известным правилом пропорций: 
- среднелогарифмическая разность температур - средняя движущая сила процесса переноса тепла при прямотоке.
Для противотока вывод похож и результат
получается такой же.

При противотоке передача тепла наиболее эффективна.
Выпаривание растворов
Выпаривание растворов – процесс концентрирования растворов путем удаления растворителя при кипении. Растворитель чаще всего вода.
Процесс может проводиться в периодическом и непрерывном режиме.
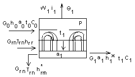
Схема однокорпусного выпарного аппарата с центральной циркуляционной трубой.

W- количество удаленных паров; i- теплосодержание вторичных паров;
-их температура.
Физические основы выпаривания.
Депрессия – разность температур кипения раствора и растворителя. Она растет с ростом концентрации раствора.

Р = 760 мм рт.ст. = 1 атм – стандартное давление; стандартные депрессии табулированы.
Правило Бабо:
Правило служит для определения температур кипения растворов при различных давлениях.
dQ=
(тепловой эффект при растворении соли) – закон Кирхгоффа
При удалении бесконечно малого количества воды из бесконечно разбавленного раствора (
, количество выделяющегося (отводимого) тепла равно 0:
dQ=
Если раствор бесконечно разбавлен, тогда
и:
= const <1 ( правило Бабо)
Правило Бабо:
Для разбавленных растворов отношение давления в аппарате Р к давлению паров растворителя при температуре кипения раствора
постоянно.


- для концентрированных растворов вводят поправку Статникова.
и Р.
Если тепло при растворении соли выделяется, то +
, если поглощается, то
–
.
Расчет однокорпусного выпарного аппарата периодического действия.
Выпарной аппарат считаем ячейкой идеального смешения, если в него попадает поток, то он приобретает те же параметры, что и на выходе.
- Составляем математический баланс
- Составляем тепловой баланс
- Определяем поверхность теплообмена
· Материальный баланс по потоку:

· Тепловой баланс.
На стадии нагревания раствора:

S
На стадии выпаривания:

- интеграл берем численно – графически.

Расчет выпарного аппарата непрерывного действия
- Тепловой и материальный балансы те же
![]()
Способы утилизации вторичного пара
- Экстра - пар – это тот вторичный пар, который отправляется внешнему потребителю.
- Использование барометрического конденсатора смешения, создающего вакуум в выпарном аппарате.
Расчет барометрического конденсатора смешения

=
- определяем по паровым таблицам.





- принимаем
- эмпирическая формула

- эмпирическая формула



газа,
- определяем по паровым таблицам по
, ибо пар и газ находятся в одном объеме.


задаемся 
высота, на которую поднимется вода в барометрической трубе,

Это называется тепловым насосом


и определяем мощность, затраченную на сжатие.

,
- подача дополнительного греющего пара:
Рекомендация для Вас - 3 Назначение МПЦ Ebilock-950.

. Отсюда находим 

Из рисунка ясно, что 




























