Расчёты в трёхфазных цепях
3.7. Расчёты в трёхфазных цепях
Пример 3.2.1
Дано: Uсети=380/220 В
Требуется: Выразить линейные и фазные напряжения сети комплексными числами.
Решение:
Изобразим систему линейных и фазных напряжений сети ( рис. 3.7.1 ) так, чтобы все шесть векторов исходили из одной точки. Масштаб векторов не указываем. Взаимная связь векторов по уравнениям (3.2.1.) и (3.2.2.) сохраняется. Поворачиваем оси комплексной плоскости так, чтобы вектор фазного напряжения UA располагался по действительной оси. Координаты
Рис 3.7.1 расположения каждого из векторов в комплексной плоскости являются их выражениями комплексными числами:


Рекомендуемые материалы

Пример 3.4.1
Дано: Схема электрических цепей, подключенных к трехфазной сети 380/220 В. R=12 Ом, XC=5 Ом.
Требуется: Рассчитать токи, построить векторную диаграмму напряжений сети и токов. 
Решение:
В схеме фазы потребителя подключены к линейным напряжениям сети. Это соединение треугольником. Нагрузка симметричная. Назначаем положительные направления токов, как указано на схеме. Расчет выполняется по уравнениям (3.4.1), (3.4.2), (3.4.3).
,
, 
, 
, 
При построении векторной диаграммы указываем векторы линейных напряжений сети и токи согласно уравнениям расчета.
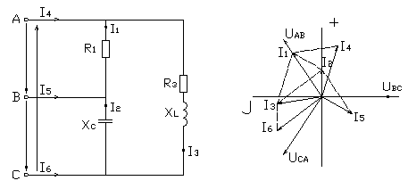
Пример 3.4.2
Дано: Схема электрических цепей, подключенных к трехфазной сети 380/220 В, R1=20 Ом, XC=40 Ом, R3=10 Ом, XL=10 Ом.
Требуется: Рассчитать токи, построить векторную диаграмму напряжений сети и токов.
Решение:
Фазы потребителя соединены треугольником, нагрузка несимметричная. Назначаем положительные направления токов. Для расчета токов применяем символический метод.



Уравнения:






Пример 3.5.1
Дано: Четыре резистивных потребителя - нагревательные приборы, имеющие номинальные данные Uном=220 В, Pном,=600 Вт, подключены к трехфазной сети 380/220 В как указано на схеме.
Требуется: Определить токи, построить векторную диаграмму.
Решение:
Резисторы R1, R2 и параллельно соединенные R3 и R4 образуют соединение звездой. Нагрузка несимметричная.
Назначаем положительные направления токов, как указано на схеме.
Вычисляем величины сопротивлений:




На основе уравнений (3.5.1) вычисляем токи:



Наносим векторы токов на векторной диаграмме напряжений.
На основе уравнения (3.5.2) из векторных построений находим I4=2.73А.
Пример 3.5.2
Дано: Схема электрических цепей, подключенных к трехфазной сети 380/220 В. R=XL=XC=20 Ом.
Требуется: Определить напряжения UKM и UKS
Решение:
Для определения UKM выбираем вариант расчета с помощью графических построений векторов.
Векторы линейных и фазовых напряжений сети строим так, чтобы на диаграмме оказались точки с потенциалами точек схемы A, B, C, N. Взаимная связь векторов по уравнениям (3.2.1) и (3.2.2) сохраняется. Назначаем положительные направления токов как указано на схеме. Определяем токи I1 и I3 согласно уравнениям (3.4.1) и (3.5.1).






Изображаем на векторной диаграмме напряжений найденные токи как векторы.
Вычисляем напряжения: UAK=I1R1=268.8 В, UKB=I1XC1=268.8 В, UAM=I3XL3=155.6 В, UMN=I3R3=155.6 В. Изображаем на векторной диаграмме соответствующие векторы. В треугольнике KAM угол A 300. По теореме косинусов вычисляем UKM:

Для вычисления UKS выбираем символический метод.




Уравнения:


,

Пример 3.6.1
Дано: Схема электрических цепей, подключённых к трёхфазной сети 380/220 В.
R1=10 Ом, R2=20 Ом, XL1=40 Ом, XС2=30 Ом, XС3=5 Ом.
Требуется: Рассчитать баланс активной и реактивной мощности.
Решение:
Фазы потребителя соединены звездой. Нагрузка несимметрич- ная. Назначаем положительные направления токов, как указано на схеме. Рассчитываем токи по уравнениям (3.5.1) символическим методом.



Расчёт токов:
,

,

,

, 
Расчёт мощности источников по уравнению (3.6.1):


Рекомендация для Вас - Статус детской практической психологии в современном обществе.
Расчёт мощности потребителей по уравнениям (3.6.2):
, 

, 

Баланс мощности сходится.






















