Основные понятия об электрической цепи
function UpdateIt(){ if (document.all){ document.all["MainTable"].style.top = document.body.scrollTop; setTimeout("UpdateIt()", 100); } } UpdateIt(); Глава 1.
Электрические цепи постоянного тока.
1.1.Основные понятия об электрической цепи.
Электрической цепью называют совокупность гальванически соединенных друг с другом источников электрической энергии и ее потребителей (нагрузок), в которых может возникать электрический ток. С помощью источников тот или иной вид энергии (энергия сжигаемого топлива, падающей воды, атомная и химическая энергия и т.д.) преобразуется в электрическую энергию.
"Основные элементы резервуаров" - тут тоже много полезного для Вас.
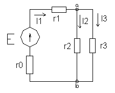
Рис 1.2
Приемники, наоборот, преобразуют электрическую энергию в другие ее виды (механическую, тепловую, химическую, энергию светового излучения и т.д.).
Графическое изображение электрической цепи с помощью условных обозначений ее элементов называется электрической схемой цепи.
Электрические цепи подразделяются на разветвленные и неразветвленные. Простейшая неразветвленная цепь представлена на рис. 1.1. Во всех элементах неразветвленной цепи действует один и тот же ток. Разветвленная цепь (рис. 1.2) имеет в своем составе ветви, узлы, контуры. Ветвь - это участок цепи, состоящий из последовательно соединенных элементов и заключенный между двумя узлами. В каждой ветви существует свой ток.
Узел - это точка в электрической схеме цепи, где гальванически соединяются не менее трех ветвей. Любой замкнутый путь на схеме называется контуром. Независимым называется контур, содержащий хотя бы одну ветвь, не включенную в иной контур.
Пример разветвленной электрической цепи приведен на рис. 1.2. В схеме два узла обозначенные буквами «а» и «b», три ветви, расположенные между узлами и два независимых контура.





















