Системы сбора нефти на промыслах
Лекция №4
Системы сбора нефти на промыслах
Основные задачи, рассматриваемые в проектах обустройства нефтяного месторождения включают:
1 обеспечение сбора и подготовки запланированного количества нефти и газа к дальнейшему транспорту;
2 совместный сбор и транспортировка по выкидным линиям, идущей от каждой скважины, нефти, газа и воды до установок сбора нефти;
3 измерение количества нефти, газа и воды по каждой в отдельности скважине;
4 совместная или раздельная транспортировка обводненной или необводненной нефти по сборным коллекторам от установки сбора до установки подготовки нефти;
5 подготовка нефти, газа и пластовой воды до товарных кондиций и передача нефти и газа в магистральную сеть или товарнотранспорной организации для дальнейшей реализации.
Рекомендуемые материалы
Из товарной нефти на нефтеперерабатывающем заводе получают бензин, керосин, дизельное топливо, масла и др. Из нефтяного газа на газоперерабатывающем заводе производят в основном сжиженные газы и бензин, а пластовая вода, добытая вместе с нефтью из недр, транспортируется к нагнетательным скважинам того же или соседнего месторождения для закачивания в пласт с целью поддержания давления.
Сбор нефти, газа и воды осуществляется системой нефтегазопроводов, по которым эти продукты транспортируются от скважин до установок сбора, и от установок сбора до установок подготовки.
Под технологическими установками подготовки нефти, газа и воды понимается комплекс оборудования и аппаратов, в которых непрерывно и последовательно осуществляется физико-химические процессы разрушения эмульсий, завершающие получением товарных продуктов, т.е. чистой нефти, чистой пластовой воды и очищенного и осушенного газа.
В настоящее время известны следующие способы промыслового сбора: самотечная двухтрубная, высоконапорная однотрубная и напорная герметизированные.
Существует несколько разновидностей герметизированных систем сбора нефтегазовых смесей:
- системы сбора зависящие от величины и конфигурации нефтяного месторождения;
- системы сбора зависящие от рельефа местности;
- системы сбора, зависящие от физико-химических свойств нефти и нефтяных эмульсий, а также климатических условий данного месторождения;
- системы сбора нефти, газа и воды, применяемые на морских месторождениях.
При самотечной двухтрубной системе сбора нефти (рисунок 1) продукция скважин сначала разделяется при давлении 0,6 МПа. Выделившийся при этом газ под собственным давлением транспортируется до компрессорной станции или сразу на газоперерабатывающий завод (ГПЗ), если он расположен поблизости. Жидкая фаза направляется на вторую ступень сепарации. Выделившийся здесь газ используют на собственные нужды. Нефть с водой самотеком за счет разности геодезических высот поступает в резервуары участкового сборного пункта (УСП), откуда подается насосом в резервуары центрального сборного пункта (ЦСП).

1 – скважины, 2 – сепаратор І cтупени, 3 – регулятор давления, 4 – газопровод, 5 - сепаратор ІІ cтупени, 6 – резервуары, 7 – насос, 8 – нефтепровод, УСП – участковый газосборный пункт, ЦСП – центральный газосборный пункт, УКПН – установка комплексной подготовки нефти
Рисунок 1 Принципиальная схема самотечной двухтрубной системы сбора
За счет самотечного движения жидкости уменьшаются затраты электроэнергии на ее транспорт. Однако данная система сбора нефти имеет ряд существенных недостатков:
- при увеличении дебита скважин или вязкости жидкости (за счет увеличения обводненности скважин, например) система требует реконструкции;
- для предотвращения образования газовых скоплений (мешков) в трубопроводах требуется глубокая дегазация нефти;
- из-за низких скоростей движения возможно запарафинирование трубопроводов, приводящее к снижению их пропускной способности;
- из-за негерметичности резервуаров и трудностей с использованием газа ІІ cтупени сепарации потери углеводородов при данной системе сбора достигают 2-3% от общей добычи нефти.
По этим причинам самотечная двухтрубная система сбора нефти в настоящее время существует только на «старых» промыслах.
Высоконапорная однотрубная система сбора (рис. 2) предложена в Грозненском нефтяном институте (РФ). Ее отличительной особенностью является совместный транспорт продукции скважин на расстояние в несколько десятков километров за счет высоких (до 7 МПа) устьевых (рабочих) давлений.

1 – скважины, 2 – нефтегазопровод, 3 – сепаратор І cтупени, 4 - сепаратор ІІ cтупени, 5 – регулятор давления, 6 - резервуары
Рисунок 2 Принципиальная схема высоконапорной однотрубной системы сбора
Применение высоконапорной однотрубной системы позволяет отказаться от сооружения участковых сборных пунктов и перенести операции по сепарации нефти на ЦСП. Благодаря этому достигается максимальная концентрация технологического оборудования, укрупнение и централизация сборных пунктов, сокращается металлоемкость нефтегазосборной сети, исключается необходимость строительства насосных и компрессорных станций на территории промысла, обеспечивается возможность утилизации попутного нефтяного газа с самого начала разработки месторождения.
Недостатком системы является то, что из-за высокого содержания газа в смеси (до 90% по объему) в нефтегазосборном трубопроводе имеют место значительные пульсации давления и массового расхода жидкости и газа. Это нарушает устойчивость трубопроводов, вызывает их разрушение из-за большого числа циклов нагрузки и разгрузки металла труб, отрицательно влияет на работу сепараторов и контрольно-измерительной аппаратуры.
Высоконапорная однотрубная система сбора может применяться только на месторождениях с высокими пластовыми давлениями.
Напорная система сбора (рисунок 3), разработанная институтом Гипровостокнефть, предусматривает однотрубный транспорт нефти и газа на участковые сепарационные установки, расположенные на расстоянии до 7 км от скважины, и транспорт газонасыщенных нефтей в однофазном состоянии до ЦСП на расстояние 100 км и более.

1 – скважины, 2 – сепаратор І cтупени, 3 – регулятор давления, 4 – газопровод, 5 –насосы, 6 – нефтепровод, 7 - сепаратор ІІ cтупени, 8 – резервуар, ДНС – дожиманая насосная станция
Рисунок 3 – Принципиальная схема напорной системы сбора
Продукция скважин подается сначала на площадку дожимной насосной станции (ДНС), где при давлении 0,6-0,8 МПа в сепараторах І cтупени происходит отделение части газа, транспортируемого затем на ГПЗ бескомпрессорным способом. Затем нефть с оставшимся растворенным газом центробежными насосами перекачивается на площадку центрального пункта сбора, где в сепараторах ІІ cтупени происходит окончательное отделение газа. Выделившийся здесь газ после подготовки компрессорами подается на ГПЗ, а дегазированная нефть самотеком (высота установки сепараторов ІІ cтупени – 10-12 метров) в сырьевые резервуары.
Применение напорной системы сбора позволяет:
- сконцентрировать на ЦСП оборудование по подготовке нефти, газа и воды для группы промыслов, расположенных в радиусе 100 км;
- применять для этих целей более высокопроизводительное оборудование, уменьшить металлозатраты, капитальные вложения и эксплуатационные расходы;
- снизить капиталовложения и металлоемкость системы сбора благодаря отказу от строительства на территории промысла компрессорных станций и газопровода для транспортировки нефтяного газа низкого давления;
- увеличить пропускную способность нефтепроводов и уменьшить затраты мощности на перекачку вследствие уменьшения вязкости нефти, содержащей растворенный газ.
Недостатком напорной системы сбора являются большие эксплуатационные расходы на совместное транспортирование нефти и воды от месторождений до ЦСП и, соответственно, большой расход энергии и труб на сооружение системы обратного транспортирования очищенной пластовой воды до месторождения для ее использования в системе поддержания пластового давления.
В настоящее время в развитых нефтегазодобывающих регионах мира применяют модернизированные системы сбора, лишенные вышеперечисленных недостатков.
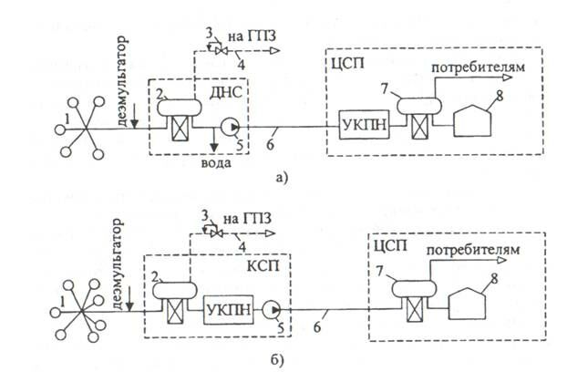
Система, изображенная на рисунке 4, отличается от традиционной напорной тем, что перед сепаратором І cтупени в поток вводят реагент деэмульгатор, разрушающий нефтяную эмульсию. Это позволяет отделить основное количество воды от продукции скважин на ДНС. На центральном же сборном пункте установка комплексной подготовки нефти расположена перед сепаратором ІІ ступени. Это связано с тем, что нефть, содержащая растворенный газ, имеет меньшую вязкость, что обеспечивает более полное отделение воды от нее.
Особенностью схемы 4-б является то, что установка комплексной подготовки нефти перенесена ближе к скважинами. ДНС, на которой размещена УКПН, называется комплексным сборным пунктом КПС. Схему применяют при большом числе эксплуатационных скважин.

Рисунок 4 – Принципиальные схемы современных систем сбора газа:
а) с подготовкой нефти в газонасыщенном состоянии на ЦСП;
б) с подготовкой нефти в газонасыщенном состоянии на КСП.
Герметизированные системы сбора нефти, применяемые на морских месторождениях. Для бурения скважин, сбора и подготовки нефти, газа и воды к транспортированию на площадях морских месторождений из отработанных труб строят морские платформы с надводными эстакадами и приплатформенными площадками. С платформ бурят скважины, а эстакады, соединяющие эти площадки платформы, служат основанием для строительства дорог, по которым движется транспорт, а также обслуживающий персонал платформ. В зависимости от назначения морские платформы и площадки могут предназначаться:
- для одной скважины (индивидуальные);
- для группы скважин (кустовые).
При разработке морских месторождений с целью экономии средств на сооружение площадок применяют в основном многоствольное наклонно-направленное бурение скважин.
Сущность разработки и эксплуатации морских месторождений платформенным способом заключается в том, что на разведанной залежи, по заранее составленному (комплексному) проекту сооружают металлические или железобетонные платформы с прилегающими к ним приплатформенными площадками для бурения и эксплуатации скважин, сбора и подготовки нефти, газа и воды, а также для других производственных, административных и культурно-бытовых объектов.
Платформы бывают двух типов:
- прибрежные, расположенные вблизи от берега и имеющие с ним надводную связь;
- открытые морские платформы, расположенные вдали от берега и не имеющие с ним надводной связи.
Для прибрежных морских месторождений система сбора нефти газа и воды весьма проста и заключается в подаче их по выкидным линиям, проложенным по платформе, на автоматизированные установки сбора нефти, расположенные на суше. От установки сбора нефть, газ и вода по одному или двум сборным коллекторам транспортируются на установку комплексной подготовки нефти.
На рисунке5 приведена герметизированная система сбора нефти, газа и воды для прибрежных морских месторождений, а на рисунке 6 – для морских месторождений, расположенных вдали от берега.

1 – эксплуатационные скважины, 2 – выкидные линии, 3 – установка сбора нефти, 4 – сборный коллектор, 5 – установка подготовки воды, 6 – установка подготовки нефти, 7 – установка замера товарного продукта, 8 – кустовая насосная станция, 9 – нагнетательные скважины, 10 – коллектор товарной нефти, 11 – парк товарных резервуаров, 12 – головная насосная станция, 13 – магистральный нефтепровод, 14 – сборный газопровод, 15 – газоперерабатывающий завод
Рисунок 5 – Герметизированная система сбора нефти, газа и воды на морских месторождениях, расположенных вблизи от берега

1 – эксплуатационные скважины, 2 – короткие выкидные линии, 3- автоматизированное устройство понижения устьевого давления, 4 – сборные коллекторы, 5 – сырьевые резервуары, 6 – сырьевой насос, 7 – ДКС, 8 – газопроводы, 9 – подводный газопровод, 10 – сборный нефтепровод, 11 – установка подготовки нефти, 12 – автоматизированная установка замера товарной нефти, 13 – установка подготовки воды, 14 – кустовая насосная станция, 15 – нефтепровод товарной нефти, 16 – резервуары товарной нефти, 17 – насосы головной насосной станции, 18 – сборный нефтепровод, 19 – нагнетательные скважины
Рисунок 6 – Герметизированная система сбора нефти, газа и воды на морских месторождениях, расположенных вдали от берега
Морские месторождения разбуриваются наклонными скважинами с приплатформенных площадок. Число скважин на площадке (кусте) может меняться от 4 до 6.
На прибрежных морских месторождениях расположение нефтепроводов, оборудование и установок практически не отличается от схем сбора нефти на побережье.
Сбор нефти газа и воды на морских месторождениях, удаленных от берега, проводится следующим образом (см. рис. 6). Нефтегазовая смесь из скважин 1 под собственным давлением подается в короткие выкидные линии 2, из которых направляется в автоматизированное устройство, понижающее устьевое давление 3. Из устройства нефть и вода по сборным коллекторам 4, проложенным по дну моря, поступают на нефтесборный пункт в сырьевые резервуары 5. Из сырьевых резервуаров нефть и вода могут транспортироваться на сушу или при помощи нефтеналивных судов, или с помощью нагнетания сырьевым насосом 6 по сборному нефтепроводу 10 на установку подготовки нефти 11. На установке подготовки нефти нефть отделяется от воды и газа, воду направляют на установку подготовки воды 13, а газ – на собственные нужды. С установки подготовки воды 13 вода поступает на кустовую насосную станцию 14, откуда центробежными насосами высокого давления подается в нагнетательные скважины 19. Товарная нефть, обезвоженная и обессоленная на установке подготовки 11, через автоматизированную установку замера товарной нефти 12 по нефтепроводу 15 подается в товарные резервуары 16. Из резервуаров нефть забирается насосами головной насосной станции 17 и по нефтепроводу 18, проложенному по морскому дну, подается на нефтеперерабатывающий завод на суше.
Газ из сепараторов, установленных на приплатформенных площадках, идет на ДКС 7, затем по подводному газопроводу 9 также подается на сушу.
В начальной стадии разработки морского нефтяного месторождения, когда нефть практически не обводнена, экономически выгодно транспортировать ее на сушу из сырьевых резервуаров 5 при помощи нефтеналивных судов. На конечной стадии разработки таких месторождений, когда вместе с нефтью на поверхность извлекается значительное количество пластовой воды, нефть необходимо обезводить и обессолить непосредственно на месторождении, а очищенную от нефти воду закачать в нагнетательные или специально-пробуренные поглощающие скважины для сокращения влияния на окружающую среду.
Преимущества и недостатки герметизированных систем сбора нефти, газа и вода приведены в таблице 1.
Таблица 1 – Характеристика герметизированных систем
| Преимущества | Недостатки | |
| 1 Полное устранение потерь легких фракций нефти, величина которых достигает 3% общего объема добычи нефти в негерметизированной системе | 1 Невысокая точность замеров объемов добычи по каждой отдельной скважине | |
| 2 Значительное уменьшение вероятности образования и отложения парафина на стенках труб. | 2 Утечка жидкости в зазоре между плунжером и цилиндром насоса при глубинно-насосной эксплуатации скважин | |
| Бесплатная лекция: "Ковыльная болезнь" также доступна. 3 Снижение металлоемкости системы | 3 Преждевременное прекращение фонтанирования скважин при поддержании высокого давления на устье | |
| 4 Сокращение эксплуатационных расходов | 4 При бескомпрессорном и компрессорном способах добычи нефти – необходимость увеличения подачи газа в затрубное пространство (на 20-40%) для подъема одного и того же количества нефти при поддержке устьевого давления | |
| 5 Возможность полной автоматизации процесса (от сбора до контроля качества продукции) | ||
| 6 Возможность использования для транспортировки нефти и газа потенциальной энергии пласта (устьевого давления) |























