Резонанс напряжений и токов в разветвленных цепях
2.12. Резонанс напряжений и токов в разветвленных цепях.
Мы рассмотрели резонанс в последовательном и параллельном контурах с идеальными элементами L и C. Рассмотрим другие более сложные примеры. Для цепи рис. 2.22 запишем условие резонанса, определим резонансную частоту и ток в цепи.

Входные сопротивления цепи:

Выделим действительные и мнимые части сопротивлений:

Компенсация реактивных сопротивлений произойдет на частоте
:

Рекомендуемые материалы
Входное сопротивление при резонансе минимально и равно:

Входной ток при резонансе максимален и равен 

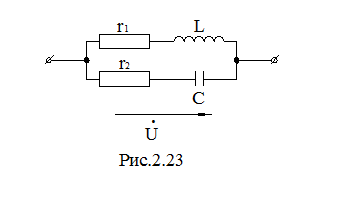
Для цепи, приведенной на рис. 2.23, возможен резонанс токов. Запишем входную проводимость цепи

Выделим действительные и мнимые части проводимостей:

Условие резонанса:

Входной ток:

В разветвленных цепях с L и C возможны несколько резонансов. Так в цепи рис. 2.24 возможны и резонанс токов в ветвях L , C и резонанс напряжений для всей цепи.

Пример.
Цепь, рис 2.25 настроена в резонанс. Определить
и
, если задано:
,
,
,
.
Решение:
Входное сопротивление цепи равно:
Обратите внимание на лекцию "Часть 81".

Условие резонанса напряжений:

Решая квадратное уравнение относительно
, получим 
Ток при резонансе равен:

























