Трехпроводная цепь
ЛЕКЦИЯ 9
Трехпроводная цепь (продолжение)
Соединение фаз приемника треугольником
Один из основных способов заметного изменения мощности при отключенной нагрузке – переключение схемы соединения источника и приемника со звезды на треугольник и наоборот.
При включении начала одной фазы с концом другой с образованием замкнутого контура получают соединение треугольником.

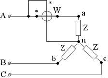
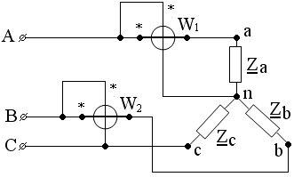
Рис 1
Соединяют треугольником фазы приемника, т.е. три фазы приемника включены между линейными проводами рис 1.
Фазные напряжения приемника равны соответствующим линейным напряжениям источника питания:
Рекомендуемые материалы

т.е.
фазные токи:

Положительное направление фазных напряжений
,
и
совпадает с положительным направлением фазных токов.
При соединении треугольником приемника получается замкнутый контур, поэтому:
Uл = Uф
Фазные напряжения определяются как линейные генератора:
;
; 
Определение фазных и линейных токов
Токи в фазах определяются по закону Ома:

или
.
Линейные токи определяются по фазным токам по первому закону Кирхгофа:

Линейные токи равны векторной разности фазных токов тех фаз, которые соединены с данным линейным проводом.
независимо от характера нагрузки сумма линейных токов всегда равна 0.
При изменении одной из фаз режим работы других фаз остается неизменным, т.к. линейное напряжение генератора остается постоянным. Соединение треугольником используется для несимметричной нагрузки.
Векторная диаграмма токов:

Мощности трехфазных цепей
Мгновенная мощность трехфазного источника электрической энергии:
p = pA + pB + pC = uAiA + uBiB + uCiC
Среднее за период значение мощности, т.е. мощность генератора, равна сумме активных мощностей отдельных фаз.

Активная мощность любой из фаз:

P = Pa + Pb + Pc
Реактивная мощность равна алгебраической сумме реактивных мощностей отдельных фаз:
Q = Qa + Qb + Qc
Модуль полной мощности:
, S = P + jQ
Мощность трехфазной цепи при симметричной нагрузке
Активная мощность симметричного трехфазного приемника:
,
Реактивная:
.
Удобнее мощности выражать через линейные Uл и Iл.
При симметричной нагрузке мощности фаз одинаковы, поэтому:
P = 3Pф = 3UфIфcosφф
Q = 3Qф = 3UфIфsinφф
S = 3Sф = 3UфIф
:
, Iф = Iл
тогда
Q = √3UлIлsinφф
Δ: Uф = Uл , Iл = Iф√3

Q = √3Uл Iл sinφф; S = √3∙UлIл
Вывод: при симметричной нагрузке формулы мощности независимо от схемы соединения приемников одинаковы.
Мощность трехфазной цепи при несимметричной нагрузке
Трехфазная цепь это совокупность трех однофазных цепей, поэтому активная и реактивная мощности трехфазной цепи равны сумме отдельных фаз.
Активная мощность:
P
= Pa + Pb + Pc 
PΔ = Pab + Pbc + Pca Δ
Рассчитываются активные мощности:

Реактивные мощности:
Q
= Qa + Qb + Qc 
QΔ = Qab + Qbc + Qca Δ
Модуль полной мощности трехфазной цепи:
, но модули полнеых мощностей суммировать нельзя

Полная мощность может быть определена только в комплексной форме.
: S = P + jQ = Sa + Sb + Sc =
= (Pa + Pb + Pc) + j(Qa + Qb + Qc)
При соединении треугольником получаем соответственно так же.
Измерения в трехфазных переменных цепях
Для измерения мощности в трехфазной цепи с симметричной нагрузкой используют двух- или трех элементные ваттметры, причем:
для определения активной мощности P применяют схему включения:

для определения реактивной мощности Q:

Суммарные мощности вычисляют
P = 3Pф = 3UфIф cosφ, где Pф – показание ваттметра.
В случае измерения суммарной мощности в трехфазной цепи с несимметричной нагрузкой, используют не менее двух ваттметров и результат вычисляют по формулам:
P = P1 + P2
Q =
(P1 – P2), где P1 и P2 – показания ваттметров.

Аварийные режимы
Звезда: обрыв фазы А в трехфазной трехпроводной симметричной системе
Ya = 0





Фазные напряжения
![]() |
Токи в фазах приемника:
![]() | |||||
![]() | |||||
![]() | |||||
Векторная диаграмма

Короткое замыкание
В трехфазной симметричной системе произошло короткое замыкание фазы А приемника. При коротком замыкании фазы А сопротивление фазы Za= 0, UnN = Ua
|
| Напряжение на фазах приемника
Векторная диаграмма |


Токи в фазах В и С:
Ток фазы А находится по первому закону Кирхгофа.
Для узла n: 
Обрыв линейного провода
В симметричном трёхфазном приёмнике оборвался линейный провод А
Если Вам понравилась эта лекция, то понравится и эта - 11. Коммуникации.

Сопротивление фазы ВС включено на полное линейное напряжение генератора, а равные сопротивления фаз Zaв = Zca включены последовательно и к каждому из них подведена половина напряжения Uвc
![]() |
Ток фазы ВС не изменяется
Фазные и линейные токи при IA=0
![]() |




























