Качество электрической энергии
ЛЕКЦИЯ № 2
Качество электрической энергии.
Цель лекции:
· определение показателей качества электроэнергии,
· определение влияния на работу электрооборудования при ухудшении качества электроэнергии,
Рекомендуемые материалы
· определение количественной оценки ухудшения различных показателей качества электроэнергии,
· разработка мероприятий для устранения ухудшения качества электроэнергии.
1. Показатели качества.
Электрооборудование и потребители электрической энергии могут развивать номинальную мощность и иметь максимальный коэффициент полезного действия только при определённых параметрах подводимого напряжения, частоты питающего тока и других показателях. Однако, подводимое к приёмникам напряжение может существенно отличаться от требуемого. Так же может изменяться частота питающего тока. Эти отклонения могут негативно влиять на работу оборудования и приёмников электроэнергии, а в некоторых случаях даже могут выйти из строя.
Причины, вызывающие отклонения параметров сети от номинальных значений могут быть разнообразными: непрерывное изменение нагрузки потребителей, плановые коммутации и изменения конфигурации сети, аварии.
К показателям качества электрической энергии относят:
1. отклонение напряжения от номинального;
2. несимметрия фазных напряжений для трёхфазной сети;
3. пульсации напряжения для установок постоянного тока;
4. отклонение частоты от номинальной;
5. несинусоидальность формы кривой напряжения.
2. Отклонение напряжения.
Отличие напряжения, подведённого к зажимам электроприёмников от номинального значения является одним из основных показателях качества и имеет место быть весьма часто. В процессе нормальной эксплуатации заводской сети возникают плавные отклонения напряжения от номинального, либо резкие, обычно кратковременные, колебания напряжения. Здесь мы не рассматриваем значительные отклонения и колебания напряжения от номинальных, способных вызвать электрический пробой изоляции оборудования, поскольку такое повреждение тема отдельного раздела и ведёт к несоизмеримо высоким экономическим потерям.
Отклонения напряжения V – разность между его фактическим значением U и номинальным напряжением сети Uном, возникают при изменении напряжения меньше 1% в секунду. Отклонения напряжения удобнее выражать в относительных единицах:
(2.1)
Отклонения напряжения допускаются:
· -2,5 - +5 % для приборов рабочего освещения, а также прожекторов;
· -5 - +10 % для электродвигателей и аппаратов для их пуска;
· -5 - +5 % для остального оборудования.
На предприятиях наиболее распространёнными приёмниками являются асинхронные двигатели для привода различных устройств. При изменении напряжения сети по сравнению с номинальным, активная мощность на валу двигателя остаётся постоянной, но изменяются потери активной мощности в нём. Реактивная мощность при этом существенно меняется, что сокращает срок службы электродвигателя.
Предприятия несут дополнительные расходы (читай убытки) как из-за снижения производительности оборудования (особенно на поточных установках), так и из-за преждевременного выхода из строя электродвигателей. Значительное сокращение срока службы двигателей наблюдается при снижении напряжения при неизменном моменте на валу, чем при повышении напряжения.
Ещё большее влияние на производственные технологические процессы оказывает отклонение напряжения в установках для электротермических процессов. При уменьшении напряжения значительно уменьшается производительность электрических печей, что приводит к увеличению продолжительности технологических процессов нагрева, а также к браку выпускаемой продукции.
Гораздо меньшее влияние отклонения напряжения оказывает на работу ПЭВМ и другое микропроцессорное оборудование, поскольку в современных устройствах предусмотрены аппаратные меры для нейтрализации влияния отклонения напряжения.
Основными факторами, определяющими качество напряжения в системах электроснабжения, являются: нарушение баланса реактивной мощности у потребителя, режим регулирования напряжения у источника питания, наличие однофазных нагрузок большой мощности и. т. д. Исходя из этого, основными мероприятиями для уменьшения отклонения напряжения являются:
· выбор рациональных напряжений внутризаводской сети;
· компенсация реактивной мощности нагрузок потребителя;
· внедрение устройств регулирования напряжения.
Колебания напряжения характеризуются размахом изменения напряжения. Это относительная разность между максимальным Umax и минимальным Umin действующим значением напряжения при относительно быстром изменении напряжения, не менее 1 % в секунду:
(2.2)
Колебания напряжения вызываются режимами технологических установок – пусками электродвигателей, работой сварочных агрегатов, выпрямительных установок и др.
Колебания напряжения особенно негативно сказываются на работе осветительных установок. При этом наблюдаются мигания ламп - фликер, резкие изменения светового потока, которые отрицательно сказываются на зрение персонала, приводят к быстрой утомляемости и снижению производительности труда.
При колебаниях напряжения в сварочных цехах наблюдается снижение качества сварного шва из-за нестабильности дуги. На других установках при колебаниях напряжения более 20% наблюдались отключения магнитных пускателей работающих электродвигателей.
Уменьшить колебания напряжения можно за счёт снижения сопротивления питающей сети, применения продольной компенсации, приближение приёмников с резкопеременной нагрузкой к источникам питания, приближение либо выделение на отдельные линии и питающие трансформаторы потребителей не допускающих толчков напряжения к источникам питания, использование автоматического регулирования возбуждения мощных синхронных двигателей, работающих в режиме перевозбуждения для уменьшения набросов реактивной мощности.
Несимметрия напряжений - несимметрия трёхфазной системы напряжений.
Причиной появления несимметрии являются как нормальные режимы работы оборудования, например при мощной однофазной нагрузке, так и в аварийные режимы, например, обрыв фазы.
В системах электроснабжения различают кратковременные и длительные несимметричные режимы. Кратковременные несимметричные режимы, обычно, связаны с аварийными процессами, а длительные несимметричные режимы могут быть вызваны как аварийными процессами, так и подключением мощных однофазных нагрузок.
Несимметрия напряжений и токов, вызванная подключением однофазных и многофазных приёмников называется поперечной. Такая несимметрия возникает также и при различных активных и реактивных сопротивлений отдельных фаз некоторых приёмников.
Несимметрия напряжений происходит только в трёхфазной сети под воздействием неравномерного распределения нагрузок по её фазам.
Источниками несимметрии напряжений являются: дуговые сталеплавильные печи, тяговые подстанции переменного тока, электросварочные машины, однофазные электротермические установки и другие однофазные, двухфазные и несимметричные трёхфазные потребители электроэнергии, в том числе бытовые.
Несимметрия междуфазных напряжений вызывается наличием составляющих обратной последовательности, а несимметрия фазных – ещё и наличием составляющих нулевой последовательности.
Для оценки несимметрии напряжения используется коэффициент несимметрии напряжения Кнсм, U, который определяется:
, (2.3)
Коэффициент несимметрии токов Кнсм, I определяется подобным образом:
(2.4)
Так суммарная нагрузка отдельных предприятий содержит 85...90 % несимметричной нагрузки. А коэффициент несимметрии напряжения по нулевой последовательности (K0U) одного 9-и этажного жилого дома может составлять 20 %, что на шинах трансформаторной подстанции (точке общего присоединения) может превысить нормально допустимые 2 %.
Влияние несимметрии напряжений на работу электрооборудования.
Возрастают потери электроэнергии в сетях от дополнительных потерь в нулевом проводе.
Однофазные, двухфазные потребители и разные фазы трёхфазных потребителей электроэнергии работают на различных не номинальных напряжениях, что вызывает те же последствия, как при отклонении напряжения.
В электродвигателях, кроме отрицательного влияния несимметричных напряжений, возникают магнитные поля, вращающиеся встречно вращению ротора.
Общее влияние несимметрии напряжений на электрические машины, включая трансформаторы, выливается в значительное снижение срока их службы. Например, при длительной работе с коэффициентом несимметрии по обратной последовательности K2U = 2...4 %, срок службы электрической машины снижается на 10...15 %, а если она работает при номинальной нагрузке, срок службы снижается вдвое.
Поэтому, ГОСТ 13109-97 устанавливает значения коэффициентов несимметрии напряжения по обратной (K2U) и нулевой (K0U) последовательностям, - нормально допустимое 2 % и предельно допустимое 4 %.
| В качестве вероятного виновника несимметрии напряжений ГОСТ 13109-97 указывает потребителя с несимметричной нагрузкой. Мероприятия по снижению несимметрии напряжений:· равномерное распределение нагрузки по фазам; · применение симметрирующих устройств (рис. 2.1). В некоторых случаях получается снизить несимметрию напряжений рациональным пофазным распределением нагрузки. Это бывает возможным тогда, когда нагрузка представляет достаточное количество соизмеримой мощности приёмников. |
Рис. 2.1 Применение симметрирующих устройств для снижения несимметрии напряжения. |
Иногда, ряд потребителей электроэнергии, например электротермической нагрузки, по условиям технологии находится в работе постоянно. Тогда для мощной однофазной нагрузки можно использовать питающий трансформатор со схемой соединения вторичной обмотки «зигзаг», когда однофазная нагрузка распределена между двух фаз (рис. 2.2). Для такого симметрирования необходимо использовать трансформатор специального исполнения.
![]() |
|
Рис. 2.2 Схема соединения «зигзаг» обмоток трансформатора | Но, даже и эта мера в ряде случаев не позволяет в достаточной мере выровнять напряжения. Тогда необходимо использовать симметрирующие устройства. Симметрирование системы линейных напряжений трёхфазной сети сводится к компенсации тока обратной последовательности, потребляемого однофазными нагрузками и обусловленного им напряжения обратной последовательности. |
Сопротивления в фазах симметрирующего устройства подбираются таким образом, чтобы компенсировать ток обратной последовательности, генерируемый нагрузкой как источником искажения. Симметрирующие устройства изготавливают управляемыми и неуправляемыми, в зависимости от графика нагрузки.
Для симметрирующего устройства, изображённого на рис. 2.1, требуемая мощность конденсаторной батареи С и дросселя L определяется из условия:
, (2.5)
где Р0 – активная мощность однофазно нагрузки.
Компенсация тока обратной последовательности осуществляется с помощью батарей конденсаторов С и дросселя L. Данная схема применяется для симметрирования чисто активной нагрузки.
Управляемые симметрирующие устройства отличаются тем, что значения ёмкости конденсаторных батарей и значение индуктивности дросселя выбираются в зависимости от требований по компенсации отключением и включением параллельно включенных конденсаторов и переключением отпаек дросселя.
Симметрирование двух и трёхфазных несимметричных нагрузок, для симметрирования реактивной составляющей тока, можно осуществить с помощью несимметричной батареи конденсаторов.
Выбор метода симметрирования должен выбираться исходя из экономических соображений, поскольку симметрирующее устройство влечёт за собой дополнительные капиталовложения и эксплуатационные затраты.
3. Отклонение частоты.
Отклонение фактической частоты переменного напряжения fф от номинального значения fном в установившемся режиме работы системы электроснабжения можно оценить как отклонение:
, (2.6)
и как размах колебаний:
. (2.7)
При нормальном режиме работы энергетической системы допускается отклонение частоты, усреднённые за 10 минут в пределах 0,1 Гц, и с размахом колебаний не более 0,2 Гц.
Снижение частоты происходит при дефиците мощности работающих в системе электростанций.
Для устранения этих явлений, необходимо ремонтировать или модернизировать существующие и строить новые электростанции. А пока их нет, активно применяется радикальная мера - автоматическая частотная разгрузка (АЧР), то есть отключение части потребителей при снижении частоты (гильотина - как средство от головной боли). Этот процесс иногда ещё называют веерными отключениями.
Для потребителя важно знать, в какую очередь отключат его оборудование от сети при таком развитии событий (указывается при заключении договора электроснабжения), аргументировано требовать изменения очерёдности или иметь собственные резервные генерирующие мощности.
Поддержание частоты на необходимом уровне осуществляется мощными генераторами энергетических систем. Электроприёмники предприятий из-за их незначительной мощности, по сравнению с суммарной мощностью генерирующей системы не могут оказать какого-либо влияния на отклонение частоты в питающей сети. Однако мощные электроприёмники с резко неравномерной нагрузкой вызывают значительные изменения напряжения в сети, а следовательно, и колебания частоты питающего напряжения.
Активная мощность, потребляемая, например, преобразователями прокатных станов может изменяться от нуля до максимума за 0,1 сек., вследствие чего колебания частоты могут достигать больших значений. Колебания частоты для этого случая:
, (2.8)
где ∆Р – наброс активной нагрузки, Sк – мощность короткого замыкания системы, ∆t – время наброса мощности. Отсюда получаем допустимое значение набросов активной мощности:
. (2.9)
Резкие быстропеременные изменения активной мощности отрицательно сказываются на работе генераторов и турбин электростанций. Они могут вызвать нарушение устойчивости генераторов, поэтому на электростанциях предусматривается частотная разгрузка – отключение потребителей при снижении частоты до 48 Гц.
Повышение частоты происходит при резком сбросе нагрузки в системе электроснабжения, - ситуация аварийная и действие ГОСТ 13109-97 на неё не распространяется, а в установившемся режиме работы сети такое событие весьма редкое.
Следующие явления возникают в любой сети и зачастую являются случайными событиями. ГОСТ 13109-97 не нормирует эти явления, но их статистика по конкретной сети может помочь потребителю принимать решения по обеспечению бесперебойности электроснабжения собственного оборудования тем или иным способом.
4. Несинусоидальность формы кривой напряжения и тока.
Несинусоидальность напряжения - искажение синусоидальной формы кривой напряжения.
Электроприёмники с нелинейной вольтамперной характеристикой потребляют ток, форма кривой которого отличается от синусоидальной. А протекание такого тока по элементам электрической сети создаёт на них падение напряжения, отличное от синусоидального, это и является причиной искажения синусоидальной формы кривой напряжения.
Например, полупроводниковые преобразователи потребляют ток трапециевидной формы, образно говоря - выхватывают из синусоиды кусочки прямоугольной формы.
Источниками несинусоидальности напряжения являются: статические преобразователи, дуговые сталеплавильные и индукционные печи, трансформаторы, синхронные двигатели, сварочные установки, газоразрядные осветительные и бытовые приборы и так далее.
Строго говоря, все потребители, кроме ламп накаливания имеют нелинейную вольтамперную характеристику.
| Несинусоидальные кривые можно рассматривать как сложные гармонические колебания, состоящие из совокупности простых гармонических колебаний различных частот. Функцию, описывающую несинусоидальную кривую напряжения, можно разложить в ряд Фурье синусоидальных (гармонических) составляющих, с частотой в n-раз превышающих частоту сети электроснабжения - частоту первой гармоники (f n=1 = 50 Гц, f n=2 = 100 Гц, f n=3 = 150 Гц ...). | |
В связи с различными особенностями генерации, распространения по сетям и влияния на работу оборудования, различают чётные и нечётные гармонические составляющие, а также составляющие прямой последовательности (1, 4, 7 и т.д.), обратной последовательности (2, 5, 8 и т.д.) и нулевой последовательности (гармоники кратные трём).
С повышением частоты (номера гармонической составляющей) амплитуда гармоники снижается.
ГОСТ 13109-97 требует оценивать весь ряд гармонических составляющих от 2-й до 40-й включительно.
Амплитуды и фазы высших гармоник токов зависят от углов коммутации и регулирования преобразователей. При ориентировочных расчётах можно пренебречь углом коммутации, и оценку высших гармоник приблизительно можно определить как :
. (2.10)
В амплитудных спектрах первичных токов могут присутствовать как канонические гармоники (5, 7, 11…), так и неканонические или анормальные (2, 3, 4, 6, 8…). Основной причиной анормальных гармоник является ассиметрия импульсов управления. Влияние анормальных гармоник на гармонический состав невелико и обычно учитывается с помощью поправочного коэффициента.
Всякую периодическую функцию можно представить тригонометрическим рядом Фурье:
, (2.11)
где А0 – постоянная составляющая, ν – номер гармоники, aν, bν - коэффициенты ряда Фурье.
При ν=1 определяется гармоника, называемая основной. Остальные члены ряда называются высшими гармониками.
Коэффициенты ряда Фурье определяются по формулам:
(2.12)
(2.13)
Амплитуда ν-ой гармоники
, а её начальная фаза
(2.14)
Степень несинусоидальности напряжения сети обычно характеризуют коэффициентом несинусоидальности напряжения, который представляет отношение действующего значения напряжений высших гармоник к напряжению первой гармоники:
, (2.15)
где Uν , U1 – действующие значения напряжений ν-ой и 1-ой гармоник.
Влияние несинусоидальности напряжения на работу электрооборудования.
Искажение формы напряжения отрицательно сказывается на работе многих элементов систем электроснабжения.
Фронты несинусоидального напряжения воздействуют на изоляцию кабельных линий электропередач, - учащаются однофазные короткие замыкания на землю. Аналогично кабелю, пробиваются конденсаторы.
В электрических машинах, включая трансформаторы, возрастают суммарные потери активной мощности. Приблизительную оценку дополнительных потерь мощности можно выполнить по формуле:
, (2.16)
где Rν – активное сопротивление току ν-ой гармоники, Iν – ток ν-ой гармоники.
Так, при коэффициенте искажения синусоидальной формы кривой напряжения KU = 10 % суммарные потери в сетях предприятий, крупных промышленных центров, сетях электрифицированного железнодорожного транспорта могут достигать 10...15 %. Наибольшие дополнительные потери активной мощности возникают в трансформаторах, двигателях и генераторах. Иногда эти дополнительные потери становятся причиной недопустимого перегрева обмоток и выходу оборудования из строя.
Возрастает недоучёт электроэнергии, вследствие тормозящего воздействия на индукционные счётчики гармоник обратной последовательности.
При наличие высших гармоник процессы старения изоляции оборудования протекают более интенсивно. Это объясняется ускорением физико-химических процессов в диэлектриках при высоких частотах.
Неправильно срабатывают устройства управления и защиты.
Выходят из строя компьютеры.
Наличие высших гармоник затрудняет, и даже делает невозможным передачу информацию по силовым сетям (высокочастотная связь).
Ухудшается работа вентильных преобразователей, ухудшая качество выпрямления тока.
Нормативные документы ограничивают несинусоидальность формы кривой напряжения. Эквивалентное действующее значение высших гармоник не должно превышать 5% действующего напряжения основной гармоники на зажимах любого приёмника энергии.
Расчёт высших гармоник может быть произведён:
· аналитическим методом;
· вероятностным методом,
· приближённой оценкой.
Аналитические методы выполняют с помощью ЭВМ для определения несинусоидальности формы кривой напряжения в узлах системы электроснабжения и определения целесообразности применения средств для уменьшения уровней высших гармоник. Однако такие методы требуют большого количества исходных данных и не учитывают возможных изменений параметров и режимов работы электроприёмников. Поэтому, в большинстве случаев используют вероятностные методы расчёта, основанные на экспериментальных данных, снятых с действующего оборудования.
Во многих случаях перед исследователями стоит задача просто оценить приблизительное значение высших гармоник, поэтому существуют приближённые зависимости для оценки высших гармоник. Например, для выпрямителя:
, (2.17)
где Sв, Iв – мощность и ток выпрямителя, Sк – мощность короткого замыкания системы, Iв. ном. – номинальный ток выпрямителя, p – число фаз выпрямления, uк – напряжение короткого замыкания.
Мероприятия по снижению несинусоидальности напряжения.
1. Увеличение числа фаз выпрямления.
Спектральный состав токов вентильных агрегатов определяется числом фаз выпрямления. С увеличением числа фаз форма первичного тока преобразователя приближается к синусоидальной, а количество гармоник уменьшается.
2. Применение оборудования с улучшенными характеристиками:
- "ненасыщающиеся" трансформаторы;
- преобразователи с высокой пульсностью и т.д.
3. Подключение к мощной системе электроснабжения.
4. Питание нелинейной нагрузки от отдельных трансформаторов или секций шин.
5. Питание потребителей, не допускающих несинусоидальности напряжения от отдельных трансформаторов.
6. Снижение сопротивления питающего участка сети.
7. Применение фильтрокомпенсирующих устройств.
L-С цепочка, включенная в сеть, образует колебательный контур, реактивное сопротивление которого для токов определённой частоты равно нулю. Подбором величин L и С фильтр настраивается на частоту гармоники тока и замыкает её не пропуская в сеть. Набор таких контуров, специально настроенных на генерируемые данной нелинейной нагрузкой высшие гармоники тока, и образует фильтрокомпенсирующее устройство, которое не пропускает в сеть гармоники тока и питающее напряжение приближается к синусоиде.
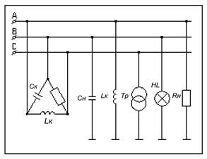
| Номер резонансной гармоники νр может быть вычислен:
Идеальный фильтр полностью потребляет ток гармоники Iν. Однако, из-за наличия активных сопротивлений в реакторе и конденсаторе и неточной их настройки полная фильтрация гармоник практически представляет невыполнимую задачу. |
Рис. 2.4 Схема подключения фильтра высших гармоник |
Одновременно, фильтр является источником реактивной мощности и может служить в качестве одного из средств для компенсации реактивных нагрузок.
Люди также интересуются этой лекцией: 1. Введение.
Существенным недостатком фильтрокомпенсирующих устройств является их высокая стоимость, а также их чувствительность к точной настройке. Поэтому применение этого метода борьбы с несинусоидальностью напряжения оправдывает себя только в случаях, когда кроме этой борьбы необходимо ещё и скомпенсировать реактивную мощность в пункте электроснабжения.
Вопросы для самопроверки.
1. Перечислите показатели качества электроэнергии.
2. Укажите причины возникновения ухудшения качества электроэнергии.
3. Укажите основные влияния на электрооборудование при ухудшении различных показателей качества электроэнергии.
4. Сформулируйте основные методы борьбы с ухудшением качества электроэнергии.






, (2.6)
. (2.7)
. (2.10)
(2.18)















