Упт прямого усиления с непосредственной связью между каскадами
2020-06-032021-03-09zzyxelСтудИзба
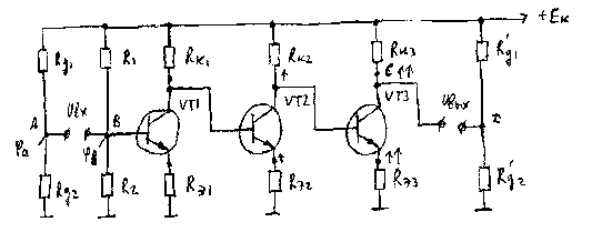
УПТ прямого усиления с непосредственной связью между каскадами.
Режим работы каскада (рабочая точка) задается предыдущим каскадом.
Поэтому 






Рекомендуемые материалы
Техническое задание
FREE
Маран Программная инженерия
-34%
ЛЮБАЯ практика в Синергии!
-58%
Помощь с закрытием всего семестра!
-20%
Помощь с любой практикой в МТИ!

Резисторы
образуют местную ООС(без
VT в на
)
- компенсируют потенциал поля Б VTI и K VT3;


Поскольку имеет место ООС, то


В лекции "11 Отзыв и укрытие судна" также много полезной информации.
Поскольку
уменьшается, а растет от каскада к каскаду, то
, т.о.
падает от каскада к каскаду. Обычно число каскадов £ 3.
Недостатки УПТ прямого усиления:
- источник сигнала оказывается не заземлен;
- дрейф нуля;
- относительно низкий коэффициент усиления.





















