Влияние частоты на параметры оу
Влияние частоты на параметры ОУ

где f – рабочая частота, f1 – граничная частота (К=1)
К0 – коэф. усиления без ОС



1. 

Рекомендуемые материалы
2. 

Кдб=20дпЛ-20*0,15=20дпЛ-3ДБ

3. 




Многокаскадные усилители. Скорость спада.

Коэффициент усиления в общем случае – величина комплексная.

Чем больше количество каскадов , тем хуже устойчивость, т.к. увеличивается запаздывание по фазе.

Чем меньше К , тем больше полоса пропускания
Условия устойчивости ОУ


Коррекция частотной характеристики ОУ

Схема внешней коррекции
Главная задача коррекции – обеспечить на корректируемой частоте спад 6 дцб на/ октаву


Внутренняя коррекция (используется эффект Миллера)
-используется емкостной делитель для уменьшения емкости p-n-перехода.
Это коррекция в выходных цепях
Входная коррекция 
Коррекция осуществляется за счет увеличения скорости наростания входного сигнала .
Коррекция подачи сигнала вперед: сигналы входные подаются одновременно
на оба усилителя .
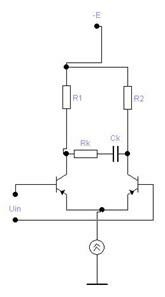
Метод «грубой силы»

Недостаток – большое напряжение шумов и элементы Rк и Ск подбираются эксперементально.
Метод упреждения по фазе


Источники тока
Источники тока: - с заземленной нагрузкой - с плавающей (незаземленной)
ИТ с плав. Нагрузкой


Эта схема используется в качестве источника постоянного тока ( управляемый напряжением)

ООС по вых. Току в кое. Датчика тока исп. р-р Rt

(вых.ток практич. От нагрузки не зависит)
ИТ с заземленной нагрузкой


В подобных ИТ можно получить большее значение тока Iн за счет использования транзистора
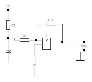
Источники напряжения

Информация в лекции "Сравнение технологий и определение конфигурации" поможет Вам.
Сам по себе ОУ не является формирователем напряжения , поэтому в качестве формирователя используются приборы имеющие p-n-переход.
В этой схеме ОУ служит для согласования сопротивления нагрузки и сопротивления p-n-переходов ( выходного сопротивления и уровня выходного напряжения )

Ток отпираемый от p-n-переходов , зависит только от Rст и поэтому он всегда постоянен.

Изменения напряжения на нагрузке, вызваное изменением тока нагрузки , стремится к 0























